Kenmore
Dryer

Model #11096565110 Official Kenmore electric dryer

Here are the diagrams and repair parts for Kenmore 11096565110 electric dryer, as well as links to manuals and error code tables, if available.

There are a couple of ways to find the part or diagram you need:

  • Click a diagram to see the parts shown on that diagram.
  • In the search box below, enter all or part of the part number or the part’s name.

Not all parts are shown on the diagrams—those parts are labeled NI, for “not illustrated”.

We encourage you to save the model to your profile, so it’s easy to access parts and manuals for your appliance whenever you log in.

For DIY troubleshooting advice and repair guides, visit our repair help section.

Showing 10 of 124 parts

Dryer Drum Belt (replaces 2008, 31531589, 349533, 53-1512, 8210, W10127457, W10131364)#30

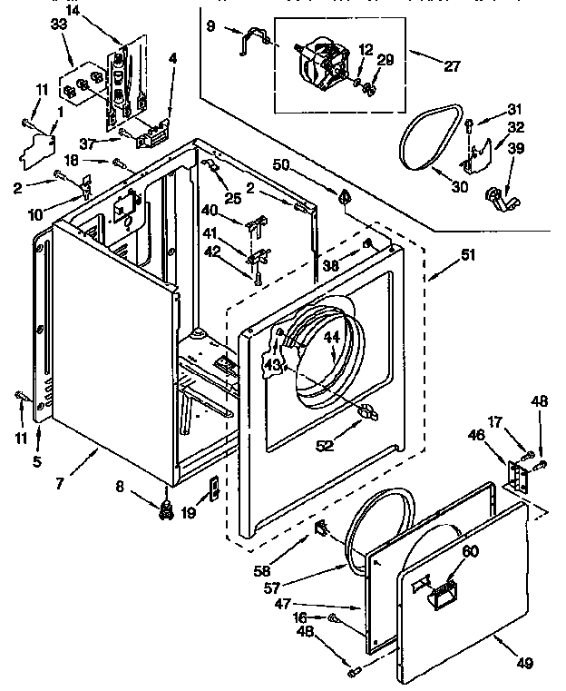
Cabinet Diagram

Drum belt

Part #660996
Replaced by #341241
?
Manufacturer substitution
This part replaces 660996. Substitute parts can look different from the original.
BEST SELLER
In Stock
$17.62 | 
10% OFF 
Phone Price: $19.62
Dryer Thermal Fuse, 195-degree F (replaces 3392519)#59

Bulkhead Diagram

Dryer thermal fuse

Part #3392519
Replaced by #WP3392519
?
Manufacturer substitution
This part replaces 3392519. Substitute parts can look different from the original.
BEST SELLER
In Stock
$18.31 | 
10% OFF 
Phone Price: $20.31
Dryer Heating Element (replaces WP279837, WP279838)#14

Bulkhead Diagram

Element

Part #3398064
Replaced by #279838
?
Manufacturer substitution
This part replaces 3398064. Substitute parts can look different from the original.
BEST SELLER
In Stock
$60.86 | 
8% OFF 
Phone Price: $65.86
Dryer Drum Support Roller Kit (replaces 26000349241, 3397590, 8170)#21

Bulkhead Diagram

Support

Part #3397588
Replaced by #349241T
?
Manufacturer substitution
This part replaces 3397588. Substitute parts can look different from the original.
BEST SELLER
In Stock
$21.99 | 
19% OFF 
Phone Price: $26.99
Dryer Idler Pulley (replaces 691366, W10612905)#39

Cabinet Diagram

Dryer idler pulley

Part #691366
Replaced by #WP691366
?
Manufacturer substitution
This part replaces 691366. Substitute parts can look different from the original.
BEST SELLER
In Stock
$16.50 | 
11% OFF 
Phone Price: $18.50
Dryer Operating Thermostat (replaces 3387134)#42

Bulkhead Diagram

Dryer operating thermostat

Part #3387134
Replaced by #WP3387134
?
Manufacturer substitution
This part replaces 3387134. Substitute parts can look different from the original.
BEST SELLER
In Stock
$30.81 | 
14% OFF 
Phone Price: $35.81
Dryer Drive Motor (replaces 2019, 3388235, 349588, 3980069, 661654, 8066206, 8066207, 8115, 8538262, 8539555, W10194250, W10366770, W10396029, W10396032, W10448892)#27

Cabinet Diagram

Drive motor

Part #3395652
Replaced by #279827
?
Manufacturer substitution
This part replaces 3395652. Substitute parts can look different from the original.
BEST SELLER
In Stock
$96.85 | 
26% OFF 
MSRP: $130.00
Dryer Lint Duct Housing Seal (replaces 339956)#36

Bulkhead Diagram

Dryer lint screen housing foam seal

Part #339956
Replaced by #WP339956
?
Manufacturer substitution
This part replaces 339956. Substitute parts can look different from the original.
BEST SELLER
This item is not returnable
In Stock
$7.09 | 
12% OFF 
Phone Price: $8.09
Dryer Front Panel Clip (replaces 3394083, W10775448)#19

Cabinet Diagram

Dryer front panel clip

Part #3394083
Replaced by #W10854425
?
Manufacturer substitution
This part replaces 3394083. Substitute parts can look different from the original.
BEST SELLER
In Stock
$11.20 | 
15% OFF 
Phone Price: $13.20
Dryer Lint Screen (replaces W10847983, W10860233, WP8557861, WP8559786)#22

Top and console Diagram

Screen

Part #348855
Replaced by #W10874409
?
Manufacturer substitution
This part replaces 348855. Substitute parts can look different from the original.
BEST SELLER
In Stock
$48.59 | 
9% OFF 
Phone Price: $53.59

Symptoms common to all dryers

Choose a symptom to see related dryer repairs.

Main causes: bad drum support roller, damaged idler pulley, broken blower fan blade, worn drum glide bearing, bad drive motor
Main causes: bad gas valve coils, broken heating element, tripped safety thermostat or fuse, bad operating thermostat, control failure
Main causes: bad timer or electronic control board, door switch failure
Main causes: lack of electrical power, bad power cord, wiring failure, bad control board, blown thermal fuse, bad door switch
Main causes: clogged exhaust vent, bad motor relay, loose dryer door catch, bad door switch, control system failure, faulty drive motor
Main causes: damaged door strike, worn door catch
Main causes: door switch failure, lack of power, broken belt, blown thermal fuse, bad drive motor, control system failure
Main causes: clogged exhaust system, heating system failure, deposits on moisture sensor, control system failure

Repair guides common to all dryers

These step-by-step repair guides will help you safely fix what’s broken on your dryer.

August 1, 2014
Lyle Weischwill
How to replace a dryer drum support roller

If your dryer thumps or squeals, replace the drum support roller to restore quiet to your home.

Repair difficulty
Time required
 90 minutes or less
August 1, 2014
Lyle Weischwill
How to replace a dryer thermistor

The thermistor senses the air temperature in the dryer. If your dryer overheats or doesn't heat at all, the thermistor could be the problem.

Repair difficulty
Time required
 30 minutes or less
August 1, 2014
Lyle Weischwill
How to replace a dryer idler pulley

The idler pulley exerts pressure keeps the drive belt tight so it can rotate the drum. A worn idler pulley squeals or squeaks when the dryer is running. Follow these instructions to replace it.

Repair difficulty
Time required
 90 minutes or less

Articles and videos common to all dryers

Use the advice and tips in these articles and videos to get the most out of your dryer.

October 24, 2022

Easy DIY appliance repairs that anyone can do

Lyle Weischwill

Get advice on simple DIY fixes for appliances that you can safely do on your own.

January 4, 2022

How to replace a Maytag dryer heating element

Lyle Weischwill

Learn how to replace a Maytag dryer heating element

August 17, 2021

How to read a wiring schematic video

Lyle Weischwill

Learn how to decipher symbols so you can buy the right part for your problem.