Amana
Bottom-Mount Refrigerator

Model #ARB2257CW-PARB2257CW0 Official Amana refrigerator

Here are the diagrams and repair parts for Amana ARB2257CW-PARB2257CW0 refrigerator, as well as links to manuals and error code tables, if available.

There are a couple of ways to find the part or diagram you need:

  • Click a diagram to see the parts shown on that diagram.
  • In the search box below, enter all or part of the part number or the part’s name.

Not all parts are shown on the diagrams—those parts are labeled NI, for “not illustrated”.

We encourage you to save the model to your profile, so it’s easy to access parts and manuals for your appliance whenever you log in.

For DIY troubleshooting advice and repair guides, visit our repair help section.

Error Codes

Showing 10 of 269 parts

Appliance Light Bulb, 40-watt (replaces 40A15-2PK, 60A, 60A15RVL, STD398091, WR02X12328, WX12X1510)

See All Related Diagrams

Refrigerator lamp, 40-watt, 115 to 125-volt

Part #A0282803
Replaced by #40A15
?
Manufacturer substitution
This part replaces A0282803. Substitute parts can look different from the original.
BEST SELLER
In Stock
$7.52 | 
12% OFF 
Phone Price: $8.52
Refrigerator Crisper Drawer Center Rail (replaces W10671238)#15

Refrigerator shelving Diagram

Refrigerator rail

Part #67001057
Replaced by #WPW10671238
?
Manufacturer substitution
This part replaces 67001057. Substitute parts can look different from the original.
BEST SELLER
In Stock
$44.69 | 
10% OFF 
Phone Price: $49.69
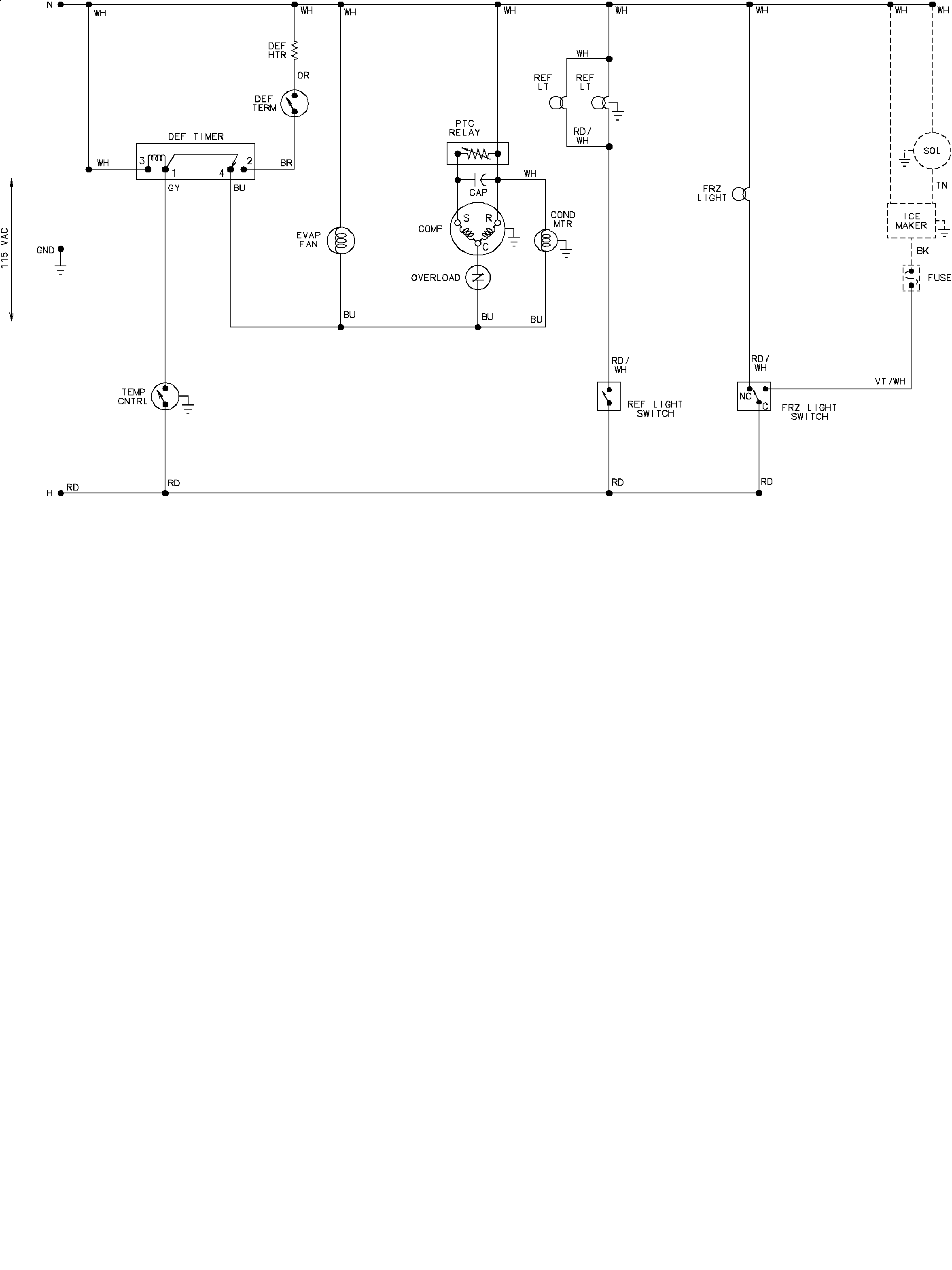
Refrigerator Switch#1

Controls Diagram

Refrigerator switch

Part #C3680310

The manufacturer no longer makes this part, and there's no substitute part

Refrigerator Ice Maker

See All Related Diagrams

Refrigerator ice maker

Part #61005508
Replaced by #D7824706Q
?
Manufacturer substitution
This part replaces 61005508. Substitute parts can look different from the original.
BEST SELLER
In Stock
$129.43 | 
7% OFF 
Phone Price: $139.43
Refrigerator Crisper Drawer Cover Support#21

Refrigerator shelving Diagram

Refrigerator ladder hook

Part #67001716
Replaced by #WP67001716
?
Manufacturer substitution
This part replaces 67001716. Substitute parts can look different from the original.
BEST SELLER
This item is not returnable
In Stock
$7.37 | 
12% OFF 
Phone Price: $8.37
Refrigerator Condenser Fan Motor#3

Compressor Diagram

Condenser motor

Part #10884507
Replaced by #833697
?
Manufacturer substitution
This part replaces 10884507. Substitute parts can look different from the original.
BEST SELLER
In Stock
$48.32 | 
9% OFF 
Phone Price: $53.32
Refrigerator Door Gasket#4A

Freezer door Diagram

Refrigerator freezer door gasket

Part #12683804W
Replaced by #W10443315
?
Manufacturer substitution
This part replaces 12683804W. Substitute parts can look different from the original.
BEST SELLER
In Stock
$111.70 | 
8% OFF 
Phone Price: $121.70
Refrigerator Evaporator Fan Blade#21

Evaporator area & rollers Diagram

Refrigerator blade

Part #12217201
Replaced by #WP2169142
?
Manufacturer substitution
This part replaces 12217201. Substitute parts can look different from the original.
BEST SELLER
In Stock
$31.85 | 
14% OFF 
Phone Price: $36.85
Refrigerator Crisper Drawer (replaces 67002633)#16

Refrigerator shelving Diagram

Refrigerator crisper pan

Part #67001315
Replaced by #WP67002633
?
Manufacturer substitution
This part replaces 67001315. Substitute parts can look different from the original.
BEST SELLER
In Stock
$79.52 | 
20% OFF 
MSRP: $100.00
Refrigerator Crisper Drawer Cover Frame#14

Refrigerator shelving Diagram

Refrigerator crisper frame

Part #67001056
Replaced by #WPW10568041
?
Manufacturer substitution
This part replaces 67001056. Substitute parts can look different from the original.
BEST SELLER
In Stock
$74.43 | 
10% OFF 
Was: $82.70

Symptoms common to all refrigerators

Choose a symptom to see related refrigerator repairs.

Main causes: leaky door gasket, defrost system failure, evaporator fan not running, dirty condenser coils, condenser fan not running
Things to do: clean condenser coils, replace the water filter, clean the interior, adjust doors to prevent air leaks, clean the drain pan
Main causes: jammed ice cubes, broken ice maker assembly, dirty water filter, kinked water line, bad water valve, freezer not cold enough
Main causes: damaged door seal, faulty defrost sensor or bi-metal thermostat, broken defrost heater, bad defrost timer or control board
Main causes: control board or cold control failure, broken compressor start relay, compressor motor failure, defrost timer problems
Main causes: blocked air vents, compressor problems, condenser or evaporator fan not working, control system failure, sensor problems
Main causes: blocked vents, defrost system problems, evaporator fan failure, dirty condenser coils, bad sensors, condenser fan not working
Main causes: water valve leaking, frozen or broken defrost drain tube, overflowing drain pan, cracked water system tubing, leaking door seal

Repair guides common to all refrigerators

These step-by-step repair guides will help you safely fix what’s broken on your refrigerator.

July 20, 2015
Lyle Weischwill
How to clean refrigerator condenser coils

Help your refrigerator run more efficiently by cleaning the condenser coils. It's easy and takes just a few minutes.

Repair difficulty
Time required
 15 minutes or less
July 20, 2015
Lyle Weischwill
How to replace a refrigerator water valve

Replace the water valve that feeds water to the ice maker and water dispenser if it no longer controls the flow of water.

Repair difficulty
Time required
 15 minutes or less
How to replace a refrigerator temperature control board

If the temperature in your refrigerator doesn't match the temperature you set, the problem could be the temperature control board—a service technician can give you a definite diagnosis. If the board is at fault, follow these steps to replace it yourself.

Repair difficulty
Time required
 30 minutes or less

Articles and videos common to all refrigerators

Use the advice and tips in these articles and videos to get the most out of your refrigerator.

June 2, 2022

How to Remove a GE French Door Refrigerator Flipper Mullion

Lyle Weischwill

Learn how to replace the flipper mullion on a GE French door refrigerator.

April 19, 2022

How to change the water filter in an LG refrigerator

Lyle Weischwill

Get tips and advice on replacing the water filter in your LG refrigerator.

December 30, 2021

How to fix your evaporator cooling fan

Lyle Weischwill

Learn how to fix a broken evaporator fan