Maytag
Washer

Model #A8800 Official Maytag washer/dryer

Here are the diagrams and repair parts for Maytag A8800 washer/dryer, as well as links to manuals and error code tables, if available.

There are a couple of ways to find the part or diagram you need:

  • Click a diagram to see the parts shown on that diagram.
  • In the search box below, enter all or part of the part number or the part’s name.

Not all parts are shown on the diagrams—those parts are labeled NI, for “not illustrated”.

We encourage you to save the model to your profile, so it’s easy to access parts and manuals for your appliance whenever you log in.

For DIY troubleshooting advice and repair guides, visit our repair help section.

Showing 10 of 229 parts

Appliance Adhesive Sealant#18

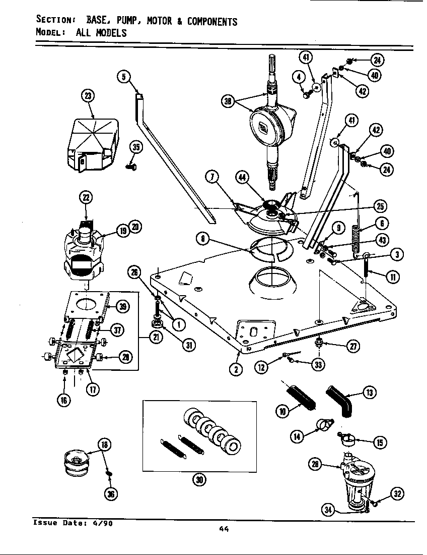
Orbital transmission Diagram

Silastic,adh

Part #058700
Replaced by #W10841140
?
Manufacturer substitution
This part replaces 058700. Substitute parts can look different from the original.
BEST SELLER
In Stock
$14.99 | 
12% OFF 
Phone Price: $16.99
Appliance Hose Clamp#43

Tub, agitator, mounting stem & seal Diagram

Spring hose

Part #214739
Replaced by #WP596669
?
Manufacturer substitution
This part replaces 214739. Substitute parts can look different from the original.
BEST SELLER
This item is not returnable
In Stock
$4.37 | 
19% OFF 
Phone Price: $5.37
Appliance Hose Clamp

See All Related Diagrams

Water clamp

Part #410296
Replaced by #WP596669
?
Manufacturer substitution
This part replaces 410296. Substitute parts can look different from the original.
BEST SELLER
This item is not returnable
In Stock
$4.37 | 
19% OFF 
Phone Price: $5.37
Appliance Hose Clamp#19

Tub, agitator, mounting stem & seal Diagram

Hose clamp

Part #202515
Replaced by #WP596669
?
Manufacturer substitution
This part replaces 202515. Substitute parts can look different from the original.
BEST SELLER
This item is not returnable
In Stock
$4.37 | 
19% OFF 
Phone Price: $5.37
Appliance Hose Clamp

See All Related Diagrams

Hose clamp

Part #201575
Replaced by #WP596669
?
Manufacturer substitution
This part replaces 201575. Substitute parts can look different from the original.
BEST SELLER
This item is not returnable
In Stock
$4.37 | 
19% OFF 
Phone Price: $5.37
Washer Drive and Pump Belt Set#21

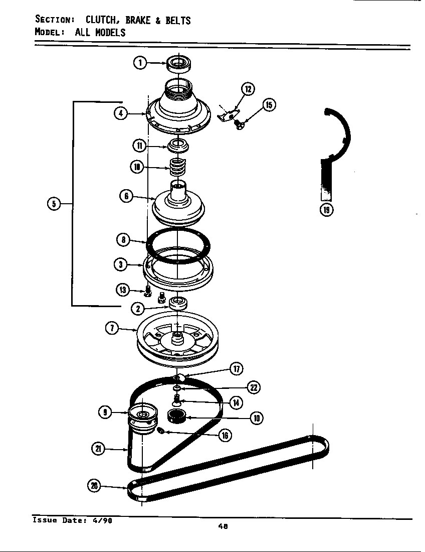
Clutch, brake & belts Diagram

Washer drive belt

Part #211125
Replaced by #12112425
?
Manufacturer substitution
This part replaces 211125. Substitute parts can look different from the original.
BEST SELLER
In Stock
$44.19 | 
10% OFF 
Phone Price: $49.19
Washer Drive and Pump Belt Set#20

Clutch, brake & belts Diagram

Washer pump drive belt

Part #211124
Replaced by #12112425
?
Manufacturer substitution
This part replaces 211124. Substitute parts can look different from the original.
BEST SELLER
In Stock
$44.19 | 
10% OFF 
Phone Price: $49.19
Washer Hose Clamp#8

Tub, agitator, mounting stem & seal Diagram

Clamp

Part #211641
Replaced by #WP285655
?
Manufacturer substitution
This part replaces 211641. Substitute parts can look different from the original.
BEST SELLER
This item is not returnable
In Stock
$6.49 | 
13% OFF 
Phone Price: $7.49
Washer Hose Clamp

See All Related Diagrams

Hose clamp

Part #200461
Replaced by #WP285655
?
Manufacturer substitution
This part replaces 200461. Substitute parts can look different from the original.
BEST SELLER
This item is not returnable
In Stock
$6.49 | 
13% OFF 
Phone Price: $7.49
Washer Screw

See All Related Diagrams

Washer screw

Part #211294
Replaced by #WP90767
?
Manufacturer substitution
This part replaces 211294. Substitute parts can look different from the original.
This item is not returnable
In Stock
$4.37 | 
19% OFF 
Phone Price: $5.37

Symptoms common to all washers

Choose a symptom to see related washer repairs.

Main causes: leaky water inlet valve, faulty water-level pressure switch, bad electronic control board
Main causes: lack of electrical power, wiring failure, bad power cord, electronic control board failure, bad user interface board
Main causes: water heater failure, bad water temperature switch, faulty control board, bad water valve, faulty water temperature sensor
Main causes: unbalanced load, loose spanner nut, worn drive block, broken shock absorber or suspension spring, debris in drain pump
Main causes: broken lid switch or lid lock, bad pressure switch, broken shifter assembly, faulty control system
Main causes: clogged drain hose, house drain clogged, bad drain pump, water-level pressure switch failure, bad control board or timer
Main causes: worn agitator dogs, bad clutch, broken motor coupler, shifter assembly failure, broken door lock, suspension component failure
Main causes: no water supply, bad water valves, water-level pressure switch failure, control system failure, bad door lock or lid switch
Main causes: bad lid switch or door lock, bad timer or electronic control board, wiring failure, bad water inlet valve assembly

Articles and videos common to all washers

Use the advice and tips in these articles and videos to get the most out of your washer.

January 3, 2022

Why is my washing machine leaking when not in use?

By Lyle Weischwill

Learn how to fix a washing machine leak

December 30, 2021

How to fix a washing machine

By Lyle Weischwill

Learn how to fix your broken washing machine

April 10, 2020

Cleaning your appliances after a drinking water advisory

By Julie Riebe

Find out how to clean and flush household appliances once a boil water advisory is lifted.