Whirlpool
Washer

Model #7MWTW1705BQ0 Official Whirlpool washer

Here are the diagrams and repair parts for Whirlpool 7MWTW1705BQ0 washer, as well as links to manuals and error code tables, if available.

There are a couple of ways to find the part or diagram you need:

  • Click a diagram to see the parts shown on that diagram.
  • In the search box below, enter all or part of the part number or the part’s name.

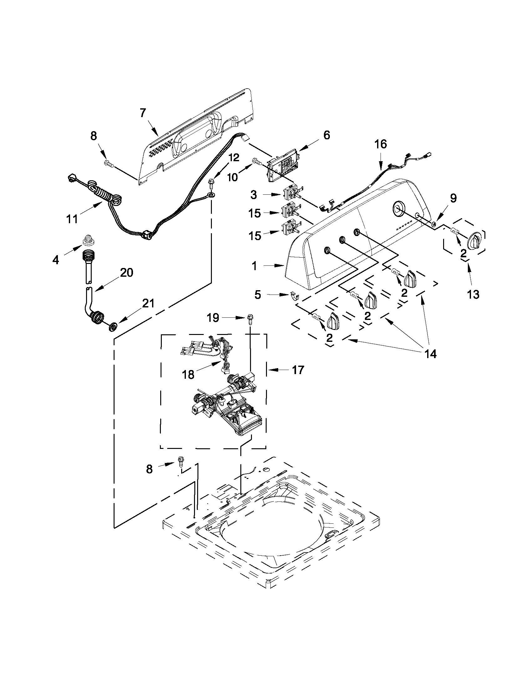
Not all parts are shown on the diagrams—those parts are labeled NI, for “not illustrated”.

We encourage you to save the model to your profile, so it’s easy to access parts and manuals for your appliance whenever you log in.

For DIY troubleshooting advice and repair guides, visit our repair help section.

Showing 10 of 121 parts

Affresh Washer Cleaner, 3-pack (replaces 18001080, 77109, W10135699A)#NI

Optional parts (not included) Diagram

Affresh washer cleaner, 3-pack (replaces 18001080, 77109, w10135699a)

Part #W10135699
BEST SELLER

Get free shipping with Automatic Reorder

In Stock
$8.99 | 
44% OFF 
MSRP: $16.00
Washer Agitator Dog Set (replaces 285770, 3366877)#8

Basket and tub parts Diagram

Agitator dog

Part #3366877
Replaced by #80040
?
Manufacturer substitution
This part replaces 3366877. Substitute parts can look different from the original.
BEST SELLER
This item is not returnable
In Stock
$3.03 | 
28% OFF 
MSRP: $4.20
Washer Suspension Rod Kit (replaces W10349191, W10748952, W10821948)#22

Basket and tub parts Diagram

Suspension

Part #W10257088
Replaced by #W10780048
?
Manufacturer substitution
This part replaces W10257088. Substitute parts can look different from the original.
BEST SELLER
In Stock
$49.46 | 
29% OFF 
MSRP: $69.68
Washer Lid Lock Assembly (replaces W10238287, W10744659)#14

Top and cabinet parts Diagram

Washer lid lock assembly

Part #W10238287
Replaced by #W10404050
?
Manufacturer substitution
This part replaces W10238287. Substitute parts can look different from the original.
BEST SELLER
In Stock
$39.99 | 
27% OFF 
MSRP: $54.76
Washer Drive Belt#15

Gearcase, motor and pump parts Diagram

Washer drive belt

Part #W10006384
Replaced by #WPW10006384
?
Manufacturer substitution
This part replaces W10006384. Substitute parts can look different from the original.
BEST SELLER
In Stock
$30.57 | 
14% OFF 
Phone Price: $35.57
Washer Drive Pulley (replaces W10006356, W10239973, W10315818, W10536113, W11396423)#12

Gearcase, motor and pump parts Diagram

Cam

Part #W10006354
Replaced by #W10721967
?
Manufacturer substitution
This part replaces W10006354. Substitute parts can look different from the original.
BEST SELLER
In Stock
$57.16 | 
8% OFF 
Phone Price: $62.16
Washer Drive Pulley (replaces W10006356, W10239973, W10315818, W10536113, W11396423)#10

Gearcase, motor and pump parts Diagram

Washer drive pulley and splutch assembly

Part #W10006352
Replaced by #W10721967
?
Manufacturer substitution
This part replaces W10006352. Substitute parts can look different from the original.
BEST SELLER
In Stock
$57.16 | 
8% OFF 
Phone Price: $62.16
Washer Drive Pulley (replaces W10006356, W10239973, W10315818, W10536113, W11396423)#11

Gearcase, motor and pump parts Diagram

Cam

Part #W10006353
Replaced by #W10721967
?
Manufacturer substitution
This part replaces W10006353. Substitute parts can look different from the original.
BEST SELLER
In Stock
$57.16 | 
8% OFF 
Phone Price: $62.16
Washer Drive Pulley (replaces W10006356, W10239973, W10315818, W10536113, W11396423)#13

Gearcase, motor and pump parts Diagram

Washer motor drive pulley

Part #W10006356
Replaced by #W10721967
?
Manufacturer substitution
This part replaces W10006356. Substitute parts can look different from the original.
BEST SELLER
In Stock
$57.16 | 
8% OFF 
Phone Price: $62.16
Washer Drive Pulley (replaces W10006356, W10239973, W10315818, W10536113, W11396423)#9

Gearcase, motor and pump parts Diagram

Spring

Part #W10006382
Replaced by #W10721967
?
Manufacturer substitution
This part replaces W10006382. Substitute parts can look different from the original.
BEST SELLER
In Stock
$57.16 | 
8% OFF 
Phone Price: $62.16

Symptoms common to all washers

Choose a symptom to see related washer repairs.

Main causes: leaky water inlet valve, faulty water-level pressure switch, bad electronic control board
Main causes: lack of electrical power, wiring failure, bad power cord, electronic control board failure, bad user interface board
Main causes: water heater failure, bad water temperature switch, faulty control board, bad water valve, faulty water temperature sensor
Main causes: unbalanced load, loose spanner nut, worn drive block, broken shock absorber or suspension spring, debris in drain pump
Main causes: broken lid switch or lid lock, bad pressure switch, broken shifter assembly, faulty control system
Main causes: clogged drain hose, house drain clogged, bad drain pump, water-level pressure switch failure, bad control board or timer
Main causes: worn agitator dogs, bad clutch, broken motor coupler, shifter assembly failure, broken door lock, suspension component failure
Main causes: no water supply, bad water valves, water-level pressure switch failure, control system failure, bad door lock or lid switch
Main causes: bad lid switch or door lock, bad timer or electronic control board, wiring failure, bad water inlet valve assembly

Articles and videos common to all washers

Use the advice and tips in these articles and videos to get the most out of your washer.

January 3, 2022

Why is my washing machine leaking when not in use?

Lyle Weischwill

Learn how to fix a washing machine leak

December 30, 2021

How to fix a washing machine

Lyle Weischwill

Learn how to fix your broken washing machine

April 10, 2020

Cleaning your appliances after a drinking water advisory

Wayne Archer

Find out how to clean and flush household appliances once a boil water advisory is lifted.