LG
Dryer

Model #DLG9588WM Official LG dryer

Here are the diagrams and repair parts for LG DLG9588WM dryer, as well as links to manuals and error code tables, if available.

There are a couple of ways to find the part or diagram you need:

  • Click a diagram to see the parts shown on that diagram.
  • In the search box below, enter all or part of the part number or the part’s name.

Not all parts are shown on the diagrams—those parts are labeled NI, for “not illustrated”.

We encourage you to save the model to your profile, so it’s easy to access parts and manuals for your appliance whenever you log in.

For DIY troubleshooting advice and repair guides, visit our repair help section.

Owner’s manual

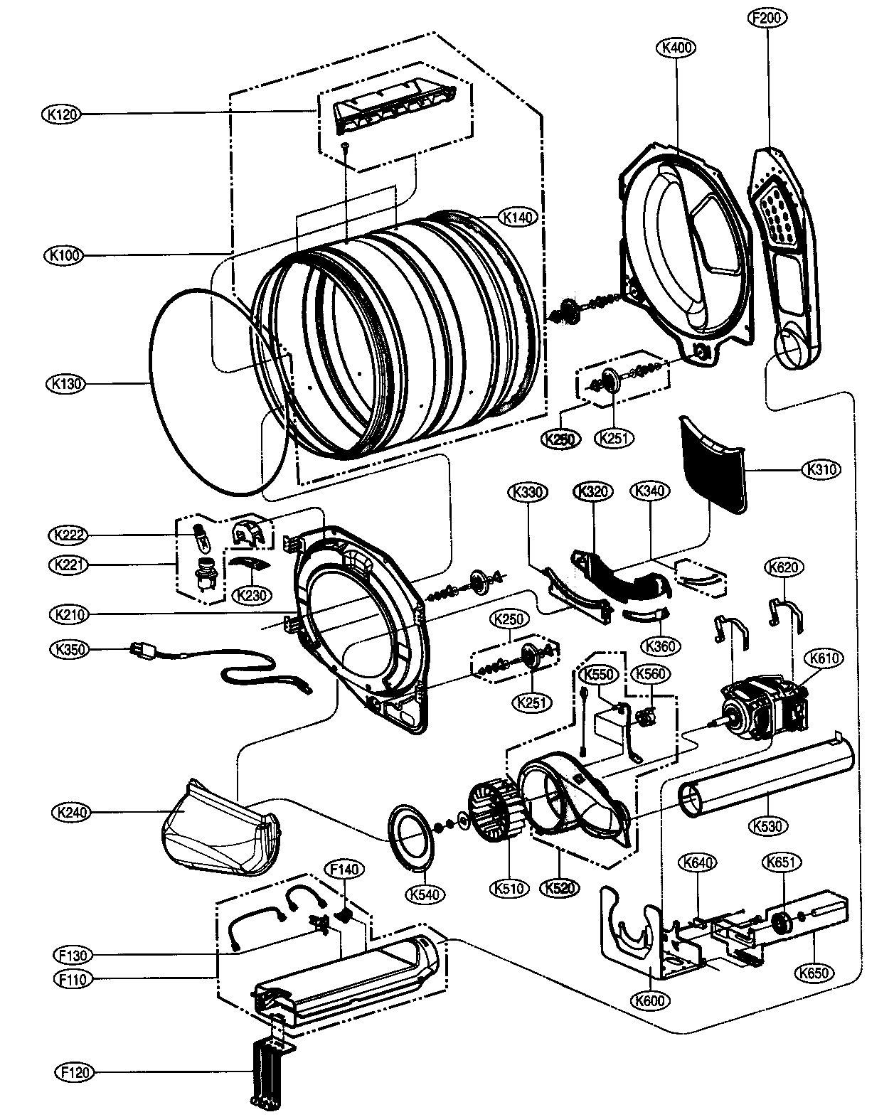
Showing 10 of 72 parts

Dryer Drum Belt (replaces 4400EL2001A)#K130

Drum/motor assy Diagram

Dryer drum belt

Part #4400EL2001A
Replaced by #4400EL2001F
?
Manufacturer substitution
This part replaces 4400EL2001A. Substitute parts can look different from the original.
BEST SELLER
In Stock
$17.78 | 
10% OFF 
Was: $19.76
Dryer Lint Screen#K310

Drum/motor assy Diagram

Dryer lint screen

Part #5231EL1003B
BEST SELLER
In Stock
$40.59 | 
11% OFF 
Phone Price: $45.59
Dryer Idler Pulley (replaces 4561EL3002B)#K650

Drum/motor assy Diagram

Dryer idler pulley (replaces 4561el3002b)

Part #4561EL3002A
BEST SELLER
In Stock
$39.53 | 
11% OFF 
Phone Price: $44.53
Dryer High-Limit Thermostat#M230

Drum/motor assy Diagram

Dryer high-limit thermostat

Part #6931EL3003C
BEST SELLER
In Stock
$19.23 | 
9% OFF 
Phone Price: $21.23
Dryer High-Limit Thermostat (replaces 6931EL3003F)#M220

Drum/motor assy Diagram

In Stock
$22.50 | 
18% OFF 
Phone Price: $27.50
Dryer Blower Thermostat (replaces 6931EL3002A)#K560

Drum/motor assy Diagram

Dryer blower thermostat

Part #6931EL3002A
Replaced by #6931EL3002M
?
Manufacturer substitution
This part replaces 6931EL3002A. Substitute parts can look different from the original.
BEST SELLER
In Stock
$26.04 | 
16% OFF 
Phone Price: $31.04
Dryer Idler Pulley#K651

Drum/motor assy Diagram

Dryer idler pulley

Part #4560EL3001A
BEST SELLER
In Stock
$17.83 | 
10% OFF 
Phone Price: $19.83
Dryer Moisture Sensor#K340

Drum/motor assy Diagram

Dryer moisture sensor

Part #6500EL3001A
BEST SELLER
In Stock
$13.49 | 
13% OFF 
Phone Price: $15.49
Dryer Lint Screen Cover#K320

Drum/motor assy Diagram

Dryer lint screen cover

Part #3550EL1006B
BEST SELLER
In Stock
$22.23 | 
18% OFF 
Phone Price: $27.23
Dryer Side or Bottom Exhaust Vent Kit#A800

Cabinet/door assy Diagram

Vent kit

Part #383EEL9001B
Replaced by #3911EZ9131X
?
Manufacturer substitution
This part replaces 383EEL9001B. Substitute parts can look different from the original.
BEST SELLER
In Stock
$75.60 | 
10% OFF 
Was: $84.00

Symptoms common to all dryers

Choose a symptom to see related dryer repairs.

Main causes: bad drum support roller, damaged idler pulley, broken blower fan blade, worn drum glide bearing, bad drive motor
Main causes: bad gas valve coils, broken heating element, tripped safety thermostat or fuse, bad operating thermostat, control failure
Main causes: bad timer or electronic control board, door switch failure
Main causes: lack of electrical power, bad power cord, wiring failure, bad control board, blown thermal fuse, bad door switch
Main causes: clogged exhaust vent, bad motor relay, loose dryer door catch, bad door switch, control system failure, faulty drive motor
Main causes: damaged door strike, worn door catch
Main causes: door switch failure, lack of power, broken belt, blown thermal fuse, bad drive motor, control system failure
Main causes: clogged exhaust system, heating system failure, deposits on moisture sensor, control system failure

Repair guides common to all dryers

These step-by-step repair guides will help you safely fix what’s broken on your dryer.

August 1, 2014
By Lyle Weischwill
How to replace a dryer drum support roller

If your dryer thumps or squeals, replace the drum support roller to restore quiet to your home.

Repair difficulty
Time required
 90 minutes or less
August 1, 2014
By Lyle Weischwill
How to replace a dryer thermistor

The thermistor senses the air temperature in the dryer. If your dryer overheats or doesn't heat at all, the thermistor could be the problem.

Repair difficulty
Time required
 30 minutes or less
August 1, 2014
By Lyle Weischwill
How to replace a dryer idler pulley

The idler pulley exerts pressure keeps the drive belt tight so it can rotate the drum. A worn idler pulley squeals or squeaks when the dryer is running. Follow these instructions to replace it.

Repair difficulty
Time required
 90 minutes or less

Articles and videos common to all dryers

Use the advice and tips in these articles and videos to get the most out of your dryer.

October 24, 2022

Easy DIY appliance repairs that anyone can do

By Lyle Weischwill

Get advice on simple DIY fixes for appliances that you can safely do on your own.

August 5, 2022

Introducing new technical repair content that we’re developing for the Sears Technical Institute

By Lyle Weischwill

Learn about Sears Technical Institute and the advanced technical content being developed for aspiring appliance techs.

January 4, 2022

How to replace a Maytag dryer heating element

By Lyle Weischwill

Learn how to replace a Maytag dryer heating element