Maytag
Washer

Model #MHWE400WW01 Official Maytag washer

Here are the diagrams and repair parts for Maytag MHWE400WW01 washer, as well as links to manuals and error code tables, if available.

There are a couple of ways to find the part or diagram you need:

  • Click a diagram to see the parts shown on that diagram.
  • In the search box below, enter all or part of the part number or the part’s name.

Not all parts are shown on the diagrams—those parts are labeled NI, for “not illustrated”.

We encourage you to save the model to your profile, so it’s easy to access parts and manuals for your appliance whenever you log in.

For DIY troubleshooting advice and repair guides, visit our repair help section.

Owner’s manual

Showing 10 of 165 parts

Affresh Washer Cleaner, 3-pack (replaces 18001080, 77109, W10135699A)#NI

Optional parts (not included) Diagram

Affresh washer cleaner, 3-pack (replaces 18001080, 77109, w10135699a)

Part #W10135699
BEST SELLER

Get free shipping with Automatic Reorder

In Stock
$8.99 | 
44% OFF 
MSRP: $16.00
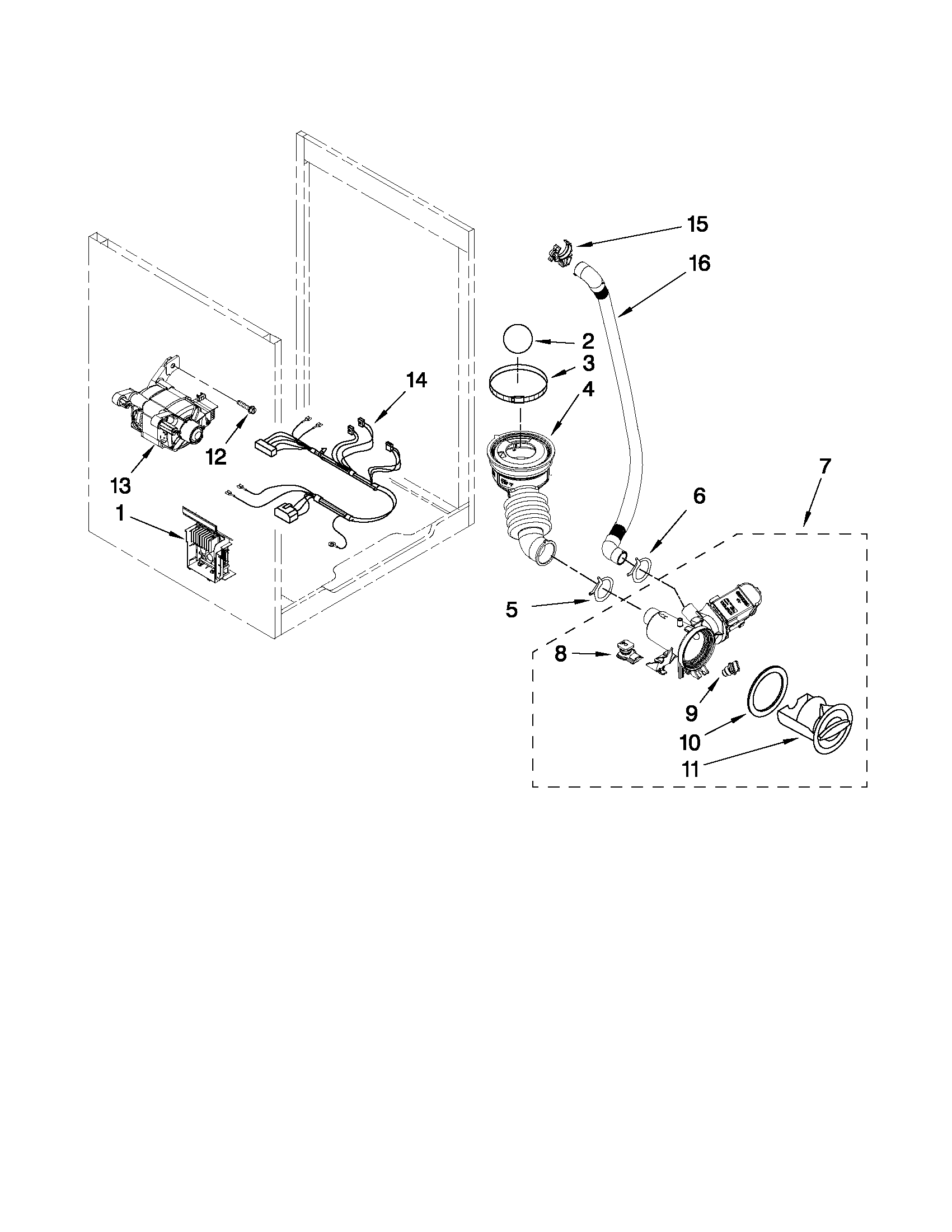
Washer Drain Pump Assembly (replaces 285998, 8182819, 8182821)#7

Pump and motor parts Diagram

Pump

Part #8182821
Replaced by #280187
?
Manufacturer substitution
This part replaces 8182821. Substitute parts can look different from the original.
BEST SELLER
In Stock
$143.30 | 
20% OFF 
MSRP: $180.00
Washer Door Hinge#13

Door and latch parts Diagram

Washer door hinge

Part #8183202
Replaced by #WP8183202
?
Manufacturer substitution
This part replaces 8183202. Substitute parts can look different from the original.
BEST SELLER
In Stock
$140.09 | 
10% OFF 
Was: $155.65
Laundry Appliance Stacking Kit#NI

Optional parts (not included) Diagram

Laundry appliance stacking kit

Part #8212640
Replaced by #8541503
?
Manufacturer substitution
This part replaces 8212640. Substitute parts can look different from the original.
BEST SELLER
In Stock
$42.80 | 
10% OFF 
Phone Price: $47.80
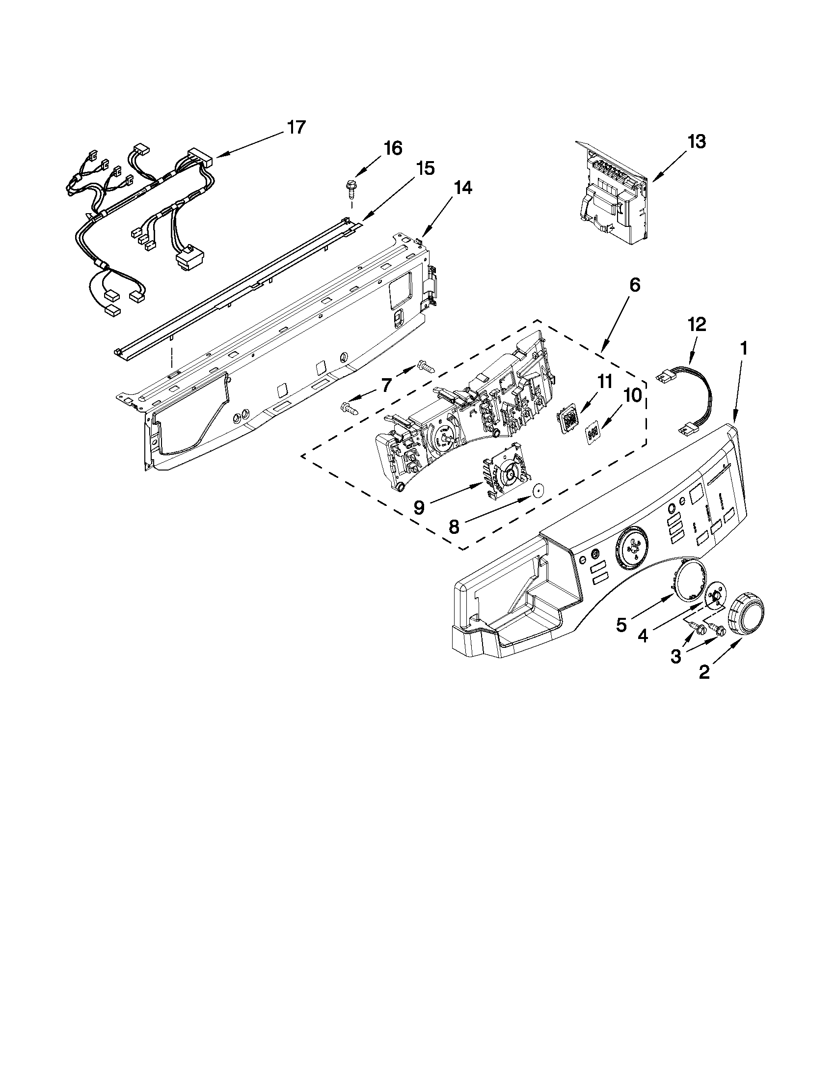
Washer Outer Front Tub (replaces 285981)#21

Tub and basket parts Diagram

Outer tub

Part #8182312
Replaced by #W10772607
?
Manufacturer substitution
This part replaces 8182312. Substitute parts can look different from the original.
BEST SELLER
Back Order
$272.85 | 
$10.00 OFF 
Phone Price: $282.85
Washer Tub Gasket#10

Tub and basket parts Diagram

Washer tub gasket

Part #8181673
Replaced by #WP8181673
?
Manufacturer substitution
This part replaces 8181673. Substitute parts can look different from the original.
BEST SELLER
In Stock
$22.47 | 
36% OFF 
MSRP: $35.00
Appliance Spray Paint (White) (replaces 094566-64, 206923, 2780-0001, 4395978, 5303203125, 66208, 788343, 799343, 799433, 99343, A0050702, F94566-010, Y057937, Y350930)#NI

Optional parts (not included) Diagram

Washer Shock Absorber#27

Tub and basket parts Diagram

Washer shock absorber

Part #8182812
Replaced by #W10822553
?
Manufacturer substitution
This part replaces 8182812. Substitute parts can look different from the original.
BEST SELLER
In Stock
$46.40 | 
16% OFF 
MSRP: $55.00
Washer Door Lock#3

Door and latch parts Diagram

Washer door lock

Part #8183270
Replaced by #WP8183270
?
Manufacturer substitution
This part replaces 8183270. Substitute parts can look different from the original.
BEST SELLER
In Stock
$115.50 | 
23% OFF 
MSRP: $150.00
Washer Door Strike#6

Door and latch parts Diagram

Washer door strike

Part #W10217552
Replaced by #WPW10488048
?
Manufacturer substitution
This part replaces W10217552. Substitute parts can look different from the original.
BEST SELLER
This item is not returnable
In Stock
$6.49 | 
13% OFF 
Phone Price: $7.49

Symptoms common to all washers

Choose a symptom to see related washer repairs.

Main causes: leaky water inlet valve, faulty water-level pressure switch, bad electronic control board
Main causes: lack of electrical power, wiring failure, bad power cord, electronic control board failure, bad user interface board
Main causes: water heater failure, bad water temperature switch, faulty control board, bad water valve, faulty water temperature sensor
Main causes: unbalanced load, loose spanner nut, worn drive block, broken shock absorber or suspension spring, debris in drain pump
Main causes: broken lid switch or lid lock, bad pressure switch, broken shifter assembly, faulty control system
Main causes: clogged drain hose, house drain clogged, bad drain pump, water-level pressure switch failure, bad control board or timer
Main causes: worn agitator dogs, bad clutch, broken motor coupler, shifter assembly failure, broken door lock, suspension component failure
Main causes: no water supply, bad water valves, water-level pressure switch failure, control system failure, bad door lock or lid switch
Main causes: bad lid switch or door lock, bad timer or electronic control board, wiring failure, bad water inlet valve assembly

Articles and videos common to all washers

Use the advice and tips in these articles and videos to get the most out of your washer.

January 3, 2022

Why is my washing machine leaking when not in use?

By Lyle Weischwill

Learn how to fix a washing machine leak

December 30, 2021

How to fix a washing machine

By Lyle Weischwill

Learn how to fix your broken washing machine

April 10, 2020

Cleaning your appliances after a drinking water advisory

By Julie Riebe

Find out how to clean and flush household appliances once a boil water advisory is lifted.