Craftsman
Front-Engine Lawn Tractor

Model #917289260 Official Craftsman tractor yt4000

Here are the diagrams and repair parts for Craftsman 917289260 tractor yt4000, as well as links to manuals and error code tables, if available.

There are a couple of ways to find the part or diagram you need:

  • Click a diagram to see the parts shown on that diagram.
  • In the search box below, enter all or part of the part number or the part’s name.

Not all parts are shown on the diagrams—those parts are labeled NI, for “not illustrated”.

We encourage you to save the model to your profile, so it’s easy to access parts and manuals for your appliance whenever you log in.

For DIY troubleshooting advice and repair guides, visit our repair help section.

Owner’s manual

Showing 10 of 565 parts

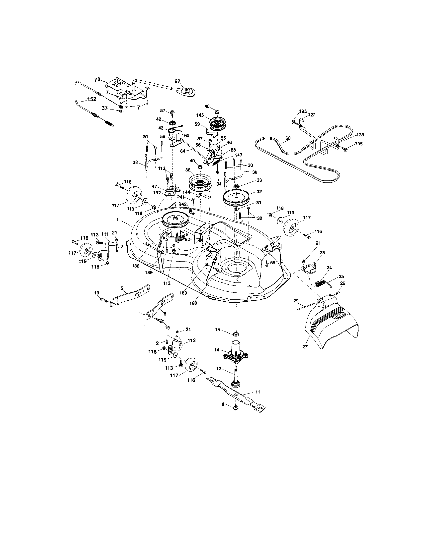
Lawn Tractor Ground Drive or Blade Drive Belt, 1/2 x 100-1/2-in#68

Mower deck Diagram

Lawn tractor belt, 1/2 x 101-1/6-in

Part #197253
Replaced by #592855001
?
Manufacturer substitution
This part replaces 197253. Substitute parts can look different from the original.
BEST SELLER

Get free shipping with Automatic Reorder

In Stock
$28.46 | 
15% OFF 
Phone Price: $33.46
Lawn Tractor Blade Clutch Cable#152

Mower deck Diagram

Clutch cable manual with spring

Part #408714
Replaced by #435111
?
Manufacturer substitution
This part replaces 408714. Substitute parts can look different from the original.
BEST SELLER
Back Order
$23.99 | 
17% OFF 
Phone Price: $28.99
Lawn Tractor Self-Tapping Bolt#30

Mower deck Diagram

Lawn tractor bolt

Part #173984
Replaced by #584953901
?
Manufacturer substitution
This part replaces 173984. Substitute parts can look different from the original.
BEST SELLER
This item is not returnable
In Stock
$3.29 | 
23% OFF 
Phone Price: $4.29
Lawn Mower Lock Nut, 3/8-in

See All Related Diagrams

Lock nut

Part #73900600
Replaced by #532409149
?
Manufacturer substitution
This part replaces 73900600. Substitute parts can look different from the original.
BEST SELLER
This item is not returnable
Back Order
$2.73 | 
27% OFF 
Phone Price: $3.73
Lawn Tractor Axle Cap#8

Wheels and tires Diagram

Lawn tractor axle cap

Part #104757X428
Replaced by #532104757
?
Manufacturer substitution
This part replaces 104757X428. Substitute parts can look different from the original.
BEST SELLER
This item is not returnable
In Stock
$2.40 | 
31% OFF 
MSRP: $3.48
Lawn Tractor Ignition Switch#30

Electrical Diagram

Lawn tractor ignition switch

Part #193350
Replaced by #532193350
?
Manufacturer substitution
This part replaces 193350. Substitute parts can look different from the original.
BEST SELLER
In Stock
$12.98 | 
30% OFF 
MSRP: $18.51
Lawn Tractor Blade Idler Pulley#36

Mower deck Diagram

Flat idler pulley

Part #197379
Replaced by #196106
?
Manufacturer substitution
This part replaces 197379. Substitute parts can look different from the original.
BEST SELLER
In Stock
$21.99 | 
19% OFF 
Phone Price: $26.99
Lawn Tractor Deflector Shield Hinge Rod#29

Mower deck Diagram

Lawn tractor deflector shield hinge rod

Part #131491
Replaced by #595297001
?
Manufacturer substitution
This part replaces 131491. Substitute parts can look different from the original.
BEST SELLER
This item is not returnable
Back Order
$5.25
Lawn Tractor Steering Wheel#1

Steering Diagram

Lawn tractor steering wheel

Part #414803X428
BEST SELLER
Back Order
$29.78 | 
14% OFF 
Phone Price: $34.78
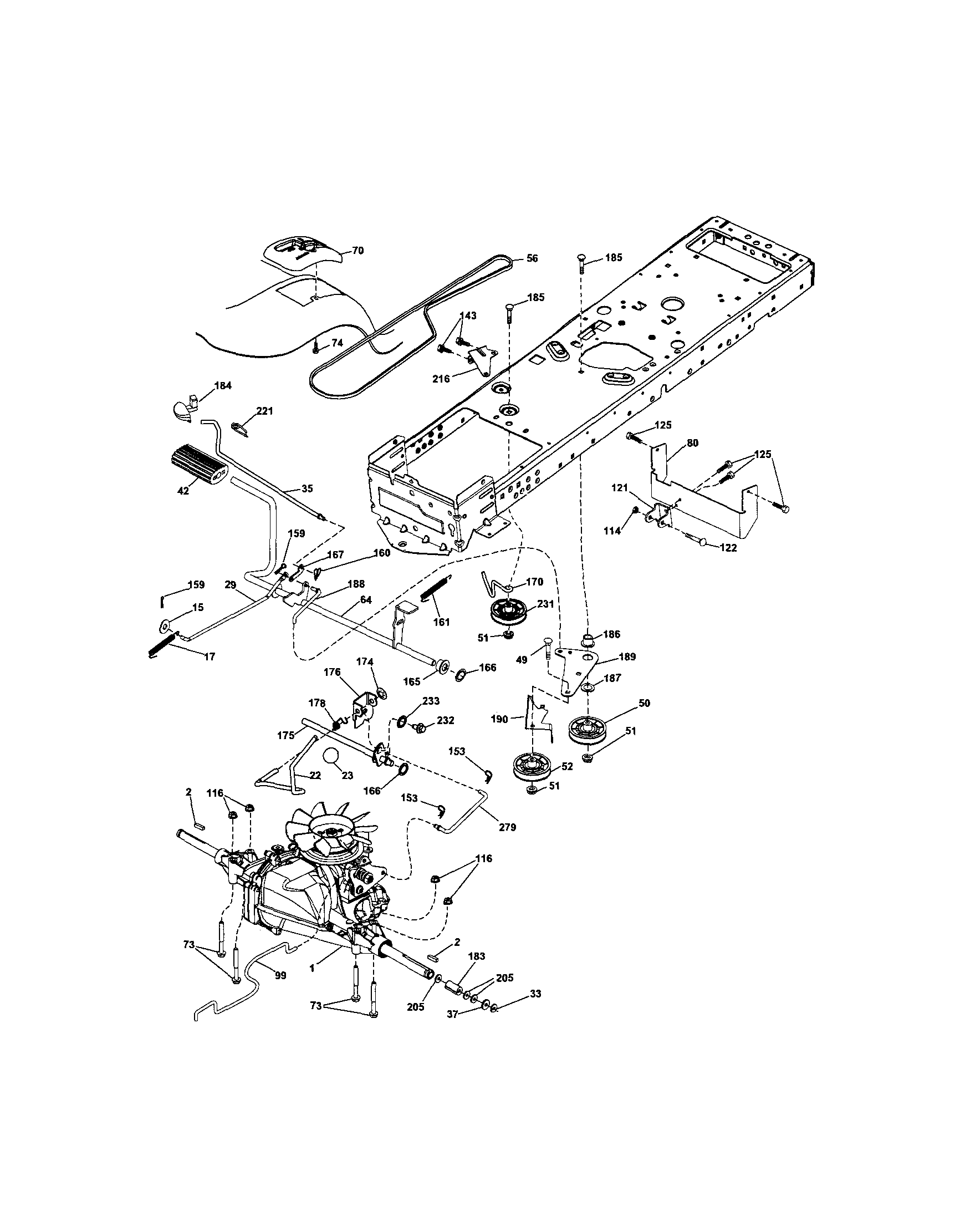
Lawn Tractor Ground Drive Fixed Idler Pulley#52

Ground drive Diagram

In Stock
$15.32 | 
12% OFF 
Phone Price: $17.32

Symptoms common to all riding mowers & tractors

Choose a symptom to see related riding mower and lawn tractor repairs.

Main causes: punctured tire or inner tube, leaky valve stem, damaged wheel rim
Main causes: worn or broken ground drive belt, bad seat switch, transaxle freewheel control engaged, transaxle failure, dirty carburetor
Main causes: shift lever needs adjustment, neutral control needs adjustment
Main causes: worn or broken blade belt, broken belt idler pulley, blade clutch cable failure, bad PTO switch, damaged mandrel pulleys
Main causes: damaged cutting blade, worn deck pulley, damaged mandrel pulley, loose fasteners on mower deck components
Main causes: engine overfilled with oil, leaky head gasket or sump gasket, damaged carburetor seals, cracked fuel pump, broken fuel line
Main causes: clogged carburetor, damaged flywheel key, dirty spark plug, stale fuel, improper valve lash, engine needs a tune up
Main causes: faulty battery, bad alternator
Main causes: unlevel mower deck, dull or damaged cutting blades, worn mandrel pulleys, bent mower deck, engine needs tune up

Repair guides common to all riding mowers & tractors

These step-by-step repair guides will help you safely fix what’s broken on your riding mower or lawn tractor.

January 1, 2015
By Lyle Weischwill
How to replace a riding lawn mower rear tire

Your mower can’t run on a damaged rear tire. Here’s how to install a new one.

Repair difficulty
Time required
 60 minutes or less
January 1, 2015
By Lyle Weischwill
How to replace a riding lawn mower blade

If a blade on your mower is dull or bent, replace it following the steps in this repair guide.

Repair difficulty
Time required
 30 minutes or less
January 1, 2015
By Lyle Weischwill
How to replace a riding lawn mower fuel filter

Help your mower run better by replacing the fuel filter during your riding mower's annual tune-up.

Repair difficulty
Time required
 15 minutes or less

Articles and videos common to all riding mowers & tractors

Use the advice and tips in these articles and videos to get the most out of your riding mower or lawn tractor.

February 11, 2023

Top 10 electric lawn and garden tools for 2023

By Lyle Weischwill

Learn about the top 10 must-have electric lawn & garden tools for 2023

August 6, 2020

How to remove a lawn mower blade using a removal tool

By Lyle Weischwill

Learn how a blade removal tool makes replacing the blade easier and safer

April 9, 2019

Riding mower parts and supplies to stock up on video

By Lyle Weischwill

Keep these 6 things on hand to keep the mower season running smoothly.