LG
Washer

Model #WM3431HW/00 Official LG washer

Here are the diagrams and repair parts for LG WM3431HW-00 washer, as well as links to manuals and error code tables, if available.

There are a couple of ways to find the part or diagram you need:

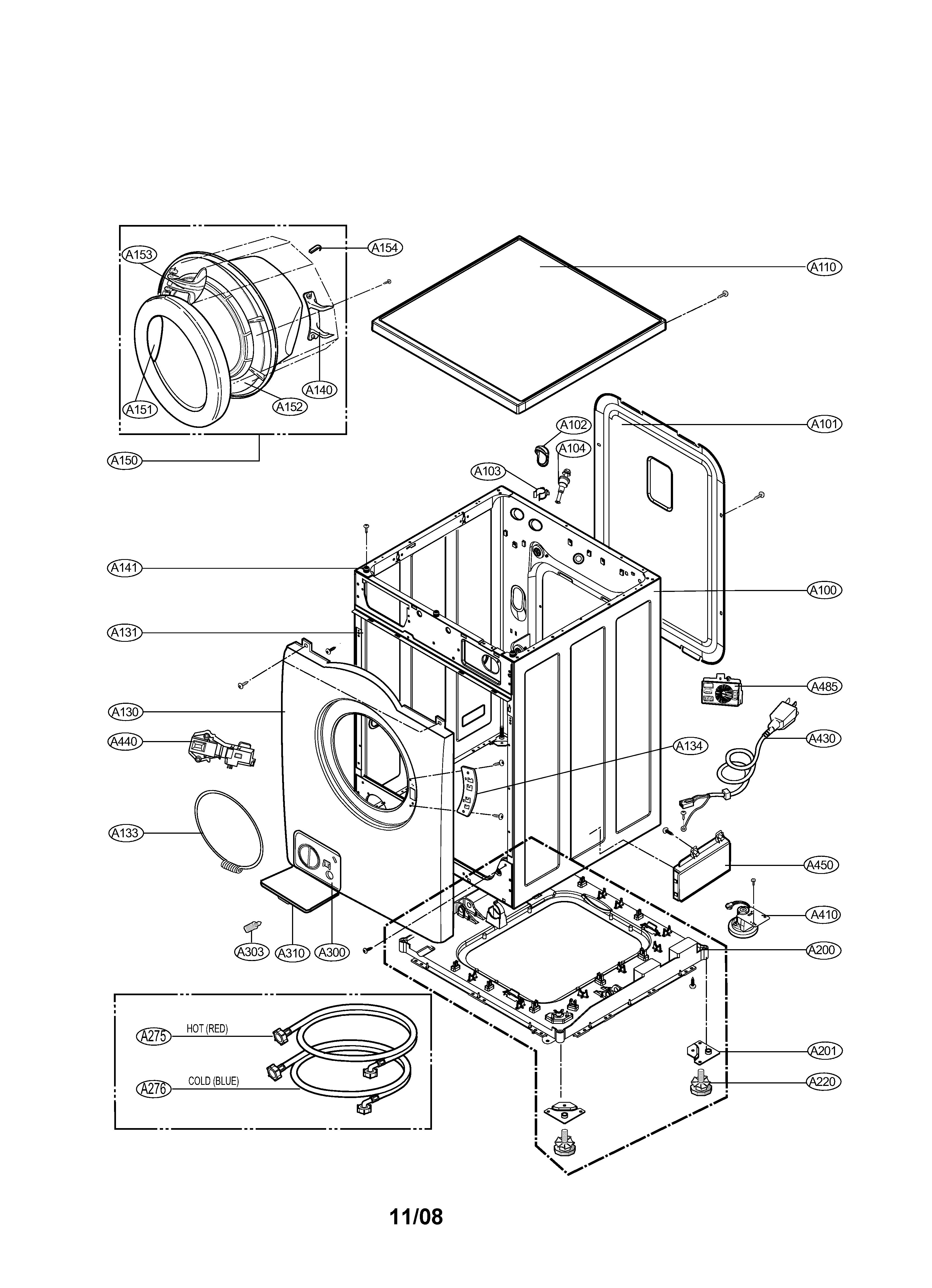
  • Click a diagram to see the parts shown on that diagram.
  • In the search box below, enter all or part of the part number or the part’s name.

Not all parts are shown on the diagrams—those parts are labeled NI, for “not illustrated”.

We encourage you to save the model to your profile, so it’s easy to access parts and manuals for your appliance whenever you log in.

For DIY troubleshooting advice and repair guides, visit our repair help section.

Owner’s manual

Showing 10 of 105 parts

Washer Drain Pump (replaces 4681EA1007G, 4681EA2001D, 4681EA2001U)#K340

Drum & tub Diagram

Washer drain pump assembly

Part #4681EA2001D
Replaced by #4681EA2001T
?
Manufacturer substitution
This part replaces 4681EA2001D. Substitute parts can look different from the original.
BEST SELLER
In Stock
$38.79 | 
11% OFF 
Phone Price: $43.79
Washer Single-Solenoid Water Inlet Valve (replaces 5220FR1280F, 5220FR2006L)#F170

Control panel & dispenser Diagram

In Stock
$16.15 | 
11% OFF 
Phone Price: $18.15
Washer Tub Bearing, Rear#K122

Drum & tub Diagram

Washer tub bearing, rear

Part #4280FR4048E
Replaced by #MAP61913707
?
Manufacturer substitution
This part replaces 4280FR4048E. Substitute parts can look different from the original.
BEST SELLER
In Stock
$25.52 | 
16% OFF 
Phone Price: $30.52
Washer Motor Rotor Position Sensor#K351

Drum & tub Diagram

Washer motor rotor position sensor

Part #6501KW2001A
Replaced by #6501KW2001B
?
Manufacturer substitution
This part replaces 6501KW2001A. Substitute parts can look different from the original.
BEST SELLER
In Stock
$23.63
Washer Drain Hose#F430

Control panel & dispenser Diagram

Pump hose

Part #5214FR3188G
Replaced by #5214FR3188G
?
Manufacturer substitution
This part replaces 5214FR3188G. Substitute parts can look different from the original.
In Stock
$27.79 | 
15% OFF 
Phone Price: $32.79
Washer/Dryer Combo Heater Safety Thermostat#M210

Dryer Diagram

Washer/dryer combo heater safety thermostat

Part #6931FR3108A
This item is not returnable
In Stock
$20.57 | 
20% OFF 
Phone Price: $25.57
Washer Drain Hose U-Bend Bracket#F432

Control panel & dispenser Diagram

Washer drain hose u-bend bracket

Part #3W50712A
This item is not returnable
In Stock
$5.51 | 
15% OFF 
Phone Price: $6.51
Washer Bolt#K123

Drum & tub Diagram

Washer bolt

Part #4040FR4051C
In Stock
$16.53 | 
11% OFF 
Phone Price: $18.53
Washer Hot Water Fill Hose#A275

Cabinet & cover Diagram

Washer hot water fill hose

Part #5215FD3715J
Replaced by #5215FD3715U
?
Manufacturer substitution
This part replaces 5215FD3715J. Substitute parts can look different from the original.
In Stock
$23.53 | 
18% OFF 
Phone Price: $28.53
Washer Thermistor Gasket

See All Related Diagrams

Washer thermistor gasket

Part #4036FR4050A
This item is not returnable
In Stock
$5.51 | 
15% OFF 
Phone Price: $6.51

Symptoms common to all washers

Choose a symptom to see related washer repairs.

Main causes: leaky water inlet valve, faulty water-level pressure switch, bad electronic control board
Main causes: lack of electrical power, wiring failure, bad power cord, electronic control board failure, bad user interface board
Main causes: water heater failure, bad water temperature switch, faulty control board, bad water valve, faulty water temperature sensor
Main causes: unbalanced load, loose spanner nut, worn drive block, broken shock absorber or suspension spring, debris in drain pump
Main causes: broken lid switch or lid lock, bad pressure switch, broken shifter assembly, faulty control system
Main causes: clogged drain hose, house drain clogged, bad drain pump, water-level pressure switch failure, bad control board or timer
Main causes: worn agitator dogs, bad clutch, broken motor coupler, shifter assembly failure, broken door lock, suspension component failure
Main causes: no water supply, bad water valves, water-level pressure switch failure, control system failure, bad door lock or lid switch
Main causes: bad lid switch or door lock, bad timer or electronic control board, wiring failure, bad water inlet valve assembly

Articles and videos common to all washers

Use the advice and tips in these articles and videos to get the most out of your washer.

January 3, 2022

Why is my washing machine leaking when not in use?

By Lyle Weischwill

Learn how to fix a washing machine leak

December 30, 2021

How to fix a washing machine

By Lyle Weischwill

Learn how to fix your broken washing machine

April 10, 2020

Cleaning your appliances after a drinking water advisory

By Julie Riebe

Find out how to clean and flush household appliances once a boil water advisory is lifted.