Kenmore Elite
Dryer

Model #11097731700 Official Kenmore Elite dryer

Here are the diagrams and repair parts for Kenmore Elite 11097731700 dryer, as well as links to manuals and error code tables, if available.

There are a couple of ways to find the part or diagram you need:

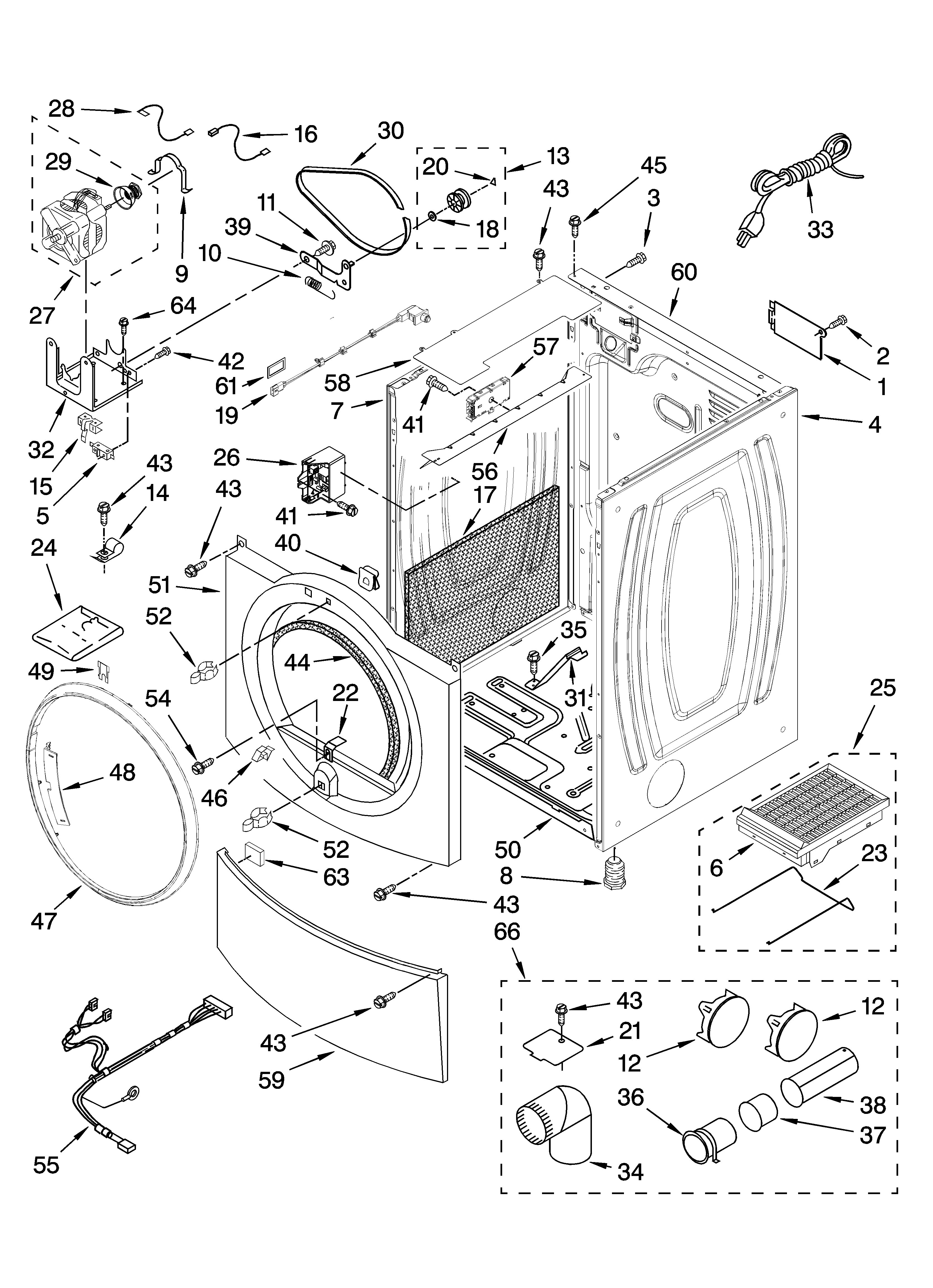
  • Click a diagram to see the parts shown on that diagram.
  • In the search box below, enter all or part of the part number or the part’s name.

Not all parts are shown on the diagrams—those parts are labeled NI, for “not illustrated”.

We encourage you to save the model to your profile, so it’s easy to access parts and manuals for your appliance whenever you log in.

For DIY troubleshooting advice and repair guides, visit our repair help section.

Owner’s manual

Showing 10 of 208 parts

Dryer Thermal Fuse, 195-degree F (replaces 3392519)#38

Bulkhead parts Diagram

Dryer thermal fuse

Part #3392519
Replaced by #WP3392519
?
Manufacturer substitution
This part replaces 3392519. Substitute parts can look different from the original.
BEST SELLER
In Stock
$18.31 | 
10% OFF 
Phone Price: $20.31
Dryer Repair Kit (replaces 2015, 80047)#NI

Door parts, optional parts (not included) Diagram

Dryer repair kit

Part #80047
Replaced by #4392067
?
Manufacturer substitution
This part replaces 80047. Substitute parts can look different from the original.
BEST SELLER
In Stock
$57.19 | 
8% OFF 
Phone Price: $62.19
Dryer Lint Screen (replaces 8066170, 8572268, W10049370, W10178353, W10596627)#31

Bulkhead parts Diagram

Screen

Part #W10049370
Replaced by #W10120998
?
Manufacturer substitution
This part replaces W10049370. Substitute parts can look different from the original.
BEST SELLER
In Stock
$56.26 | 
8% OFF 
Phone Price: $61.26
Dryer Thermistor (replaces 8577274)#42

Bulkhead parts Diagram

Dryer thermistor

Part #8577274
Replaced by #WP8577274
?
Manufacturer substitution
This part replaces 8577274. Substitute parts can look different from the original.
BEST SELLER
In Stock
$37.48 | 
12% OFF 
Phone Price: $42.48
Dryer Idler Pulley (replaces W10547287, W10547290)#39

Cabinet parts Diagram

Bracket

Part #3388674
Replaced by #W10837240
?
Manufacturer substitution
This part replaces 3388674. Substitute parts can look different from the original.
BEST SELLER
In Stock
$23.73 | 
17% OFF 
Phone Price: $28.73
Dryer Burner Igniter Kit (replaces 685211, 8113)#4

8576353 burner assembly Diagram

Igniter

Part #686590
Replaced by #279311
?
Manufacturer substitution
This part replaces 686590. Substitute parts can look different from the original.
BEST SELLER
In Stock
$36.80 | 
12% OFF 
Phone Price: $41.80
Dryer Valve Coil Kit (replaces 12001349, 279834BULK, 306106, 694539, 694540)#13

8576353 burner assembly Diagram

Dryer valve coil kit

Part #694540
Replaced by #279834
?
Manufacturer substitution
This part replaces 694540. Substitute parts can look different from the original.
BEST SELLER
In Stock
$28.91 | 
15% OFF 
Phone Price: $33.91
Dryer Valve Coil Kit (replaces 12001349, 279834BULK, 306106, 694539, 694540)#14

8576353 burner assembly Diagram

Dryer gas valve coil kit

Part #694539
Replaced by #279834
?
Manufacturer substitution
This part replaces 694539. Substitute parts can look different from the original.
BEST SELLER
In Stock
$28.91 | 
15% OFF 
Phone Price: $33.91
Dryer Drum Belt (replaces 661570)#30

Cabinet parts Diagram

Dryer drive belt

Part #3387610
Replaced by #661570V
?
Manufacturer substitution
This part replaces 3387610. Substitute parts can look different from the original.
BEST SELLER
In Stock
$29.92 | 
14% OFF 
Phone Price: $34.92
Dryer Moisture Sensor (replaces 3387223)#34

Bulkhead parts Diagram

Dryer moisture sensor

Part #3387223
Replaced by #WP3387223
?
Manufacturer substitution
This part replaces 3387223. Substitute parts can look different from the original.
BEST SELLER
This item is not returnable
In Stock
$6.49 | 
13% OFF 
Phone Price: $7.49

Symptoms common to all dryers

Choose a symptom to see related dryer repairs.

Main causes: bad drum support roller, damaged idler pulley, broken blower fan blade, worn drum glide bearing, bad drive motor
Main causes: bad gas valve coils, broken heating element, tripped safety thermostat or fuse, bad operating thermostat, control failure
Main causes: bad timer or electronic control board, door switch failure
Main causes: lack of electrical power, bad power cord, wiring failure, bad control board, blown thermal fuse, bad door switch
Main causes: clogged exhaust vent, bad motor relay, loose dryer door catch, bad door switch, control system failure, faulty drive motor
Main causes: damaged door strike, worn door catch
Main causes: door switch failure, lack of power, broken belt, blown thermal fuse, bad drive motor, control system failure
Main causes: clogged exhaust system, heating system failure, deposits on moisture sensor, control system failure

Repair guides common to all dryers

These step-by-step repair guides will help you safely fix what’s broken on your dryer.

August 1, 2014
Lyle Weischwill
How to replace a dryer drum support roller

If your dryer thumps or squeals, replace the drum support roller to restore quiet to your home.

Repair difficulty
Time required
 90 minutes or less
August 1, 2014
Lyle Weischwill
How to replace a dryer thermistor

The thermistor senses the air temperature in the dryer. If your dryer overheats or doesn't heat at all, the thermistor could be the problem.

Repair difficulty
Time required
 30 minutes or less
August 1, 2014
Lyle Weischwill
How to replace a dryer idler pulley

The idler pulley exerts pressure keeps the drive belt tight so it can rotate the drum. A worn idler pulley squeals or squeaks when the dryer is running. Follow these instructions to replace it.

Repair difficulty
Time required
 90 minutes or less

Articles and videos common to all dryers

Use the advice and tips in these articles and videos to get the most out of your dryer.

October 24, 2022

Easy DIY appliance repairs that anyone can do

Lyle Weischwill

Get advice on simple DIY fixes for appliances that you can safely do on your own.

January 4, 2022

How to replace a Maytag dryer heating element

Lyle Weischwill

Learn how to replace a Maytag dryer heating element

August 17, 2021

How to read a wiring schematic video

Lyle Weischwill

Learn how to decipher symbols so you can buy the right part for your problem.