Frigidaire
Washer

Model #FAFW3574KN0 Official Frigidaire front-loading washer

Here are the diagrams and repair parts for Frigidaire FAFW3574KN0 front-loading washer, as well as links to manuals and error code tables, if available.

There are a couple of ways to find the part or diagram you need:

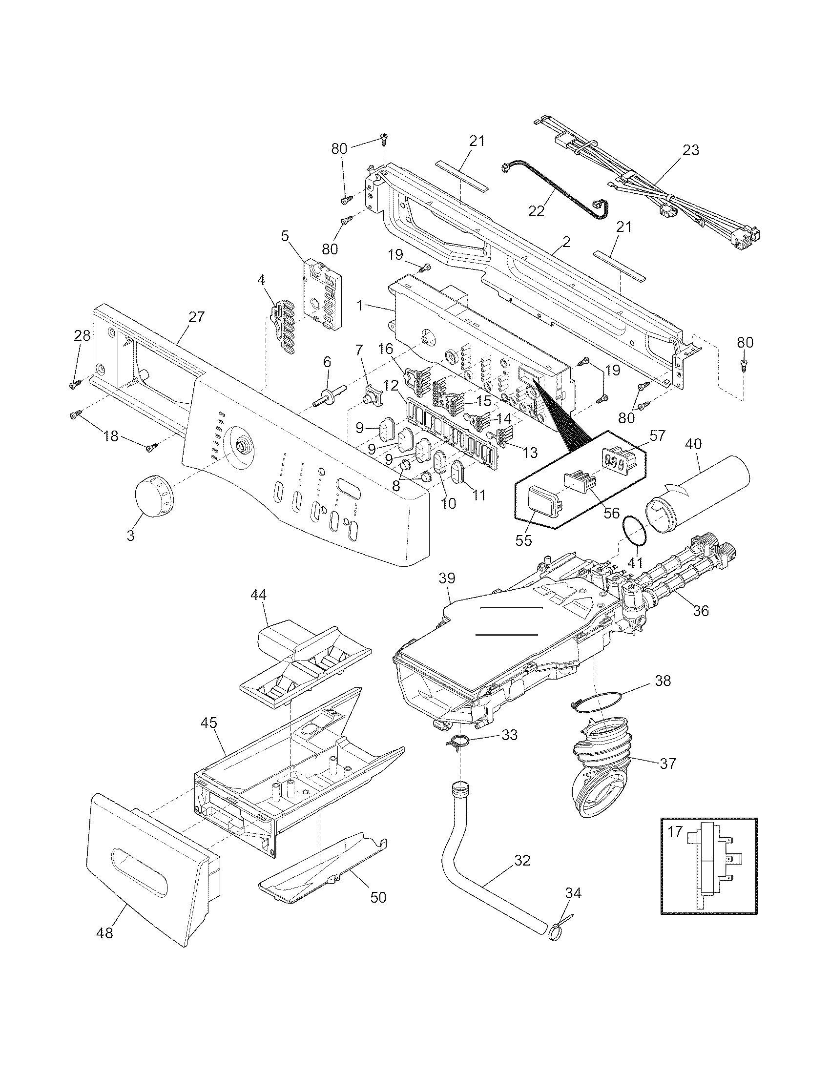
  • Click a diagram to see the parts shown on that diagram.
  • In the search box below, enter all or part of the part number or the part’s name.

Not all parts are shown on the diagrams—those parts are labeled NI, for “not illustrated”.

We encourage you to save the model to your profile, so it’s easy to access parts and manuals for your appliance whenever you log in.

For DIY troubleshooting advice and repair guides, visit our repair help section.

Installation guideOwner’s manual

Showing 10 of 244 parts

Washer Door Lock Assembly (replaces 131763255)#8

Cabinet/top Diagram

Washer door lock assembly

Part #131763202
Replaced by #131763256
?
Manufacturer substitution
This part replaces 131763202. Substitute parts can look different from the original.
BEST SELLER
In Stock
$76.29 | 
6% OFF 
Phone Price: $81.29
Washer Drain Pump (replaces 137108100, 137151900KIT)#35

Motor/tub Diagram

Water pump

Part #137108100
Replaced by #137221600
?
Manufacturer substitution
This part replaces 137108100. Substitute parts can look different from the original.
BEST SELLER
In Stock
$102.90 | 
29% OFF 
MSRP: $145.78
Washer Door Strike#14

Cabinet/top Diagram

Strike

Part #134456602
Replaced by #131763302
?
Manufacturer substitution
This part replaces 134456602. Substitute parts can look different from the original.
BEST SELLER
This item is not returnable
In Stock
$14.59 | 
12% OFF 
Phone Price: $16.59
Washer Door Boot Spring Clamp#49

Motor/tub Diagram

In Stock
$33.89 | 
13% OFF 
Phone Price: $38.89
Washer Outer Tub Gasket#21

Motor/tub Diagram

Washer outer tub gasket

Part #134361900
Replaced by #5304520351
?
Manufacturer substitution
This part replaces 134361900. Substitute parts can look different from the original.
In Stock
$78.49 | 
6% OFF 
Phone Price: $83.49
Washer Baffle Screw

Washer baffle screw

Part #131302800
In Stock
$14.09 | 
12% OFF 
Phone Price: $16.09
Washer Baffle Screw#9

Cabinet/top Diagram

Siphon screw

Part #131303300
Replaced by #131302800
?
Manufacturer substitution
This part replaces 131303300. Substitute parts can look different from the original.
In Stock
$14.09 | 
12% OFF 
Phone Price: $16.09
Washer Dispenser Inlet Gasket#NI

Control panel Diagram

Washer dispenser inlet gasket

Part #134371300
This item is not returnable
In Stock
$43.89 | 
10% OFF 
Phone Price: $48.89
Washer Leveling Leg#36

Cabinet/top Diagram

Washer leveling leg

Part #134548800
This item is not returnable
In Stock
$14.57 | 
12% OFF 
Phone Price: $16.57
Washer Dispenser Drawer Insert#44

Control panel Diagram

In Stock
$33.49 | 
13% OFF 
Phone Price: $38.49

Symptoms common to all washers

Choose a symptom to see related washer repairs.

Main causes: leaky water inlet valve, faulty water-level pressure switch, bad electronic control board
Main causes: lack of electrical power, wiring failure, bad power cord, electronic control board failure, bad user interface board
Main causes: water heater failure, bad water temperature switch, faulty control board, bad water valve, faulty water temperature sensor
Main causes: unbalanced load, loose spanner nut, worn drive block, broken shock absorber or suspension spring, debris in drain pump
Main causes: broken lid switch or lid lock, bad pressure switch, broken shifter assembly, faulty control system
Main causes: clogged drain hose, house drain clogged, bad drain pump, water-level pressure switch failure, bad control board or timer
Main causes: worn agitator dogs, bad clutch, broken motor coupler, shifter assembly failure, broken door lock, suspension component failure
Main causes: no water supply, bad water valves, water-level pressure switch failure, control system failure, bad door lock or lid switch
Main causes: bad lid switch or door lock, bad timer or electronic control board, wiring failure, bad water inlet valve assembly

Articles and videos common to all washers

Use the advice and tips in these articles and videos to get the most out of your washer.

January 3, 2022

Why is my washing machine leaking when not in use?

By Lyle Weischwill

Learn how to fix a washing machine leak

December 30, 2021

How to fix a washing machine

By Lyle Weischwill

Learn how to fix your broken washing machine

April 10, 2020

Cleaning your appliances after a drinking water advisory

By Julie Riebe

Find out how to clean and flush household appliances once a boil water advisory is lifted.