Speed Queen
Washer

Model #SWFF71NN3050 Official Speed Queen commercial washer

Here are the diagrams and repair parts for Speed Queen SWFF71NN3050 commercial washer, as well as links to manuals and error code tables, if available.

There are a couple of ways to find the part or diagram you need:

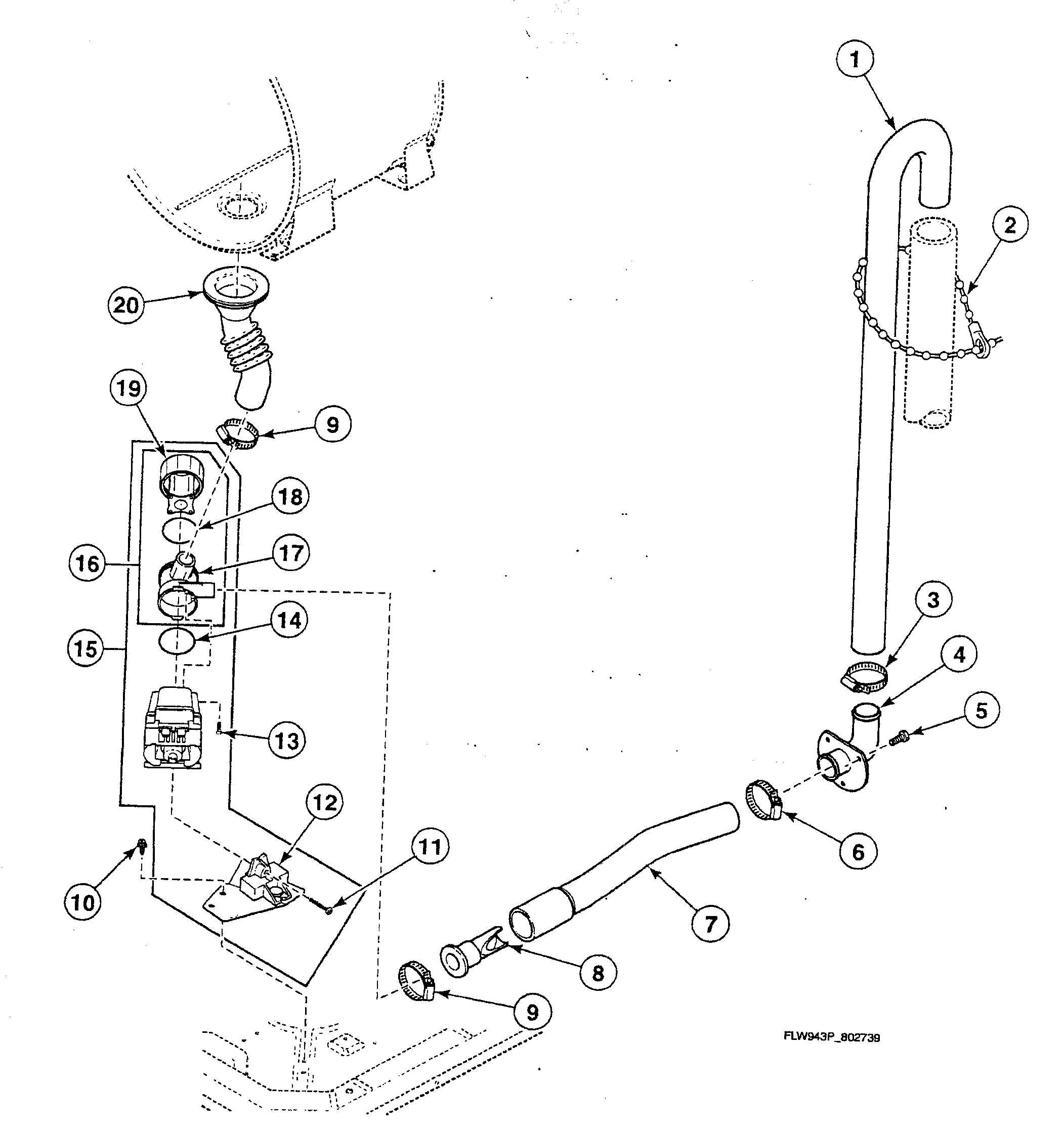
  • Click a diagram to see the parts shown on that diagram.
  • In the search box below, enter all or part of the part number or the part’s name.

Not all parts are shown on the diagrams—those parts are labeled NI, for “not illustrated”.

We encourage you to save the model to your profile, so it’s easy to access parts and manuals for your appliance whenever you log in.

For DIY troubleshooting advice and repair guides, visit our repair help section.

Showing 10 of 213 parts

Screw

See All Related Diagrams

Screw

Part #503688

The manufacturer no longer makes this part, and there's no substitute part

Washer#11

Motor assy Diagram

Washer

Part #52549

The manufacturer no longer makes this part, and there's no substitute part

AC Cord#11

Power cord Diagram

Ac cord

Part #39931

The manufacturer no longer makes this part, and there's no substitute part

Clip#17

Tub assy Diagram

Clip

Part #00161

The manufacturer no longer makes this part, and there's no substitute part

Commercial Laundry Appliance Coin Box Ratchet Tool#2

Tools Diagram

Commercial laundry appliance coin box ratchet tool

Part #310P4

The manufacturer no longer makes this part, and there's no substitute part

Damper#19

Front assy Diagram

Damper

Part #685368

The manufacturer no longer makes this part, and there's no substitute part

Screw

See All Related Diagrams

Screw

Part #M400043

The manufacturer no longer makes this part, and there's no substitute part

Levelr Leg#16

Cabinet assy Diagram

Levelr leg

Part #34319

The manufacturer no longer makes this part, and there's no substitute part

Mounting Tool#1

Tools Diagram

Mounting tool

Part #CK096

The manufacturer no longer makes this part, and there's no substitute part

Dispenser#15

Dispenser Diagram

Dispenser

Part #801090P

The manufacturer no longer makes this part, and there's no substitute part

Symptoms common to all washers

Choose a symptom to see related washer repairs.

Main causes: leaky water inlet valve, faulty water-level pressure switch, bad electronic control board
Main causes: lack of electrical power, wiring failure, bad power cord, electronic control board failure, bad user interface board
Main causes: water heater failure, bad water temperature switch, faulty control board, bad water valve, faulty water temperature sensor
Main causes: unbalanced load, loose spanner nut, worn drive block, broken shock absorber or suspension spring, debris in drain pump
Main causes: broken lid switch or lid lock, bad pressure switch, broken shifter assembly, faulty control system
Main causes: clogged drain hose, house drain clogged, bad drain pump, water-level pressure switch failure, bad control board or timer
Main causes: worn agitator dogs, bad clutch, broken motor coupler, shifter assembly failure, broken door lock, suspension component failure
Main causes: no water supply, bad water valves, water-level pressure switch failure, control system failure, bad door lock or lid switch
Main causes: bad lid switch or door lock, bad timer or electronic control board, wiring failure, bad water inlet valve assembly

Articles and videos common to all washers

Use the advice and tips in these articles and videos to get the most out of your washer.

January 3, 2022

Why is my washing machine leaking when not in use?

By Lyle Weischwill

Learn how to fix a washing machine leak

December 30, 2021

How to fix a washing machine

By Lyle Weischwill

Learn how to fix your broken washing machine

April 10, 2020

Cleaning your appliances after a drinking water advisory

By Julie Riebe

Find out how to clean and flush household appliances once a boil water advisory is lifted.