Craftsman
Front-Engine Lawn Tractor

Model #502254982 Official Craftsman 12-hp tractor

Here are the diagrams and repair parts for Craftsman 502254982 12-hp tractor, as well as links to manuals and error code tables, if available.

There are a couple of ways to find the part or diagram you need:

  • Click a diagram to see the parts shown on that diagram.
  • In the search box below, enter all or part of the part number or the part’s name.

Not all parts are shown on the diagrams—those parts are labeled NI, for “not illustrated”.

We encourage you to save the model to your profile, so it’s easy to access parts and manuals for your appliance whenever you log in.

For DIY troubleshooting advice and repair guides, visit our repair help section.

Showing 10 of 253 parts

Lawn & Garden Equipment Ring Clip#57

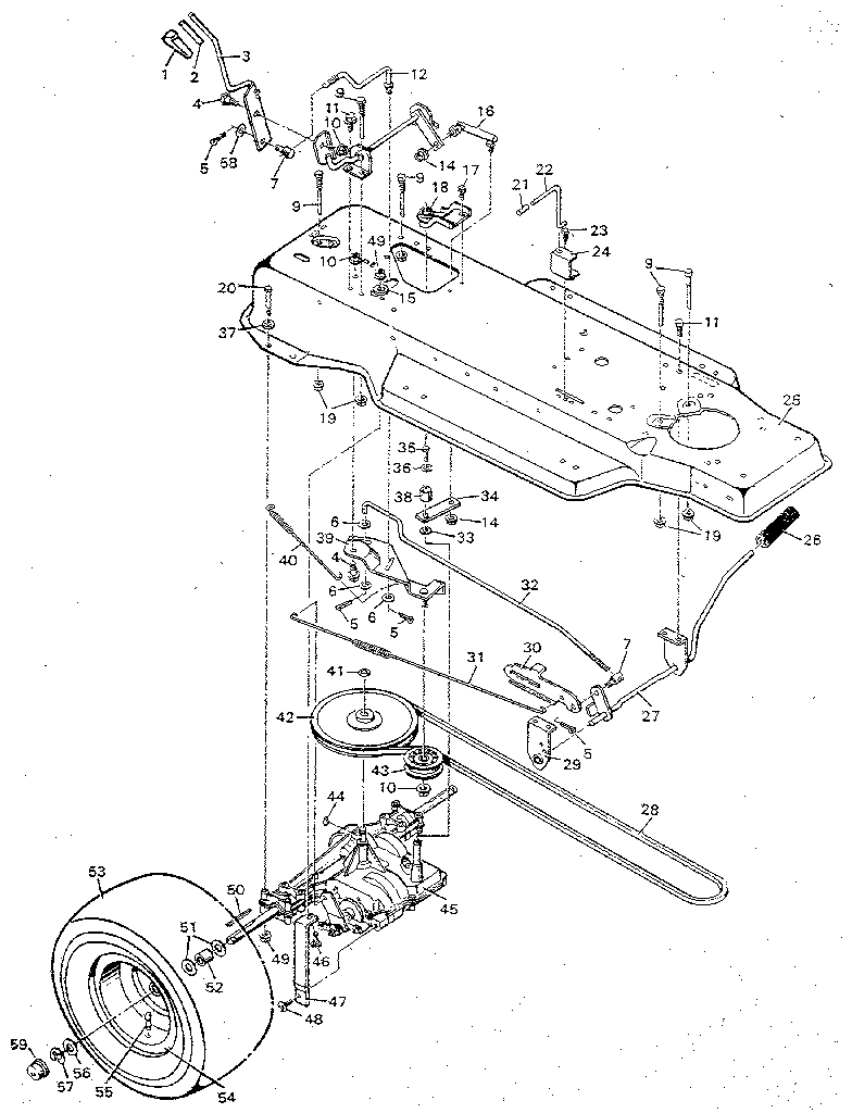
Motion drive Diagram

E-ring

Part #STD581075
Replaced by #812000029
?
Manufacturer substitution
This part replaces STD581075. Substitute parts can look different from the original.
BEST SELLER
This item is not returnable
In Stock
$1.91 | 
34% OFF 
Phone Price: $2.91
Lawn Tractor Starter Solenoid#9

Wiring Diagram

Solenoid

Part #24285
Replaced by #7701100MA
?
Manufacturer substitution
This part replaces 24285. Substitute parts can look different from the original.
BEST SELLER
In Stock
$23.49 | 
22% OFF 
MSRP: $30.00
Lawn Tractor Fuel Tank Cap#1

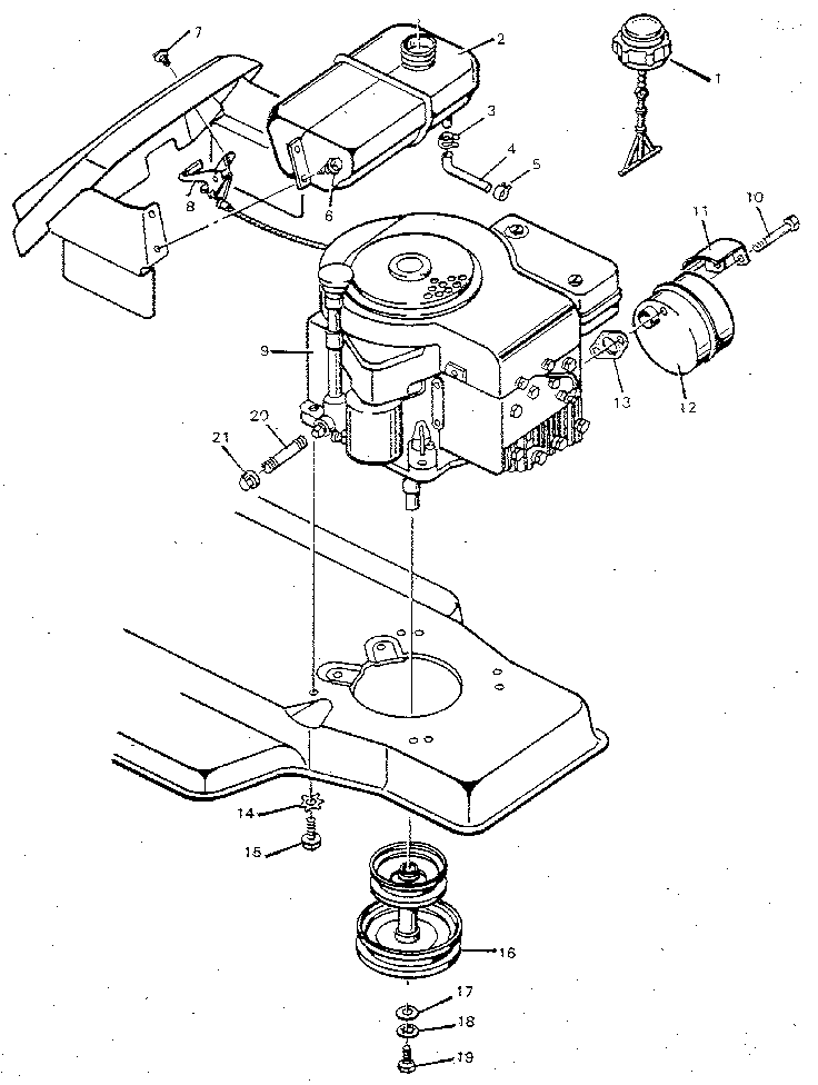
Engine mount Diagram

Fuel cap

Part #55989
Replaced by #092317MA
?
Manufacturer substitution
This part replaces 55989. Substitute parts can look different from the original.
This item is not returnable
In Stock
$11.39 | 
15% OFF 
Phone Price: $13.39
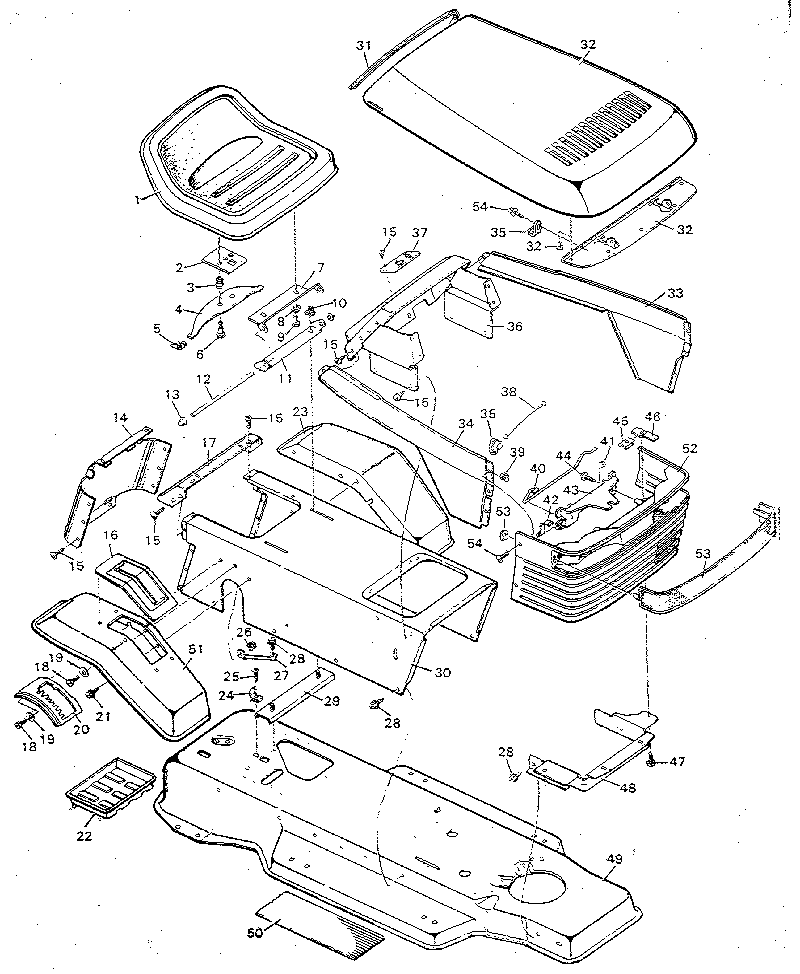
Washer#19

Chassis & hood Diagram

Washer

Part #17X38Z

The manufacturer no longer makes this part, and there's no substitute part

Lawn Tractor Drag Link#15

Steering Diagram

Drag link

Part #91749E701
Replaced by #091749E701MA
?
Manufacturer substitution
This part replaces 91749E701. Substitute parts can look different from the original.
In Stock
$51.59 | 
9% OFF 
Phone Price: $56.59
Snowblower Ignition Key#13

Wiring Diagram

Key

Part #91275
Replaced by #691959
?
Manufacturer substitution
This part replaces 91275. Substitute parts can look different from the original.
This item is not returnable
In Stock
$9.89 | 
9% OFF 
Phone Price: $10.89
Lawn Tractor Reverse Switch#17

Wiring Diagram

Switch

Part #24273
Replaced by #5021451SM
?
Manufacturer substitution
This part replaces 24273. Substitute parts can look different from the original.
This item is not returnable
In Stock
$12.56
Lawn & Garden Equipment Washer#54

Mower housing Diagram

Washer

Part #17X166
Replaced by #17X166MA
?
Manufacturer substitution
This part replaces 17X166. Substitute parts can look different from the original.
This item is not returnable
In Stock
$22.49 | 
18% OFF 
Phone Price: $27.49
Lawn Tractor Ground Drive Belt#28

Motion drive Diagram

V-belt

Part #37X61
Replaced by #37X61MA
?
Manufacturer substitution
This part replaces 37X61. Substitute parts can look different from the original.

Get free shipping with Automatic Reorder

In Stock
$36.81
Lawn Tractor 40-in Deck Blade#53

Mower housing Diagram

Lawn mower blade

Part #91871E701
Replaced by #091871E701MA
?
Manufacturer substitution
This part replaces 91871E701. Substitute parts can look different from the original.
This item is not returnable

Get free shipping with Automatic Reorder

In Stock
$24.59 | 
17% OFF 
Phone Price: $29.59

Symptoms common to all riding mowers & tractors

Choose a symptom to see related riding mower and lawn tractor repairs.

Main causes: punctured tire or inner tube, leaky valve stem, damaged wheel rim
Main causes: worn or broken ground drive belt, bad seat switch, transaxle freewheel control engaged, transaxle failure, dirty carburetor
Main causes: shift lever needs adjustment, neutral control needs adjustment
Main causes: worn or broken blade belt, broken belt idler pulley, blade clutch cable failure, bad PTO switch, damaged mandrel pulleys
Main causes: damaged cutting blade, worn deck pulley, damaged mandrel pulley, loose fasteners on mower deck components
Main causes: engine overfilled with oil, leaky head gasket or sump gasket, damaged carburetor seals, cracked fuel pump, broken fuel line
Main causes: clogged carburetor, damaged flywheel key, dirty spark plug, stale fuel, improper valve lash, engine needs a tune up
Main causes: faulty battery, bad alternator
Main causes: unlevel mower deck, dull or damaged cutting blades, worn mandrel pulleys, bent mower deck, engine needs tune up

Repair guides common to all riding mowers & tractors

These step-by-step repair guides will help you safely fix what’s broken on your riding mower or lawn tractor.

January 1, 2015
By Lyle Weischwill
How to replace a riding lawn mower rear tire

Your mower can’t run on a damaged rear tire. Here’s how to install a new one.

Repair difficulty
Time required
 60 minutes or less
January 1, 2015
By Lyle Weischwill
How to replace a riding lawn mower blade

If a blade on your mower is dull or bent, replace it following the steps in this repair guide.

Repair difficulty
Time required
 30 minutes or less
January 1, 2015
By Lyle Weischwill
How to replace a riding lawn mower fuel filter

Help your mower run better by replacing the fuel filter during your riding mower's annual tune-up.

Repair difficulty
Time required
 15 minutes or less

Articles and videos common to all riding mowers & tractors

Use the advice and tips in these articles and videos to get the most out of your riding mower or lawn tractor.

February 11, 2023

Top 10 electric lawn and garden tools for 2023

By Lyle Weischwill

Learn about the top 10 must-have electric lawn & garden tools for 2023

August 6, 2020

How to remove a lawn mower blade using a removal tool

By Lyle Weischwill

Learn how a blade removal tool makes replacing the blade easier and safer

April 9, 2019

Riding mower parts and supplies to stock up on video

By Lyle Weischwill

Keep these 6 things on hand to keep the mower season running smoothly.