Eureka
Upright Vacuum

Model #SC4570BT Official Eureka sanitaire commercial upright vacuum cleaner

Here are the diagrams and repair parts for Eureka SC4570BT sanitaire commercial upright vacuum cleaner, as well as links to manuals and error code tables, if available.

There are a couple of ways to find the part or diagram you need:

  • Click a diagram to see the parts shown on that diagram.
  • In the search box below, enter all or part of the part number or the part’s name.

Not all parts are shown on the diagrams—those parts are labeled NI, for “not illustrated”.

We encourage you to save the model to your profile, so it’s easy to access parts and manuals for your appliance whenever you log in.

For DIY troubleshooting advice and repair guides, visit our repair help section.

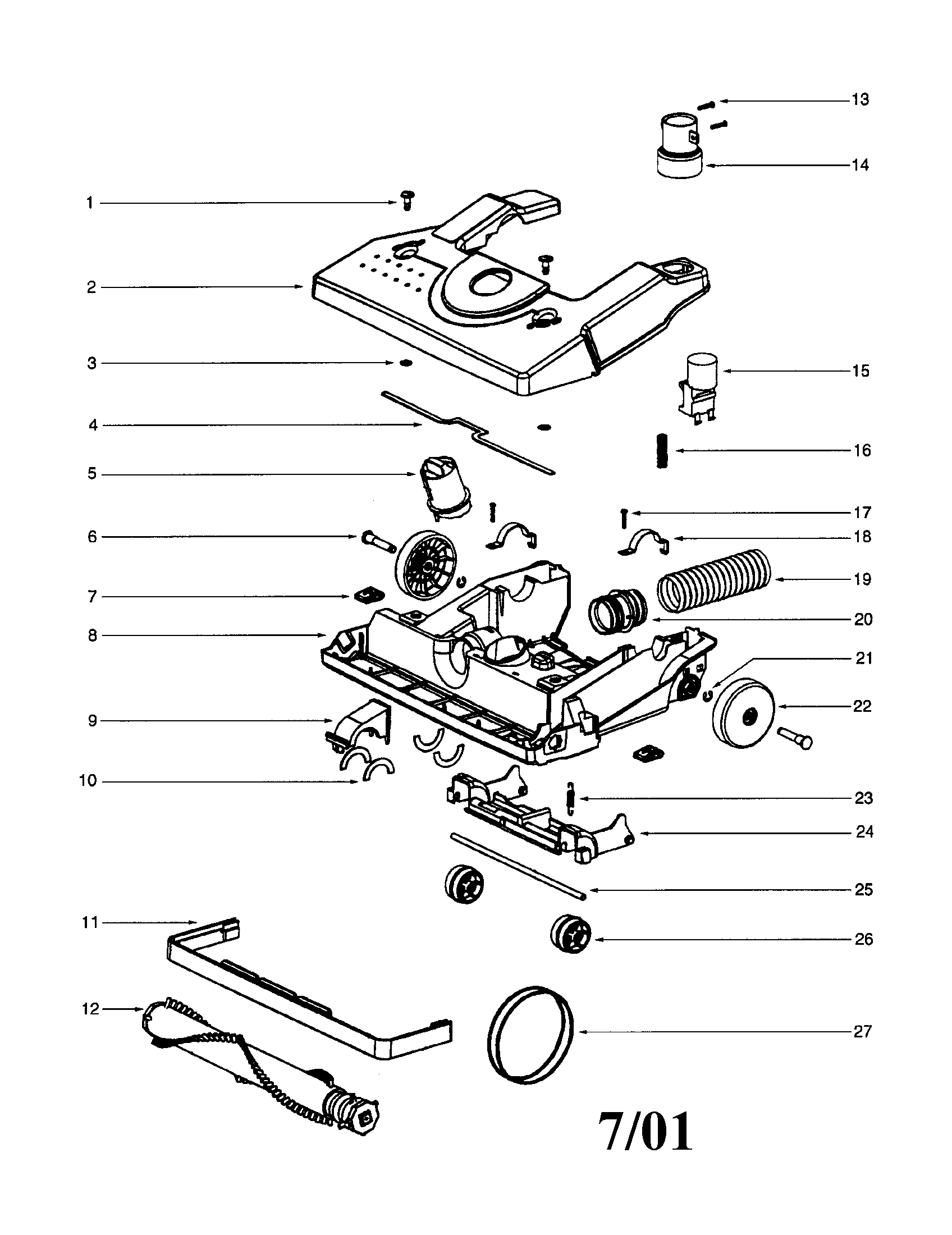
Showing 10 of 86 parts

Bag, 3-pack#4

Hose Diagram

Bag, 3-pack

Part #58623A

The manufacturer no longer makes this part, and there's no substitute part

Cuff Hose#14

Base Diagram

Cuff hose

Part #27468D-119N

The manufacturer no longer makes this part, and there's no substitute part

Air Duct#30

Motor cover Diagram

Air duct

Part #15408B-119N

The manufacturer no longer makes this part, and there's no substitute part

Cord#8

Handle Diagram

Cord

Part #38680-19

The manufacturer no longer makes this part, and there's no substitute part

Grip#1

Handle Diagram

Grip

Part #15597-288N

The manufacturer no longer makes this part, and there's no substitute part

Vacuum Screw, 10-pack#22

Handle Diagram

Vacuum screw, 10-pack

Part #53238-18

The manufacturer no longer makes this part, and there's no substitute part

Spring#20

Handle Diagram

Spring

Part #60945

The manufacturer no longer makes this part, and there's no substitute part

Retainer#3

Base Diagram

Retainer

Part #60941

The manufacturer no longer makes this part, and there's no substitute part

Vacuum Hose#1

Hose Diagram

Vacuum hose

Part #60920-2

The manufacturer no longer makes this part, and there's no substitute part

Gasket#5

Motor cover Diagram

Gasket

Part #38613

The manufacturer no longer makes this part, and there's no substitute part

Symptoms common to all vacuum cleaners

Choose a symptom to see related vacuum cleaner repairs.

Main causes: damaged vacuum hose, clogged motor air filter, bad suction motor
Main causes: broken drive belt, damaged brush roll, tripped brush roll motor overload, bad brush roll motor, wiring failure
Main causes: lack of power, bad power cord, drive motor failure, wiring failure
Main causes: weak suction motor, vacuum bag is full, clog in suction air path, dirty exhaust filter, leaky vacuum hose

Articles and videos common to all vacuum cleaners

Use the advice and tips in these articles and videos to get the most out of your vacuum.

January 5, 2015

10 must-have tools for appliance repair

By Lyle Weischwill

Come see which tools made our top 10 must-haves for DIY appliance repair.

December 18, 2014

Deciding between a canister or upright vacuum

By Lyle Weischwill

Undecided about canister or upright? We compare them.

July 1, 2013

Vacuum common questions

By Lyle Weischwill

Find the answers to frequently asked questions about vacuum cleaners.