Craftsman
Table Saw

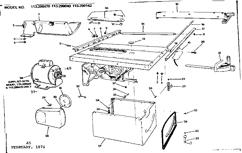
Model #113299040 Official Craftsman 10" table saw

Here are the diagrams and repair parts for Craftsman 113299040 10" table saw, as well as links to manuals and error code tables, if available.

There are a couple of ways to find the part or diagram you need:

  • Click a diagram to see the parts shown on that diagram.
  • In the search box below, enter all or part of the part number or the part’s name.

Not all parts are shown on the diagrams—those parts are labeled NI, for “not illustrated”.

We encourage you to save the model to your profile, so it’s easy to access parts and manuals for your appliance whenever you log in.

For DIY troubleshooting advice and repair guides, visit our repair help section.

Owner’s manual

Showing 10 of 177 parts

Washer#6

Guard assembly Diagram

Washer

Part #STD551025

The manufacturer no longer makes this part, and there's no substitute part

Plain Washer

See All Related Diagrams

Plain washer

Part #STD551031

The manufacturer no longer makes this part, and there's no substitute part

Machine Screw#2

Unit housing Diagram

Machine screw

Part #STD522506

The manufacturer no longer makes this part, and there's no substitute part

V Pulley#48

Motor base assembly Diagram

V pulley

Part #30646

The manufacturer no longer makes this part, and there's no substitute part

Screw#1

Legs Diagram

Screw

Part #60314

The manufacturer no longer makes this part, and there's no substitute part

Machine Screw#26

Motor base assembly Diagram

Machine screw

Part #STD523710

The manufacturer no longer makes this part, and there's no substitute part

Power Tool Washer#43

Motor base assembly Diagram

Power tool washer

Part #30767

The manufacturer no longer makes this part, and there's no substitute part

Table Saw Motor Clamp#40

Unit housing Diagram

Table saw motor clamp

Part #64089

The manufacturer no longer makes this part, and there's no substitute part

Table Saw Steel Pin#5

Guard assembly Diagram

Table saw steel pin

Part #62390

The manufacturer no longer makes this part, and there's no substitute part

Table Saw Rip Fence Guide Spacer#18

Unit housing Diagram

Table saw rip fence guide spacer

Part #62539

The manufacturer no longer makes this part, and there's no substitute part

Symptoms for table saws

Choose a symptom to see related table saw repairs.

Main causes: saw dust build up, blade elevating and tilting mechanisms need lubrication
Main causes: worn motor brushes, bad drive motor, faulty overload switch, using an improper extension cord, binding saw blade
Main causes: blade alignment needs adjustment, worn blade, bevel positive stops need adjustments, bevel pointer needs adjustment
Main causes: lack of power, broken on/off switch, bad motor overload, broken power cord, bad drive motor
Main causes: dirty saw blade, dull or damaged saw blade, blade alignment needs adjustment
Main causes: worn motor brushes, faulty drive motor, using an improper extension cord

Repair guides for table saws

These step-by-step repair guides will help you safely fix what’s broken on your table saw.

April 1, 2015
By Lyle Weischwill
How to adjust a table saw blade

If the table saw isn’t cutting parallel to the miter gauge groove, adjust the cutting blade following the instructions in this repair guide.

Repair difficulty
Time required
 30 minutes or less
April 1, 2015
By Lyle Weischwill
How to replace a table saw drive motor

You can replace a table saw drive motor that is weak or won't run. Here’s how.

Repair difficulty
Time required
 45 minutes or less
April 1, 2015
By Lyle Weischwill
How to replace a table saw blade

If the table saw blade is dull or damaged, use these simple steps to replace it.

Repair difficulty
Time required
 15 minutes or less

Articles and videos for table saws

Use the advice and tips in these articles to get the most out of your table saw.

August 30, 2022

How to enjoy all the online benefits we offer on our Sears PartsDirect website

By Lyle Weischwill

Learn about all the convenient features on our Sears PartsDirect website that make your parts purchases easier.

January 18, 2016

How to use a multimeter to test electrical parts video

By Lyle Weischwill

Learn how to use a multimeter to check for wiring problems in an appliance that's not working

March 23, 2015

How to make basic cuts with a table saw

By Lyle Weischwill

Learn how to make basic cuts using a table saw.