Whirlpool
Trash Compactor

Model #TU8100XTP3 Official Whirlpool compactor

Here are the diagrams and repair parts for Whirlpool TU8100XTP3 compactor, as well as links to manuals and error code tables, if available.

There are a couple of ways to find the part or diagram you need:

  • Click a diagram to see the parts shown on that diagram.
  • In the search box below, enter all or part of the part number or the part’s name.

Not all parts are shown on the diagrams—those parts are labeled NI, for “not illustrated”.

We encourage you to save the model to your profile, so it’s easy to access parts and manuals for your appliance whenever you log in.

For DIY troubleshooting advice and repair guides, visit our repair help section.

Showing 10 of 156 parts

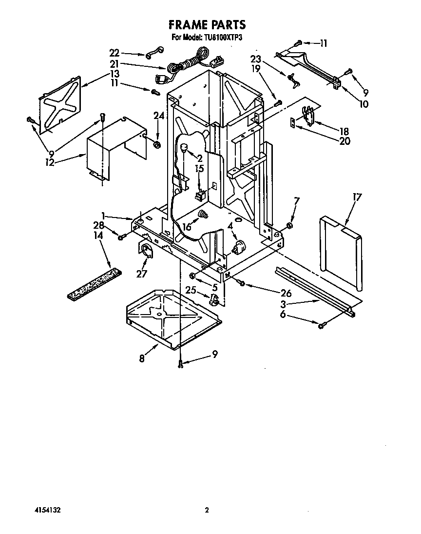
Trash Compactor Drive Gear Kit#10

Motor and drive Diagram

Gear

Part #777124
Replaced by #882699
?
Manufacturer substitution
This part replaces 777124. Substitute parts can look different from the original.
BEST SELLER
Back Order
$50.15 | 
9% OFF 
Phone Price: $55.15
Trash Compactor Drive Gear Kit#6

Motor and drive Diagram

Drive gear

Part #4149667
Replaced by #882699
?
Manufacturer substitution
This part replaces 4149667. Substitute parts can look different from the original.
BEST SELLER
Back Order
$50.15 | 
9% OFF 
Phone Price: $55.15
Appliance Spray Paint (White) (replaces 094566-64, 206923, 2780-0001, 4395978, 5303203125, 66208, 788343, 799343, 799433, 99343, A0050702, F94566-010, Y057937, Y350930)#11J

Accessory parts Diagram

Paint (white)

Part #350930
Replaced by #350930
?
Manufacturer substitution
This part replaces 350930. Substitute parts can look different from the original.
BEST SELLER
This item is not returnable
In Stock
$15.69 | 
11% OFF 
Phone Price: $17.69
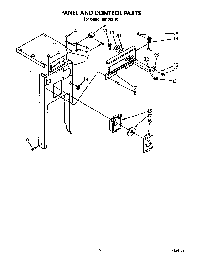
Trash Compactor Top Limit and Directional Switch#18

Frame Diagram

Trash compactor top limit and directional switch

Part #777811
Replaced by #WP777811
?
Manufacturer substitution
This part replaces 777811. Substitute parts can look different from the original.
BEST SELLER
In Stock
$39.77 | 
11% OFF 
Phone Price: $44.77
Trash Compactor Foot Pedal#14

Container Diagram

Foot pedal

Part #4149672
Replaced by #882657
?
Manufacturer substitution
This part replaces 4149672. Substitute parts can look different from the original.
BEST SELLER
Back Order
$55.59 | 
8% OFF 
Phone Price: $60.59
Trash Compactor Power Nut#15

Powerscrew and ram Diagram

Trash compactor power nut

Part #777533
Replaced by #WP777533
?
Manufacturer substitution
This part replaces 777533. Substitute parts can look different from the original.
BEST SELLER
In Stock
$30.89 | 
14% OFF 
Phone Price: $35.89
Appliance Screw, 10-16 x 1/2-in#19

Powerscrew and ram Diagram

Screw

Part #777595
Replaced by #WP681414
?
Manufacturer substitution
This part replaces 777595. Substitute parts can look different from the original.
This item is not returnable
In Stock
$4.39 | 
19% OFF 
Phone Price: $5.39
Trash Compactor Container Spring#16

Frame Diagram

Trash compactor container spring

Part #777180
Replaced by #WP777180
?
Manufacturer substitution
This part replaces 777180. Substitute parts can look different from the original.
In Stock
$32.89 | 
13% OFF 
Phone Price: $37.89
Appliance Screw

See All Related Diagrams

Screw

Part #776076
Replaced by #WP489069
?
Manufacturer substitution
This part replaces 776076. Substitute parts can look different from the original.
This item is not returnable
In Stock
$4.39 | 
19% OFF 
Phone Price: $5.39
Appliance Screw#8

Container Diagram

Screw

Part #777465
Replaced by #WP489069
?
Manufacturer substitution
This part replaces 777465. Substitute parts can look different from the original.
This item is not returnable
In Stock
$4.39 | 
19% OFF 
Phone Price: $5.39

Symptoms common to all trash compactors

Choose a symptom to see related trash compactor repairs.

Main causes: bent drawer support rollers, damaged trash container
Main causes: stripped or broken power nuts, broken or disconnected drive gear and sprocket chain, damaged drive parts
Main causes: broken drive gear and sprocket chain, stripped power nuts, faulty top limit and directional switch
Main cause: faulty drawer tilt switch
Main causes: stuck foot pedal, bad momentary start switch, power switch failure
Main causes: lack of power, faulty drawer safety switch, bad power switch, momentary start switch failure, bad drive motor, wiring failure

Repair guides common to all trash compactors

These step-by-step repair guides will help you safely fix what’s broken on your trash compactor.

How to replace a trash compactor motor centrifugal switch

If the trash compactor ram won’t return to the top position, replace the motor centrifugal switch by following the instructions in this repair guide.

Repair difficulty
Time required
 45 minutes or less
How to replace a trash compactor momentary start switch

The momentary start switch starts the motor when you lift the foot pedal. This repair guide shows how to replace the switch if it stops working

Repair difficulty
Time required
 15 minutes or less
June 1, 2013
By Lyle Weischwill
How to replace a trash compactor power switch

If the trash compactor won’t power up, use the steps in this repair guide to replace the power switch.

Repair difficulty
Time required
 30 minutes or less

Articles and videos common to all trash compactors

Use the advice and tips in these articles and videos to get the most out of your trash compactor.

August 30, 2022

How to enjoy all the online benefits we offer on our Sears PartsDirect website

By Lyle Weischwill

Learn about all the convenient features on our Sears PartsDirect website that make your parts purchases easier.

August 19, 2022

Are DIY appliance repairs safe?

By Lyle Weischwill

Find out how to stay safe when repairing your appliances.

August 17, 2021

How to read a wiring schematic video

By Lyle Weischwill

Learn how to decipher symbols so you can buy the right part for your problem.