Maytag
Dryer

Model #LDE4910ACW Official Maytag washer/dryer

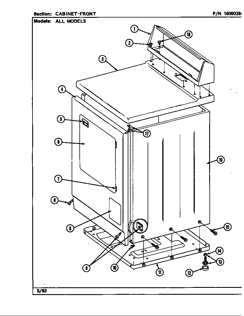
Here are the diagrams and repair parts for Maytag LDE4910ACW washer/dryer, as well as links to manuals and error code tables, if available.

There are a couple of ways to find the part or diagram you need:

  • Click a diagram to see the parts shown on that diagram.
  • In the search box below, enter all or part of the part number or the part’s name.

Not all parts are shown on the diagrams—those parts are labeled NI, for “not illustrated”.

We encourage you to save the model to your profile, so it’s easy to access parts and manuals for your appliance whenever you log in.

For DIY troubleshooting advice and repair guides, visit our repair help section.

Showing 10 of 185 parts

Dryer Operating Thermostat (replaces 3387134)#3

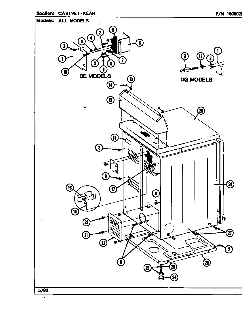
Thermostats Diagram

Thermostat

Part #306910
Replaced by #WP3387134
?
Manufacturer substitution
This part replaces 306910. Substitute parts can look different from the original.
BEST SELLER
In Stock
$30.81 | 
14% OFF 
Phone Price: $35.81
Dryer Valve Coil Kit (replaces 12001349, 279834BULK, 306106, 694539, 694540)#7

Gas valve (ldg4910aal) (ldg4910aaw) Diagram

Holding coil

Part #306106
Replaced by #279834
?
Manufacturer substitution
This part replaces 306106. Substitute parts can look different from the original.
BEST SELLER
In Stock
$28.91 | 
15% OFF 
Phone Price: $33.91
Dryer Valve Coil Kit (replaces 12001349, 279834BULK, 306106, 694539, 694540)#8

Gas valve (ldg4910aal) (ldg4910aaw) Diagram

Second coil

Part #306105
Replaced by #279834
?
Manufacturer substitution
This part replaces 306105. Substitute parts can look different from the original.
BEST SELLER
In Stock
$28.91 | 
15% OFF 
Phone Price: $33.91
Dryer Drum Support Roller (replaces W10116741, Y303373)#21

Tumbler Diagram

Roller w/bea

Part #303373
Replaced by #12001541
?
Manufacturer substitution
This part replaces 303373. Substitute parts can look different from the original.
BEST SELLER
In Stock
$17.34 | 
41% OFF 
MSRP: $29.27
Dryer Drum Belt (replaces Y312959)

See All Related Diagrams

Dryer drum belt

Part #312959
Replaced by #WPY312959
?
Manufacturer substitution
This part replaces 312959. Substitute parts can look different from the original.
BEST SELLER
In Stock
$28.33 | 
15% OFF 
Phone Price: $33.33
Dryer Drum Bearing Kit (replaces 312940, 312941)#28

Tumbler Diagram

Back Order
$14.78 | 
30% OFF 
MSRP: $21.17
Dryer Radiant Sensor (replaces 338906)#22

Gas valve (ldg4910aal) (ldg4910aaw) Diagram

Gas sensor

Part #303377
Replaced by #WP338906
?
Manufacturer substitution
This part replaces 303377. Substitute parts can look different from the original.
BEST SELLER
In Stock
$49.32 | 
9% OFF 
Phone Price: $54.32
Dryer Drum Support Roller Shaft#20

Tumbler Diagram

Tumbler shaft

Part #312948
Replaced by #WP6-3129480
?
Manufacturer substitution
This part replaces 312948. Substitute parts can look different from the original.
BEST SELLER
In Stock
$7.19 | 
12% OFF 
Phone Price: $8.19
Dryer Lint Screen#2

Tumbler Diagram

Lint filter

Part #307107
Replaced by #WP33002970
?
Manufacturer substitution
This part replaces 307107. Substitute parts can look different from the original.
BEST SELLER
In Stock
$13.19 | 
13% OFF 
Phone Price: $15.19
Dryer High-Limit Thermostat (replaces 303396)#11

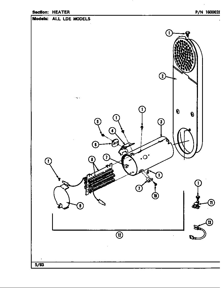
Heater (lde4910acl) (lde4910acw) Diagram

Dryer high-limit thermostat

Part #303396
Replaced by #WP303396
?
Manufacturer substitution
This part replaces 303396. Substitute parts can look different from the original.
BEST SELLER
In Stock
$25.19 | 
37% OFF 
MSRP: $40.00

Symptoms common to all dryers

Choose a symptom to see related dryer repairs.

Main causes: bad drum support roller, damaged idler pulley, broken blower fan blade, worn drum glide bearing, bad drive motor
Main causes: bad gas valve coils, broken heating element, tripped safety thermostat or fuse, bad operating thermostat, control failure
Main causes: bad timer or electronic control board, door switch failure
Main causes: lack of electrical power, bad power cord, wiring failure, bad control board, blown thermal fuse, bad door switch
Main causes: clogged exhaust vent, bad motor relay, loose dryer door catch, bad door switch, control system failure, faulty drive motor
Main causes: damaged door strike, worn door catch
Main causes: door switch failure, lack of power, broken belt, blown thermal fuse, bad drive motor, control system failure
Main causes: clogged exhaust system, heating system failure, deposits on moisture sensor, control system failure

Repair guides common to all dryers

These step-by-step repair guides will help you safely fix what’s broken on your dryer.

August 1, 2014
Lyle Weischwill
How to replace a dryer drum support roller

If your dryer thumps or squeals, replace the drum support roller to restore quiet to your home.

Repair difficulty
Time required
 90 minutes or less
August 1, 2014
Lyle Weischwill
How to replace a dryer thermistor

The thermistor senses the air temperature in the dryer. If your dryer overheats or doesn't heat at all, the thermistor could be the problem.

Repair difficulty
Time required
 30 minutes or less
August 1, 2014
Lyle Weischwill
How to replace a dryer idler pulley

The idler pulley exerts pressure keeps the drive belt tight so it can rotate the drum. A worn idler pulley squeals or squeaks when the dryer is running. Follow these instructions to replace it.

Repair difficulty
Time required
 90 minutes or less

Articles and videos common to all dryers

Use the advice and tips in these articles and videos to get the most out of your dryer.

October 24, 2022

Easy DIY appliance repairs that anyone can do

Lyle Weischwill

Get advice on simple DIY fixes for appliances that you can safely do on your own.

January 4, 2022

How to replace a Maytag dryer heating element

Lyle Weischwill

Learn how to replace a Maytag dryer heating element

August 17, 2021

How to read a wiring schematic video

Lyle Weischwill

Learn how to decipher symbols so you can buy the right part for your problem.