Whirlpool
Dryer

Model #WGD5000DW3 Official Whirlpool gas dryer

Here are the diagrams and repair parts for Whirlpool WGD5000DW3 gas dryer, as well as links to manuals and error code tables, if available.

There are a couple of ways to find the part or diagram you need:

  • Click a diagram to see the parts shown on that diagram.
  • In the search box below, enter all or part of the part number or the part’s name.

Not all parts are shown on the diagrams—those parts are labeled NI, for “not illustrated”.

We encourage you to save the model to your profile, so it’s easy to access parts and manuals for your appliance whenever you log in.

For DIY troubleshooting advice and repair guides, visit our repair help section.

Installation guideOwner’s manual

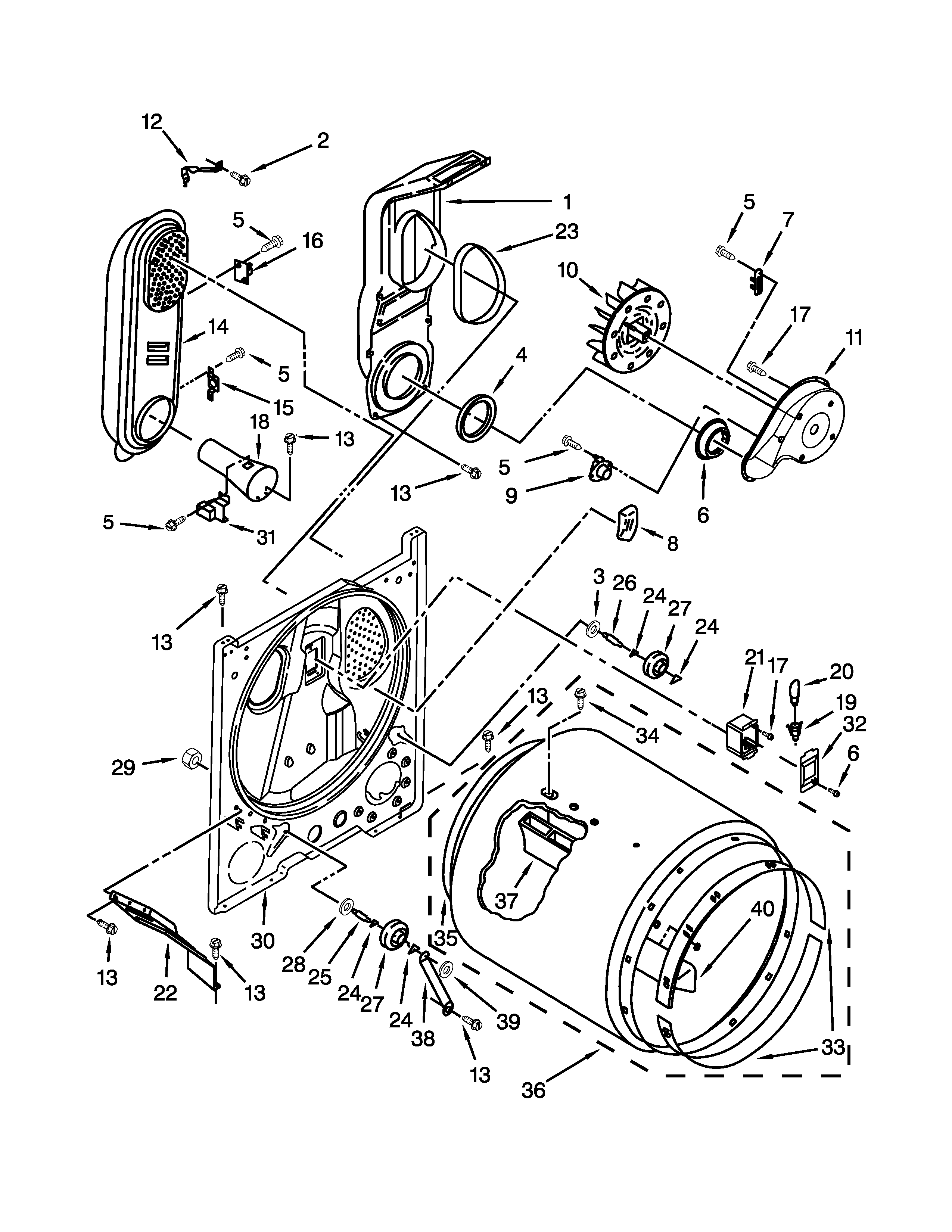
Showing 10 of 129 parts

Dryer Drum Belt (replaces 2008, 31531589, 349533, 53-1512, 8210, W10127457, W10131364)#35

Cabinet parts Diagram

Belt

Part #W10131364
Replaced by #341241
?
Manufacturer substitution
This part replaces W10131364. Substitute parts can look different from the original.
BEST SELLER
In Stock
$17.62 | 
10% OFF 
Phone Price: $19.62
Dryer Thermal Fuse, 195-degree F (replaces 3392519)#7

Bulkhead parts Diagram

Dryer thermal fuse

Part #3392519
Replaced by #WP3392519
?
Manufacturer substitution
This part replaces 3392519. Substitute parts can look different from the original.
BEST SELLER
In Stock
$18.31 | 
10% OFF 
Phone Price: $20.31
Dryer Repair Kit (replaces 2014, 279948, 80046, 8238)#NI

Optional parts Diagram

Dryer repair kit

Part #279948
Replaced by #4392065
?
Manufacturer substitution
This part replaces 279948. Substitute parts can look different from the original.
BEST SELLER
In Stock
$26.98 | 
43% OFF 
MSRP: $47.00
Dryer Door Latch Kit (replaces 2003, 3392538, 3398175, 8208)#25

Cabinet parts Diagram

Strike

Part #696144
Replaced by #279570
?
Manufacturer substitution
This part replaces 696144. Substitute parts can look different from the original.
BEST SELLER
This item is not returnable
In Stock
$3.40 | 
74% OFF 
MSRP: $13.00
Dryer Lint Screen (White) (replaces W10717210)#10

Top and console parts Diagram

Dryer lint screen

Part #W10717210
Replaced by #WPW10717210
?
Manufacturer substitution
This part replaces W10717210. Substitute parts can look different from the original.
BEST SELLER
In Stock
$43.67 | 
10% OFF 
Phone Price: $48.67
Dryer Drum Support Roller Kit (replaces 26000349241, 3397590, 8170)#27

Bulkhead parts Diagram

Support

Part #3397590
Replaced by #349241T
?
Manufacturer substitution
This part replaces 3397590. Substitute parts can look different from the original.
BEST SELLER
In Stock
$21.99 | 
19% OFF 
Phone Price: $26.99
Dryer Door Handle (White)#28

Cabinet parts Diagram

Dryer door handle

Part #W10714516
Replaced by #W10861225
?
Manufacturer substitution
This part replaces W10714516. Substitute parts can look different from the original.
BEST SELLER
In Stock
$32.77 | 
16% OFF 
MSRP: $39.00
Dryer Idler Pulley (replaces 691366, W10612905)#34

Cabinet parts Diagram

Dryer idler pulley

Part #691366
Replaced by #WP691366
?
Manufacturer substitution
This part replaces 691366. Substitute parts can look different from the original.
BEST SELLER
In Stock
$16.50 | 
11% OFF 
Phone Price: $18.50
Dryer Drive Motor (replaces 2019, 3388235, 349588, 3980069, 661654, 8066206, 8066207, 8115, 8538262, 8539555, W10194250, W10366770, W10396029, W10396032, W10448892)#39

Cabinet parts Diagram

Drive motor

Part #W10396029
Replaced by #279827
?
Manufacturer substitution
This part replaces W10396029. Substitute parts can look different from the original.
BEST SELLER
In Stock
$96.85 | 
26% OFF 
MSRP: $130.00
Dryer Drum Light Bulb#20

Bulkhead parts Diagram

Light bulb

Part #3406124
Replaced by #WP22002263
?
Manufacturer substitution
This part replaces 3406124. Substitute parts can look different from the original.
BEST SELLER
In Stock
$15.26 | 
12% OFF 
Phone Price: $17.26

Symptoms common to all dryers

Choose a symptom to see related dryer repairs.

Main causes: bad drum support roller, damaged idler pulley, broken blower fan blade, worn drum glide bearing, bad drive motor
Main causes: bad gas valve coils, broken heating element, tripped safety thermostat or fuse, bad operating thermostat, control failure
Main causes: bad timer or electronic control board, door switch failure
Main causes: lack of electrical power, bad power cord, wiring failure, bad control board, blown thermal fuse, bad door switch
Main causes: clogged exhaust vent, bad motor relay, loose dryer door catch, bad door switch, control system failure, faulty drive motor
Main causes: damaged door strike, worn door catch
Main causes: door switch failure, lack of power, broken belt, blown thermal fuse, bad drive motor, control system failure
Main causes: clogged exhaust system, heating system failure, deposits on moisture sensor, control system failure

Repair guides common to all dryers

These step-by-step repair guides will help you safely fix what’s broken on your dryer.

August 1, 2014
By Lyle Weischwill
How to replace a dryer drum support roller

If your dryer thumps or squeals, replace the drum support roller to restore quiet to your home.

Repair difficulty
Time required
 90 minutes or less
August 1, 2014
By Lyle Weischwill
How to replace a dryer thermistor

The thermistor senses the air temperature in the dryer. If your dryer overheats or doesn't heat at all, the thermistor could be the problem.

Repair difficulty
Time required
 30 minutes or less
August 1, 2014
By Lyle Weischwill
How to replace a dryer idler pulley

The idler pulley exerts pressure keeps the drive belt tight so it can rotate the drum. A worn idler pulley squeals or squeaks when the dryer is running. Follow these instructions to replace it.

Repair difficulty
Time required
 90 minutes or less

Articles and videos common to all dryers

Use the advice and tips in these articles and videos to get the most out of your dryer.

October 24, 2022

Easy DIY appliance repairs that anyone can do

By Lyle Weischwill

Get advice on simple DIY fixes for appliances that you can safely do on your own.

August 5, 2022

Introducing new technical repair content that we’re developing for the Sears Technical Institute

By Lyle Weischwill

Learn about Sears Technical Institute and the advanced technical content being developed for aspiring appliance techs.

January 4, 2022

How to replace a Maytag dryer heating element

By Lyle Weischwill

Learn how to replace a Maytag dryer heating element