Kenmore
Canister Vacuum

Model #1162421190 Official Kenmore canister vacuum

Here are the diagrams and repair parts for Kenmore 1162421190 canister vacuum, as well as links to manuals and error code tables, if available.

There are a couple of ways to find the part or diagram you need:

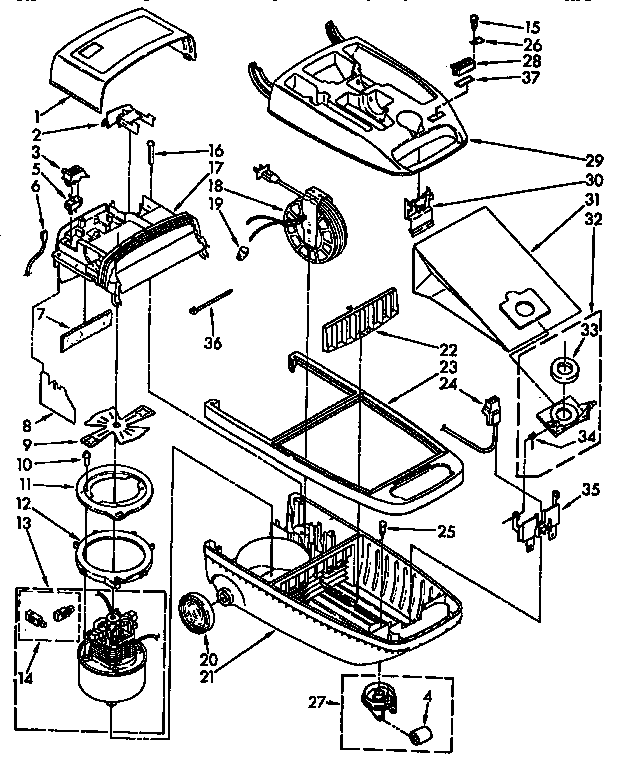
  • Click a diagram to see the parts shown on that diagram.
  • In the search box below, enter all or part of the part number or the part’s name.

Not all parts are shown on the diagrams—those parts are labeled NI, for “not illustrated”.

We encourage you to save the model to your profile, so it’s easy to access parts and manuals for your appliance whenever you log in.

For DIY troubleshooting advice and repair guides, visit our repair help section.

Showing 10 of 56 parts

Vacuum Receptacle Assembly#24

Vacuum cleaner parts Diagram

In Stock
$9.49
Cable Tie#36

Vacuum cleaner parts Diagram

Cable tie

Part #596702

The manufacturer no longer makes this part, and there's no substitute part

Indicator#28

Vacuum cleaner parts Diagram

Indicator

Part #4368878

The manufacturer no longer makes this part, and there's no substitute part

Crevice Tool (Gray)#16

Hose and attachment parts Diagram

Crevice tool (gray)

Part #4147116

The manufacturer no longer makes this part, and there's no substitute part

Motor Shield#8

Vacuum cleaner parts Diagram

Motor shield

Part #4153813

The manufacturer no longer makes this part, and there's no substitute part

Brush Kit#14

Vacuum cleaner parts Diagram

Brush kit

Part #588867

The manufacturer no longer makes this part, and there's no substitute part

Parts List

#NI

All parts Diagram

Parts list

Part #LIT4369277

The manufacturer no longer makes this part, and there's no substitute part

Hose Handle#7

Hose and attachment parts Diagram

Hose handle

Part #4153046

The manufacturer no longer makes this part, and there's no substitute part

Canister Base#21

Vacuum cleaner parts Diagram

Canister base

Part #4156210

The manufacturer no longer makes this part, and there's no substitute part

Mounting Bag#32

Vacuum cleaner parts Diagram

Mounting bag

Part #4155800

The manufacturer no longer makes this part, and there's no substitute part

Symptoms common to all vacuum cleaners

Choose a symptom to see related vacuum cleaner repairs.

Main causes: damaged vacuum hose, clogged motor air filter, bad suction motor
Main causes: broken drive belt, damaged brush roll, tripped brush roll motor overload, bad brush roll motor, wiring failure
Main causes: lack of power, bad power cord, drive motor failure, wiring failure
Main causes: weak suction motor, vacuum bag is full, clog in suction air path, dirty exhaust filter, leaky vacuum hose

Repair guides for canister vacuums

How to replace a vacuum power head ribbed drive belt

Some canister vacuums have a ribbed drive belt that spins the brush roll on a power brush attachment. If the brush roll slips, you can replace it using these instructions.

Repair difficulty
Time required
 30 minutes or less
July 1, 2013
By Lyle Weischwill
How to replace a vacuum suction motor

The suction motor on a vacuum creates the draw of air at the cleaning head that picks up dirt. If the vacuum won't run, give it a new life by replacing the suction motor. These steps explain how.

Repair difficulty
Time required
 15 minutes or less
July 1, 2013
By Lyle Weischwill
How to replace a vacuum beater bar

Replace the brush roll if the bristles ares worn or the cylinder is damaged.

Repair difficulty
Time required
 30 minutes or less

Articles and videos common to all vacuum cleaners

Use the advice and tips in these articles and videos to get the most out of your vacuum.

June 29, 2022

Top questions about Sears and Sears PartsDirect

By Lyle Weischwill

Get answers to frequently asked questions about Sears and Sears PartsDirect.

January 5, 2015

10 must-have tools for appliance repair

By Lyle Weischwill

Come see which tools made our top 10 must-haves for DIY appliance repair.

July 1, 2013

Vacuum common questions

By Lyle Weischwill

Find the answers to frequently asked questions about vacuum cleaners.