Craftsman
Front-Engine Lawn Tractor

Model #247289020 Official Craftsman tractor

Here are the diagrams and repair parts for Craftsman 247289020 tractor, as well as links to manuals and error code tables, if available.

There are a couple of ways to find the part or diagram you need:

  • Click a diagram to see the parts shown on that diagram.
  • In the search box below, enter all or part of the part number or the part’s name.

Not all parts are shown on the diagrams—those parts are labeled NI, for “not illustrated”.

We encourage you to save the model to your profile, so it’s easy to access parts and manuals for your appliance whenever you log in.

For DIY troubleshooting advice and repair guides, visit our repair help section.

Owner’s manual

Showing 10 of 430 parts

Lawn Tractor 42-in Deck 2-in-1 Blade#34

Deck/spindle pulley Diagram

Lawn tractor 42-in deck bagging blade

Part #942-04308
Replaced by #942-04308A
?
Manufacturer substitution
This part replaces 942-04308. Substitute parts can look different from the original.
BEST SELLER

Get free shipping with Automatic Reorder

In Stock
$22.06 | 
20% OFF 
MSRP: $27.58
Lawn Tractor 42-in Deck Blade Drive Belt, 1/2 x 96-1/2-in#41

Deck/spindle pulley Diagram

Lawn tractor deck belt

Part #954-04060B
Replaced by #490-501-Y044
?
Manufacturer substitution
This part replaces 954-04060B. Substitute parts can look different from the original.
BEST SELLER

Get free shipping with Automatic Reorder

In Stock
$40.58 | 
11% OFF 
Phone Price: $45.58
Lawn & Garden Equipment Lock Nut, 5/16-18

See All Related Diagrams

Lawn & garden equipment lock nut, 5/16-18

Part #712-04063
BEST SELLER
This item is not returnable
In Stock
$3.62 | 
26% OFF 
MSRP: $4.90
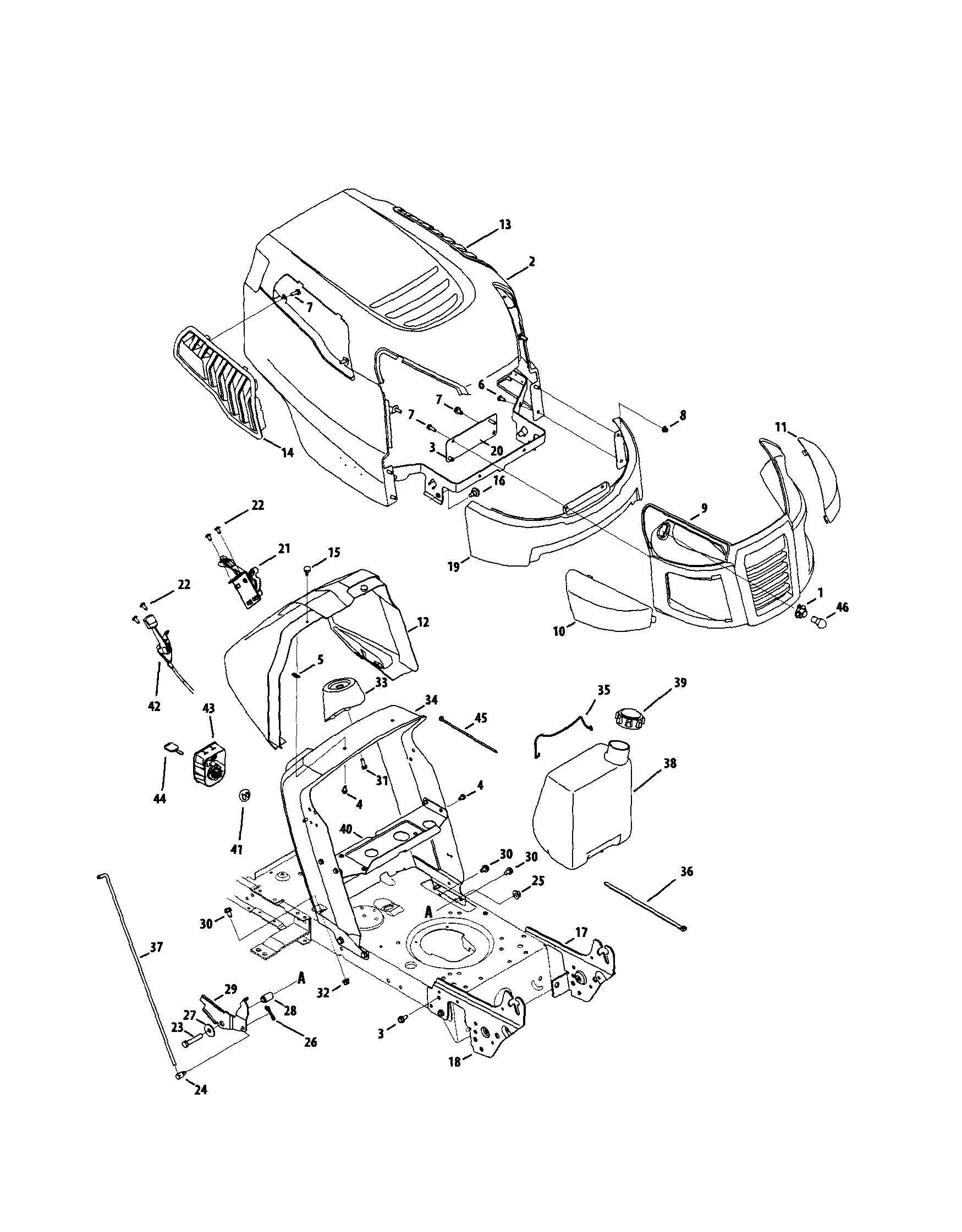
Lawn Tractor Ignition Key#44

Hood Diagram

Lawn tractor ignition key

Part #625-04124
Replaced by #925-1745A
?
Manufacturer substitution
This part replaces 625-04124. Substitute parts can look different from the original.
BEST SELLER
In Stock
$6.76 | 
30% OFF 
MSRP: $9.66
Lawn Tractor Mandrel and Pulley Assembly#1

Deck/spindle pulley Diagram

Lawn tractor mandrel assembly

Part #918-04822A
Replaced by #918-04822B
?
Manufacturer substitution
This part replaces 918-04822A. Substitute parts can look different from the original.
BEST SELLER
In Stock
$73.10 | 
34% OFF 
MSRP: $110.00
Lawn Tractor Flange Nut

See All Related Diagrams

Lawn tractor flange nut

Part #712-04065
BEST SELLER
This item is not returnable
In Stock
$2.74 | 
45% OFF 
MSRP: $5.00
Lawn Tractor Mandrel Pulley#42

Deck/spindle pulley Diagram

Lawn mower idler pulley

Part #753-08068
Replaced by #753-08171
?
Manufacturer substitution
This part replaces 753-08068. Substitute parts can look different from the original.
BEST SELLER
In Stock
$25.70 | 
20% OFF 
Was: $32.09
Lawn Tractor Wheel Cap#9

Steering Diagram

Lawn tractor wheel cap

Part #931-0484A
BEST SELLER
This item is not returnable
In Stock
$5.90 | 
28% OFF 
MSRP: $8.20
Lawn Tractor Steering Shaft#14

Steering Diagram

Lawn tractor steering shaft

Part #738-0919A
Replaced by #738-0919B
?
Manufacturer substitution
This part replaces 738-0919A. Substitute parts can look different from the original.
BEST SELLER
In Stock
$43.85 | 
24% OFF 
MSRP: $58.00
Lawn Tractor Self-Tapping Screw, 5/16-18 x 3/4-in

See All Related Diagrams

Lawn tractor self-tapping screw, 5/16-18 x 3/4-in

Part #710-04484
BEST SELLER
This item is not returnable
In Stock
$2.87 | 
47% OFF 
MSRP: $5.46

Symptoms common to all riding mowers & tractors

Choose a symptom to see related riding mower and lawn tractor repairs.

Main causes: punctured tire or inner tube, leaky valve stem, damaged wheel rim
Main causes: worn or broken ground drive belt, bad seat switch, transaxle freewheel control engaged, transaxle failure, dirty carburetor
Main causes: shift lever needs adjustment, neutral control needs adjustment
Main causes: worn or broken blade belt, broken belt idler pulley, blade clutch cable failure, bad PTO switch, damaged mandrel pulleys
Main causes: damaged cutting blade, worn deck pulley, damaged mandrel pulley, loose fasteners on mower deck components
Main causes: engine overfilled with oil, leaky head gasket or sump gasket, damaged carburetor seals, cracked fuel pump, broken fuel line
Main causes: clogged carburetor, damaged flywheel key, dirty spark plug, stale fuel, improper valve lash, engine needs a tune up
Main causes: faulty battery, bad alternator
Main causes: unlevel mower deck, dull or damaged cutting blades, worn mandrel pulleys, bent mower deck, engine needs tune up

Repair guides common to all riding mowers & tractors

These step-by-step repair guides will help you safely fix what’s broken on your riding mower or lawn tractor.

January 1, 2015
By Lyle Weischwill
How to replace a riding lawn mower rear tire

Your mower can’t run on a damaged rear tire. Here’s how to install a new one.

Repair difficulty
Time required
 60 minutes or less
January 1, 2015
By Lyle Weischwill
How to replace a riding lawn mower blade

If a blade on your mower is dull or bent, replace it following the steps in this repair guide.

Repair difficulty
Time required
 30 minutes or less
January 1, 2015
By Lyle Weischwill
How to replace a riding lawn mower fuel filter

Help your mower run better by replacing the fuel filter during your riding mower's annual tune-up.

Repair difficulty
Time required
 15 minutes or less

Articles and videos common to all riding mowers & tractors

Use the advice and tips in these articles and videos to get the most out of your riding mower or lawn tractor.

February 11, 2023

Top 10 electric lawn and garden tools for 2023

By Lyle Weischwill

Learn about the top 10 must-have electric lawn & garden tools for 2023

August 6, 2020

How to remove a lawn mower blade using a removal tool

By Lyle Weischwill

Learn how a blade removal tool makes replacing the blade easier and safer

April 9, 2019

Riding mower parts and supplies to stock up on video

By Lyle Weischwill

Keep these 6 things on hand to keep the mower season running smoothly.