Craftsman
Air Compressor

Model #919152811 Official Craftsman air compressor

Here are the diagrams and repair parts for Craftsman 919152811 air compressor, as well as links to manuals and error code tables, if available.

There are a couple of ways to find the part or diagram you need:

  • Click a diagram to see the parts shown on that diagram.
  • In the search box below, enter all or part of the part number or the part’s name.

Not all parts are shown on the diagrams—those parts are labeled NI, for “not illustrated”.

We encourage you to save the model to your profile, so it’s easy to access parts and manuals for your appliance whenever you log in.

For DIY troubleshooting advice and repair guides, visit our repair help section.

Owner’s manual

Showing 10 of 58 parts

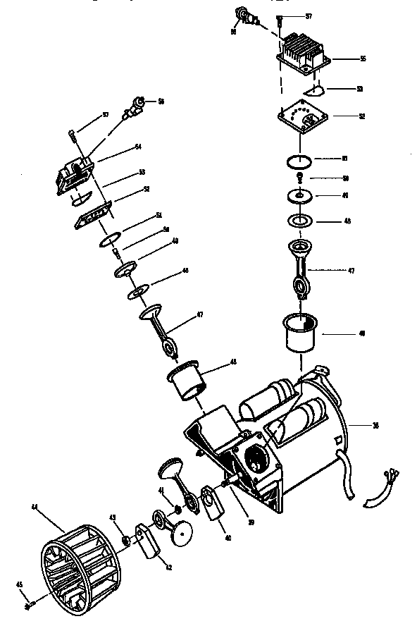
Air Compressor Compression Ring#48

Compressor pump Diagram

Air compressor compression ring

Part #DAC-308

The manufacturer no longer makes this part, and there's no substitute part

Air Compressor Valve Plate O-Ring#51

Compressor pump Diagram

Air compressor valve plate o-ring

Part #SSG-8156

The manufacturer no longer makes this part, and there's no substitute part

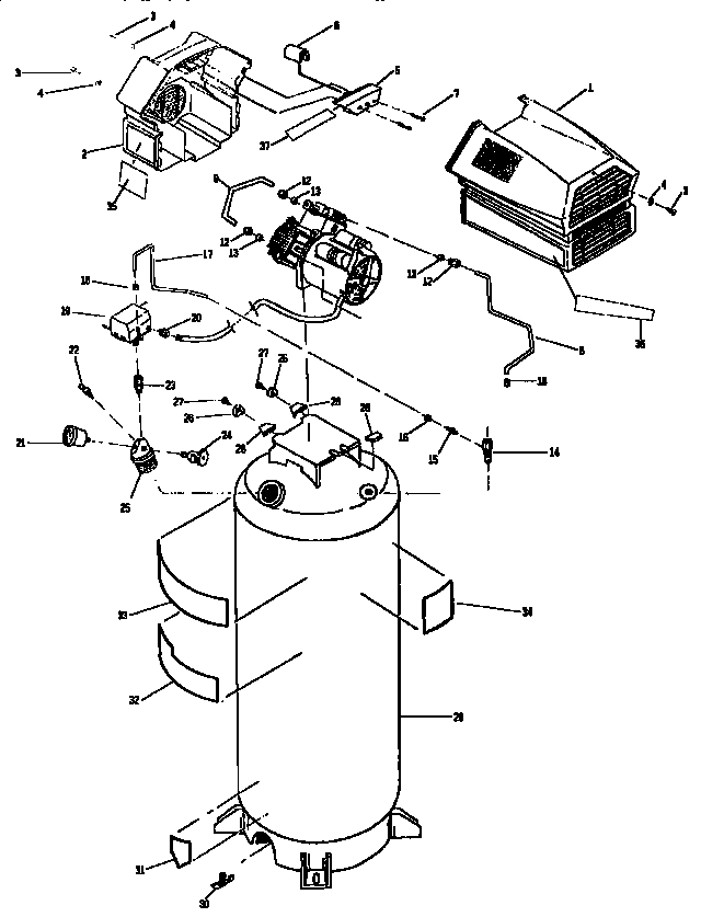
Air Compressor Shroud, Front#2

Air compressor Diagram

Air compressor shroud, front

Part #ACG-14

The manufacturer no longer makes this part, and there's no substitute part

Air Compressor Compression Nut#18

Air compressor Diagram

Air compressor compression nut

Part #SSP-7813

The manufacturer no longer makes this part, and there's no substitute part

Air Compressor Counterbalance#42

Compressor pump Diagram

Air compressor counterbalance

Part #ACG-7

The manufacturer no longer makes this part, and there's no substitute part

Air Compressor Air Filter Retainer#5

Air compressor Diagram

Air compressor air filter retainer

Part #ACG-13

The manufacturer no longer makes this part, and there's no substitute part

Air Compressor Washer#41

Compressor pump Diagram

Air compressor washer

Part #ACG-9

The manufacturer no longer makes this part, and there's no substitute part

Air Compressor Cooling Fan#44

Compressor pump Diagram

Air compressor cooling fan

Part #ACG-22

The manufacturer no longer makes this part, and there's no substitute part

Screw#27

Air compressor Diagram

Screw

Part #SSF-990

The manufacturer no longer makes this part, and there's no substitute part

Air Compressor Pressure Relief Tube#17

Air compressor Diagram

Air compressor pressure relief tube

Part #ACG-58

The manufacturer no longer makes this part, and there's no substitute part

Symptoms common to all air compressors

Choose a symptom to see related air compressor repairs.

Main causes: rusted air tank, loose air tube fitting connections, bad check valve, leaky safety valve, bad tank drain valve
Main causes: bad safety valve, pressure switch failure
Main causes: loose air tube fitting connections, bad check valve, faulty safety valve, damaged or corroded air tank, bad air pump
Main causes: tank drain valve open or leaking air, leaky air tank, bad safety valve, worn pump seals, bad pump valve plate
Main causes: lack of electrical power, check valve failure, bad pressure switch

Repair guides common to all air compressors

These step-by-step repair guides will help you safely fix what’s broken on your air compressor.

How to replace an air compressor pressure switch

You can replace a broken air compressor pressure switch in about 45 minutes.

Repair difficulty
Time required
 45 minutes or less
May 1, 2015
By Lyle Weischwill
How to rebuild an air compressor pump

If the air compressor won't fill the tank with compressed air, rebuild the pump using these steps in about 45 minutes.

Repair difficulty
Time required
 45 minutes or less
How to replace an air compressor check valve

You can replace a defective air compressor check valve in about 10 minutes.

Repair difficulty
Time required
 15 minutes or less

Articles and videos common to all air compressors

Use the advice and tips in these articles and videos to get the most out of your air compressor.

April 24, 2015

How to reduce air compressor noise

By Lyle Weischwill

Find out how to reduce air compressor noise.

April 21, 2015

How to maintain an oil-free air compressor

By Lyle Weischwill

Learn how to maintain an oil-less air compressor for safe and efficient operation.

April 21, 2015

How to maintain an oil-lubricated air compressor

By Lyle Weischwill

See how to perform routine maintenance on your oil-lubricated air compressor.