Hotpoint
Dishwasher

Model #HDA3600R20BB Official Hotpoint dishwasher

Here are the diagrams and repair parts for Hotpoint HDA3600R20BB dishwasher, as well as links to manuals and error code tables, if available.

There are a couple of ways to find the part or diagram you need:

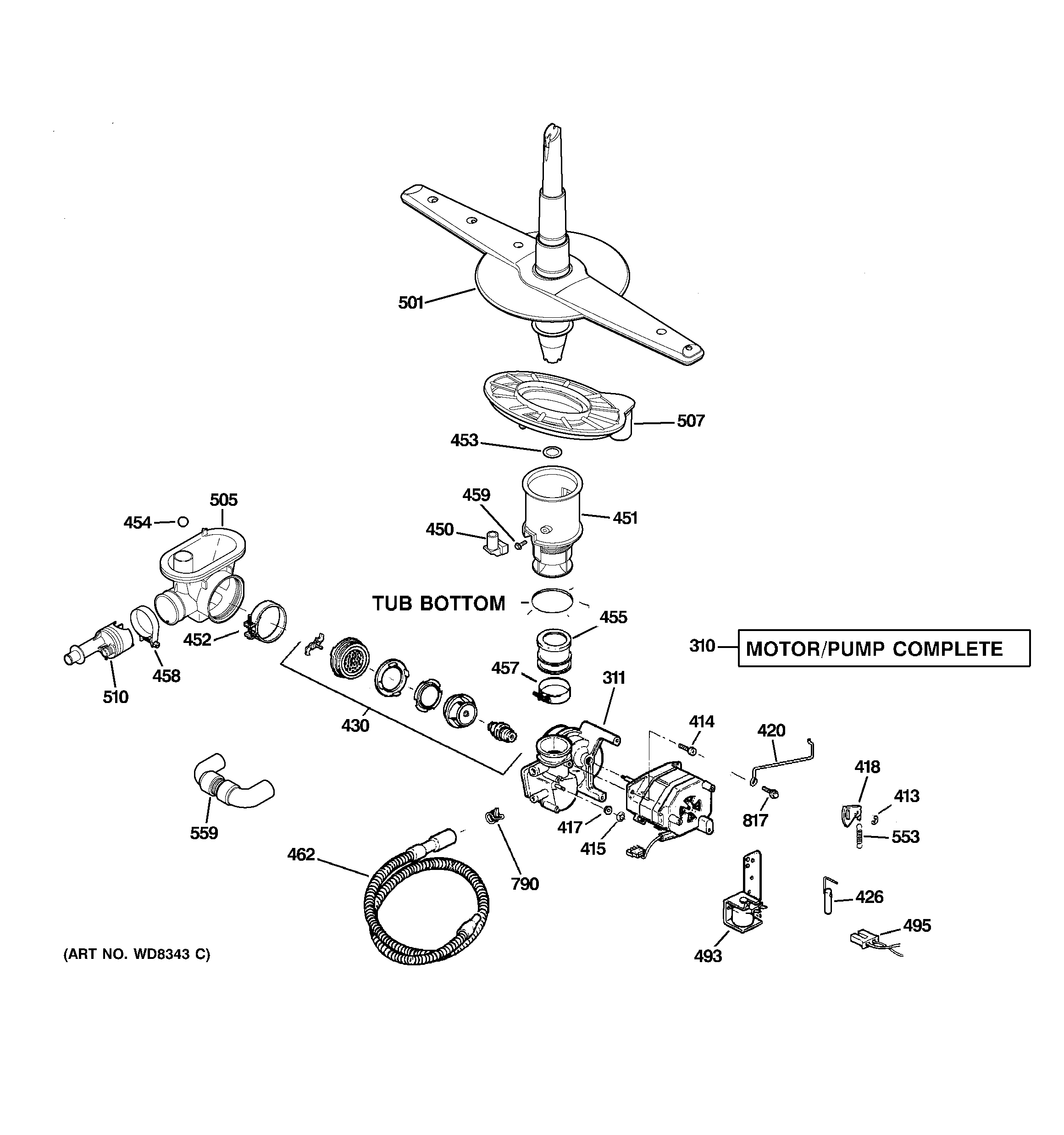
  • Click a diagram to see the parts shown on that diagram.
  • In the search box below, enter all or part of the part number or the part’s name.

Not all parts are shown on the diagrams—those parts are labeled NI, for “not illustrated”.

We encourage you to save the model to your profile, so it’s easy to access parts and manuals for your appliance whenever you log in.

For DIY troubleshooting advice and repair guides, visit our repair help section.

Installation guideOwner’s manual

Showing 10 of 149 parts

Dishwasher Dishrack Slide Rail Stop#652

Body parts Diagram

Dishwasher dishrack slide rail stop

Part #WD12X10304
BEST SELLER
In Stock
$8.42 | 
11% OFF 
Phone Price: $9.42
Dishwasher Dishrack, Lower (replaces WD28X10041, WD28X10053, WD28X10054, WD28X10335)#701

Body parts Diagram

In Stock
$170.42 | 
10% OFF 
Was: $189.36
Dishwasher Dishrack Roller Assembly, Upper#700

Body parts Diagram

In Stock
$17.18 | 
10% OFF 
Was: $19.09
Dishwasher Door Hinge Arm Link#716

Escutcheon & door assembly Diagram

Dishwasher door hinge arm link

Part #WD14X10009
BEST SELLER
In Stock
$7.69 | 
12% OFF 
Phone Price: $8.69
Dishwasher Door Seal#843

Escutcheon & door assembly Diagram

Dishwasher door seal

Part #WD08X10057
BEST SELLER
In Stock
$120.44 | 
8% OFF 
Phone Price: $130.44
Dishwasher Door Spring#30

Body parts Diagram

Dishwasher door spring

Part #WD03X10006
In Stock
$39.59 | 
11% OFF 
Phone Price: $44.59
Refrigerator Push Nut#415

Motor-pump mechanism Diagram

Push on nut

Part #WD02X0429
Replaced by #WR2X7054
?
Manufacturer substitution
This part replaces WD02X0429. Substitute parts can look different from the original.
This item is not returnable
In Stock
$6.92 | 
13% OFF 
Phone Price: $7.92
Dishwasher Dishrack Roller and Stud#704

Body parts Diagram

Dishwasher dishrack roller stud, lower

Part #WD12X10265
Replaced by #WD35X21038
?
Manufacturer substitution
This part replaces WD12X10265. Substitute parts can look different from the original.
In Stock
$25.43 | 
16% OFF 
Phone Price: $30.43
Dishwasher Dishrack Roller and Stud#705

Body parts Diagram

Dishwasher dishrack roller and stud

Part #WD12X10074
Replaced by #WD35X21038
?
Manufacturer substitution
This part replaces WD12X10074. Substitute parts can look different from the original.
In Stock
$25.43 | 
16% OFF 
Phone Price: $30.43
Dishwasher Screw#459

Motor-pump mechanism Diagram

Dishwasher screw

Part #WD02X10067
This item is not returnable
In Stock
$6.92 | 
13% OFF 
Phone Price: $7.92

Symptoms common to all dishwashers

Choose a symptom to see related dishwasher repairs.

Main causes: broken door latch, tripped circuit breaker, broken heating element, faulty vent fan, sensor failure, control system problem
Main cause: damaged rack height adjuster
Main causes: damaged or stuck spray arm, leaking door seal, damaged door hinge, leaky heating element water seal, cracked water supply line
Main causes: clogged kitchen sink drain, clogged drain hose, drain check valve damaged, drain pump failure, control system problem
Main causes: water supply problem, stuck overfill float, clogged water inlet valve screen, water inlet valve failure
Main causes: glass or popcorn kernel stuck in the chopper blade, drain line vibrating against the cabinet, debris in wash pump or drain pump
Main causes: broken door spring, damaged or broken door hinge
Main causes: not using rinse aid, rinse aid dispenser failure, broken heating element, malfunctioning vent, drying fan failure
Main causes: light switch beside the sink turned off, lack of power, bad dishwasher door switch, control system failure, wiring problem

Repair guides common to all dishwashers

These step-by-step repair guides will help you safely fix what’s broken on your dishwasher.

October 1, 2016
By Lyle Weischwill
How to replace a dishwasher door latch assembly

If the dishwasher door doesn't click shut, a broken door latch is a likely cause. Follow these instructions to replace it yourself.

Repair difficulty
Time required
 30 minutes or less
How to replace a dishwasher user interface control

The user interface control houses the selection buttons and display. If it fails, you can't select the cycle and settings. Follow these instructions to replace it yourself.

Repair difficulty
Time required
 30 minutes or less
April 1, 2014
By Lyle Weischwill
How to replace a dishwasher thermal fuse

A completely dead control panel often indicates that the thermal fuse on the electronic control board is blown; follow these steps to replace a blown thermal fuse in your dishwasher.

Repair difficulty
Time required
 15 minutes or less

Articles and videos common to all dishwashers

Use the advice and tips in these articles and videos to get the most out of your dishwasher.

November 13, 2022

7 Tips to Get Your Dishwasher Ready for the Holidays

By Lyle Weischwill

Find professional tips that can help you get your dishwasher ready for the holidays.

December 23, 2021

How to reset a Whirlpool dishwasher

By Lyle Weischwill

Learn how to reset a Whirlpool dishwasher when its control freezes up.

April 10, 2020

Cleaning your appliances after a drinking water advisory

By Julie Riebe

Find out how to clean and flush household appliances once a boil water advisory is lifted.