Manco
Go-Kart

Model #495B Official Manco go-kart

Here are the diagrams and repair parts for Manco 495B go-kart, as well as links to manuals and error code tables, if available.

There are a couple of ways to find the part or diagram you need:

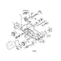
  • Click a diagram to see the parts shown on that diagram.
  • In the search box below, enter all or part of the part number or the part’s name.

Not all parts are shown on the diagrams—those parts are labeled NI, for “not illustrated”.

We encourage you to save the model to your profile, so it’s easy to access parts and manuals for your appliance whenever you log in.

For DIY troubleshooting advice and repair guides, visit our repair help section.

    Showing 10 of 135 parts

    Lawn & Garden Equipment Nut#16

    Frame/wheels/engine/seat Diagram

    Lawn & garden equipment nut

    Part #13354

    The manufacturer no longer makes this part, and there's no substitute part

    Tie Rod Left#4

    Frame/wheels/engine/seat Diagram

    Tie rod left

    Part #1415

    The manufacturer no longer makes this part, and there's no substitute part

    Replacement Tube#25

    Frame/wheels/engine/seat Diagram

    Replacement tube

    Part #1430

    The manufacturer no longer makes this part, and there's no substitute part

    Stop Switch Wire#53

    Frame/wheels/engine/seat Diagram

    Stop switch wire

    Part #9799

    The manufacturer no longer makes this part, and there's no substitute part

    Caliper Brake

    See All Related Diagrams

    Caliper brake

    Part #9597

    The manufacturer no longer makes this part, and there's no substitute part

    Button#9

    Chassis and brake housing Diagram

    Button

    Part #6804

    The manufacturer no longer makes this part, and there's no substitute part

    Bolt

    See All Related Diagrams

    Bolt

    Part #13504

    The manufacturer no longer makes this part, and there's no substitute part

    Tie Rod#2A

    Frame/wheels/engine/seat Diagram

    Tie rod

    Part #10869

    The manufacturer no longer makes this part, and there's no substitute part

    Screw#38

    Frame/wheels/engine/seat Diagram

    Screw

    Part #12347

    The manufacturer no longer makes this part, and there's no substitute part

    Weld Lift#12A

    Frame/wheels/engine/seat Diagram

    Weld lift

    Part #10548-2Z

    The manufacturer no longer makes this part, and there's no substitute part