Kenmore
Washer

Model #11074490410 Official Kenmore compact portable washer

Here are the diagrams and repair parts for Kenmore 11074490410 compact portable washer, as well as links to manuals and error code tables, if available.

There are a couple of ways to find the part or diagram you need:

  • Click a diagram to see the parts shown on that diagram.
  • In the search box below, enter all or part of the part number or the part’s name.

Not all parts are shown on the diagrams—those parts are labeled NI, for “not illustrated”.

We encourage you to save the model to your profile, so it’s easy to access parts and manuals for your appliance whenever you log in.

For DIY troubleshooting advice and repair guides, visit our repair help section.

Showing 10 of 260 parts

Washer Agitator Bolt (replaces 358237)#9

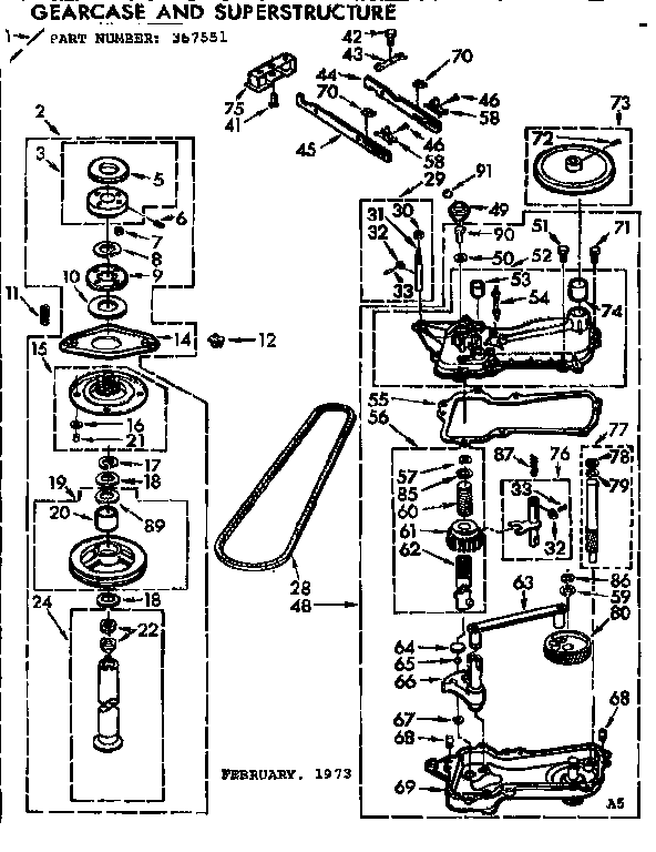
Tub and basket assembly Diagram

Screw

Part #357082
Replaced by #WP358237
?
Manufacturer substitution
This part replaces 357082. Substitute parts can look different from the original.
BEST SELLER
This item is not returnable
In Stock
$4.23 | 
19% OFF 
Phone Price: $5.23
Appliance Faucet Adapter (replaces W10254672)#15

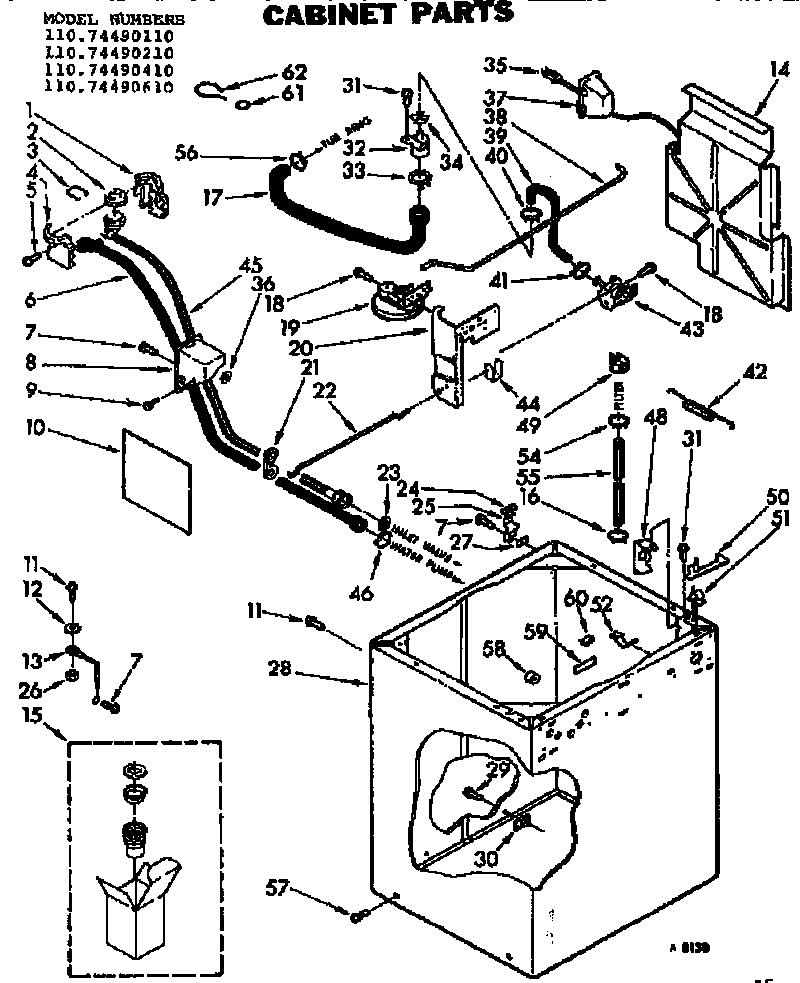
Cabinet parts Diagram

Adapter kit

Part #718045
Replaced by #WPW10254672
?
Manufacturer substitution
This part replaces 718045. Substitute parts can look different from the original.
BEST SELLER
In Stock
$35.87 | 
12% OFF 
Phone Price: $40.87
Laundry Appliance Door Switch Kit (replaces 279347, 347207, 89556)#23

Top and control assembly Diagram

Lid switch

Part #364090
Replaced by #W10820036
?
Manufacturer substitution
This part replaces 364090. Substitute parts can look different from the original.
BEST SELLER
In Stock
$24.34 | 
26% OFF 
MSRP: $33.00
Washer Tub Seal (replaces 383727)#15

Tub and basket assembly Diagram

Gasket

Part #96690
Replaced by #W10814296
?
Manufacturer substitution
This part replaces 96690. Substitute parts can look different from the original.
BEST SELLER
This item is not returnable
In Stock
$3.03 | 
28% OFF 
MSRP: $4.20
Washer Gear Case Oil Seal (replaces 91938)#1

Drive assembly Diagram

Shaft seal

Part #91938
Replaced by #WP91938
?
Manufacturer substitution
This part replaces 91938. Substitute parts can look different from the original.
BEST SELLER
This item is not returnable
Back Order
$6.49 | 
13% OFF 
Phone Price: $7.49
Washer Siphon Break#32

Cabinet parts Diagram

Siphon

Part #356363
Replaced by #WP356363
?
Manufacturer substitution
This part replaces 356363. Substitute parts can look different from the original.
BEST SELLER
This item is not returnable
In Stock
$6.49 | 
13% OFF 
Phone Price: $7.49
Washer Water-Level Pressure Switch Hose (replaces 353244)#38

Cabinet parts Diagram

Hose

Part #353161
Replaced by #WP353244
?
Manufacturer substitution
This part replaces 353161. Substitute parts can look different from the original.
In Stock
$42.79 | 
10% OFF 
Phone Price: $47.79
Washer Start Capacitor (replaces 8572717)#32

Drive assembly Diagram

Capacitor

Part #357021
Replaced by #WP8572717
?
Manufacturer substitution
This part replaces 357021. Substitute parts can look different from the original.
In Stock
$45.98 | 
10% OFF 
Was: $51.09
Washer Inlet Hose Siphon Break Cap#34

Cabinet parts Diagram

Cap

Part #356471
Replaced by #WP356471
?
Manufacturer substitution
This part replaces 356471. Substitute parts can look different from the original.
This item is not returnable
In Stock
$6.49 | 
13% OFF 
Phone Price: $7.49
Washer Gear Case Oil (replaces 89122)

#NI

All parts Diagram

Oil

Part #89122
Replaced by #350572
?
Manufacturer substitution
This part replaces 89122. Substitute parts can look different from the original.
In Stock
$35.39 | 
12% OFF 
Phone Price: $40.39

Symptoms common to all washers

Choose a symptom to see related washer repairs.

Main causes: leaky water inlet valve, faulty water-level pressure switch, bad electronic control board
Main causes: lack of electrical power, wiring failure, bad power cord, electronic control board failure, bad user interface board
Main causes: water heater failure, bad water temperature switch, faulty control board, bad water valve, faulty water temperature sensor
Main causes: unbalanced load, loose spanner nut, worn drive block, broken shock absorber or suspension spring, debris in drain pump
Main causes: broken lid switch or lid lock, bad pressure switch, broken shifter assembly, faulty control system
Main causes: clogged drain hose, house drain clogged, bad drain pump, water-level pressure switch failure, bad control board or timer
Main causes: worn agitator dogs, bad clutch, broken motor coupler, shifter assembly failure, broken door lock, suspension component failure
Main causes: no water supply, bad water valves, water-level pressure switch failure, control system failure, bad door lock or lid switch
Main causes: bad lid switch or door lock, bad timer or electronic control board, wiring failure, bad water inlet valve assembly

Articles and videos common to all washers

Use the advice and tips in these articles and videos to get the most out of your washer.

January 3, 2022

Why is my washing machine leaking when not in use?

Lyle Weischwill

Learn how to fix a washing machine leak

December 30, 2021

How to fix a washing machine

Lyle Weischwill

Learn how to fix your broken washing machine

April 10, 2020

Cleaning your appliances after a drinking water advisory

Wayne Archer

Find out how to clean and flush household appliances once a boil water advisory is lifted.