GE
Dishwasher

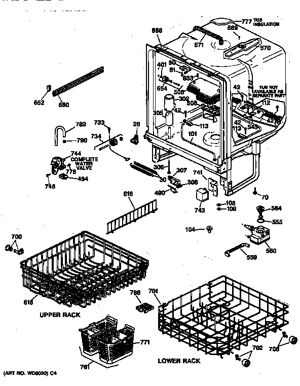
Model #GSD1380X72WW Official GE dishwasher

Here are the diagrams and repair parts for GE GSD1380X72WW dishwasher, as well as links to manuals and error code tables, if available.

There are a couple of ways to find the part or diagram you need:

  • Click a diagram to see the parts shown on that diagram.
  • In the search box below, enter all or part of the part number or the part’s name.

Not all parts are shown on the diagrams—those parts are labeled NI, for “not illustrated”.

We encourage you to save the model to your profile, so it’s easy to access parts and manuals for your appliance whenever you log in.

For DIY troubleshooting advice and repair guides, visit our repair help section.

Showing 10 of 146 parts

Dishwasher Dishrack, Lower (replaces WD28X10041, WD28X10053, WD28X10054, WD28X10335)#701

Body parts Diagram

Rack roller

Part #WD28X0328
Replaced by #WD28X10284
?
Manufacturer substitution
This part replaces WD28X0328. Substitute parts can look different from the original.
BEST SELLER
In Stock
$170.42 | 
10% OFF 
Was: $189.36
Dishwasher Dishrack Roller Assembly, Upper#700

Body parts Diagram

Rack

Part #WD12X0383
Replaced by #WD12X10327
?
Manufacturer substitution
This part replaces WD12X0383. Substitute parts can look different from the original.
BEST SELLER
In Stock
$17.18 | 
10% OFF 
Was: $19.09
Dishwasher Dishrack Slide Rail Stop#652

Body parts Diagram

Cap

Part #WD12X0344
Replaced by #WD12X10304
?
Manufacturer substitution
This part replaces WD12X0344. Substitute parts can look different from the original.
BEST SELLER
In Stock
$8.42 | 
11% OFF 
Phone Price: $9.42
Dishwasher Spray Arm#549

Motor-pump mechanism Diagram

Power tower

Part #WD22X0148
Replaced by #WD22X154
?
Manufacturer substitution
This part replaces WD22X0148. Substitute parts can look different from the original.
BEST SELLER
In Stock
$24.59 | 
17% OFF 
Phone Price: $29.59
Dishwasher Door Seal#843

Escutcheon & door assembly Diagram

Door gasket

Part #WD08X0229
Replaced by #WD8X229
?
Manufacturer substitution
This part replaces WD08X0229. Substitute parts can look different from the original.
BEST SELLER
In Stock
$41.99 | 
11% OFF 
Phone Price: $46.99
Dishwasher Pump and Motor Assembly#310

Motor-pump mechanism Diagram

Mechanism

Part #WD26X0081
Replaced by #WD26X10013
?
Manufacturer substitution
This part replaces WD26X0081. Substitute parts can look different from the original.
BEST SELLER
In Stock
$165.67 | 
6% OFF 
Phone Price: $175.67
Dishwasher Door Seal Insert#845

Escutcheon & door assembly Diagram

Gasket insert

Part #WD08X0231
Replaced by #WD08X10015
?
Manufacturer substitution
This part replaces WD08X0231. Substitute parts can look different from the original.
This item is not returnable
In Stock
$15.89 | 
11% OFF 
Phone Price: $17.89
Refrigerator Push Nut#415

Motor-pump mechanism Diagram

Push on nut

Part #WD02X0429
Replaced by #WR2X7054
?
Manufacturer substitution
This part replaces WD02X0429. Substitute parts can look different from the original.
This item is not returnable
In Stock
$6.92 | 
13% OFF 
Phone Price: $7.92
Dishwasher Spray Arm#501

Motor-pump mechanism Diagram

Spry arm asm

Part #WD22X0144
Replaced by #WD22X155
?
Manufacturer substitution
This part replaces WD22X0144. Substitute parts can look different from the original.
In Stock
$27.35 | 
15% OFF 
Phone Price: $32.35
Dishwasher Dishrack Roller and Stud#705

Body parts Diagram

Rack roller

Part #WD12X0272
Replaced by #WD35X21038
?
Manufacturer substitution
This part replaces WD12X0272. Substitute parts can look different from the original.
In Stock
$25.43 | 
16% OFF 
Phone Price: $30.43

Symptoms common to all dishwashers

Choose a symptom to see related dishwasher repairs.

Main causes: broken door latch, tripped circuit breaker, broken heating element, faulty vent fan, sensor failure, control system problem
Main cause: damaged rack height adjuster
Main causes: damaged or stuck spray arm, leaking door seal, damaged door hinge, leaky heating element water seal, cracked water supply line
Main causes: clogged kitchen sink drain, clogged drain hose, drain check valve damaged, drain pump failure, control system problem
Main causes: water supply problem, stuck overfill float, clogged water inlet valve screen, water inlet valve failure
Main causes: glass or popcorn kernel stuck in the chopper blade, drain line vibrating against the cabinet, debris in wash pump or drain pump
Main causes: broken door spring, damaged or broken door hinge
Main causes: not using rinse aid, rinse aid dispenser failure, broken heating element, malfunctioning vent, drying fan failure
Main causes: light switch beside the sink turned off, lack of power, bad dishwasher door switch, control system failure, wiring problem

Repair guides common to all dishwashers

These step-by-step repair guides will help you safely fix what’s broken on your dishwasher.

October 1, 2016
By Lyle Weischwill
How to replace a dishwasher door latch assembly

If the dishwasher door doesn't click shut, a broken door latch is a likely cause. Follow these instructions to replace it yourself.

Repair difficulty
Time required
 30 minutes or less
How to replace a dishwasher user interface control

The user interface control houses the selection buttons and display. If it fails, you can't select the cycle and settings. Follow these instructions to replace it yourself.

Repair difficulty
Time required
 30 minutes or less
April 1, 2014
By Lyle Weischwill
How to replace a dishwasher thermal fuse

A completely dead control panel often indicates that the thermal fuse on the electronic control board is blown; follow these steps to replace a blown thermal fuse in your dishwasher.

Repair difficulty
Time required
 15 minutes or less

Articles and videos common to all dishwashers

Use the advice and tips in these articles and videos to get the most out of your dishwasher.

November 13, 2022

7 Tips to Get Your Dishwasher Ready for the Holidays

By Lyle Weischwill

Find professional tips that can help you get your dishwasher ready for the holidays.

December 23, 2021

How to reset a Whirlpool dishwasher

By Lyle Weischwill

Learn how to reset a Whirlpool dishwasher when its control freezes up.

April 10, 2020

Cleaning your appliances after a drinking water advisory

By Julie Riebe

Find out how to clean and flush household appliances once a boil water advisory is lifted.