GE
Trash Compactor

Model #ZCG3300VWW-01 Official GE trash compactor

Here are the diagrams and repair parts for GE ZCG3300VWW-01 trash compactor, as well as links to manuals and error code tables, if available.

There are a couple of ways to find the part or diagram you need:

  • Click a diagram to see the parts shown on that diagram.
  • In the search box below, enter all or part of the part number or the part’s name.

Not all parts are shown on the diagrams—those parts are labeled NI, for “not illustrated”.

We encourage you to save the model to your profile, so it’s easy to access parts and manuals for your appliance whenever you log in.

For DIY troubleshooting advice and repair guides, visit our repair help section.

Showing 10 of 100 parts

Nut Clip#134

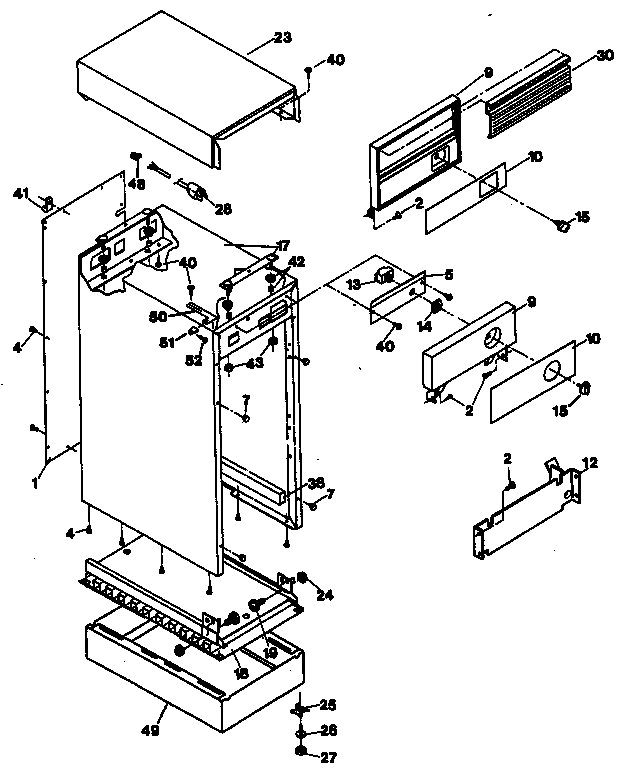
Cabinet Diagram

Nut clip

Part #WC1X5134
In Stock
$7.69 | 
12% OFF 
Phone Price: $8.69
Technical Sheet

See All Related Diagrams

Technical sheet

Part #31-3976
In Stock
$21.99
Trash Compactor Power Screw#116

Motor Diagram

Drive screw

Part #WC22X5023
Replaced by #WC22X5023
?
Manufacturer substitution
This part replaces WC22X5023. Substitute parts can look different from the original.
In Stock
$110.99
Zcg 3100 330

See All Related Diagrams

Zcg 3100 330

Part #49-5643
Replaced by #049-55013
?
Manufacturer substitution
This part replaces 49-5643. Substitute parts can look different from the original.
In Stock
$18.59 | 
10% OFF 
Phone Price: $20.59
Trash Compactor Bag, 12-pack

#NI

All parts Diagram

Compact bag

Part #WC60X5015
Replaced by #WC60X5015
?
Manufacturer substitution
This part replaces WC60X5015. Substitute parts can look different from the original.
In Stock
$22.59 | 
18% OFF 
Phone Price: $27.59
Switch M#102

Motor Diagram

Motor switch

Part #WC21X5048
Replaced by #WC21X5048
?
Manufacturer substitution
This part replaces WC21X5048. Substitute parts can look different from the original.
In Stock
$49.99
Roller

See All Related Diagrams

Roller

Part #WC2X5144

The manufacturer no longer makes this part, and there's no substitute part

Interlk A#135

Cabinet Diagram

Interlk a

Part #WC9X5028

The manufacturer no longer makes this part, and there's no substitute part

Control Panel#9

Cabinet Diagram

Control panel

Part #WC33X5062

The manufacturer no longer makes this part, and there's no substitute part

Insert C Pnl#10

Cabinet Diagram

Insert c pnl

Part #WC33X5058

The manufacturer no longer makes this part, and there's no substitute part

Symptoms common to all trash compactors

Choose a symptom to see related trash compactor repairs.

Main causes: bent drawer support rollers, damaged trash container
Main causes: stripped or broken power nuts, broken or disconnected drive gear and sprocket chain, damaged drive parts
Main causes: broken drive gear and sprocket chain, stripped power nuts, faulty top limit and directional switch
Main cause: faulty drawer tilt switch
Main causes: stuck foot pedal, bad momentary start switch, power switch failure
Main causes: lack of power, faulty drawer safety switch, bad power switch, momentary start switch failure, bad drive motor, wiring failure

Repair guides common to all trash compactors

These step-by-step repair guides will help you safely fix what’s broken on your trash compactor.

How to replace a trash compactor motor centrifugal switch

If the trash compactor ram won’t return to the top position, replace the motor centrifugal switch by following the instructions in this repair guide.

Repair difficulty
Time required
 45 minutes or less
How to replace a trash compactor momentary start switch

The momentary start switch starts the motor when you lift the foot pedal. This repair guide shows how to replace the switch if it stops working

Repair difficulty
Time required
 15 minutes or less
June 1, 2013
By Lyle Weischwill
How to replace a trash compactor power switch

If the trash compactor won’t power up, use the steps in this repair guide to replace the power switch.

Repair difficulty
Time required
 30 minutes or less

Articles and videos common to all trash compactors

Use the advice and tips in these articles and videos to get the most out of your trash compactor.

August 30, 2022

How to enjoy all the online benefits we offer on our Sears PartsDirect website

By Lyle Weischwill

Learn about all the convenient features on our Sears PartsDirect website that make your parts purchases easier.

August 19, 2022

Are DIY appliance repairs safe?

By Lyle Weischwill

Find out how to stay safe when repairing your appliances.

August 17, 2021

How to read a wiring schematic video

By Lyle Weischwill

Learn how to decipher symbols so you can buy the right part for your problem.