Frigidaire
Electric Range

Model #FED367ASB Official Frigidaire electric range

Here are the diagrams and repair parts for Frigidaire FED367ASB electric range, as well as links to manuals and error code tables, if available.

There are a couple of ways to find the part or diagram you need:

  • Click a diagram to see the parts shown on that diagram.
  • In the search box below, enter all or part of the part number or the part’s name.

Not all parts are shown on the diagrams—those parts are labeled NI, for “not illustrated”.

We encourage you to save the model to your profile, so it’s easy to access parts and manuals for your appliance whenever you log in.

For DIY troubleshooting advice and repair guides, visit our repair help section.

Showing 10 of 136 parts

Range Bake Element (replaces 09990063, 318255002)#67

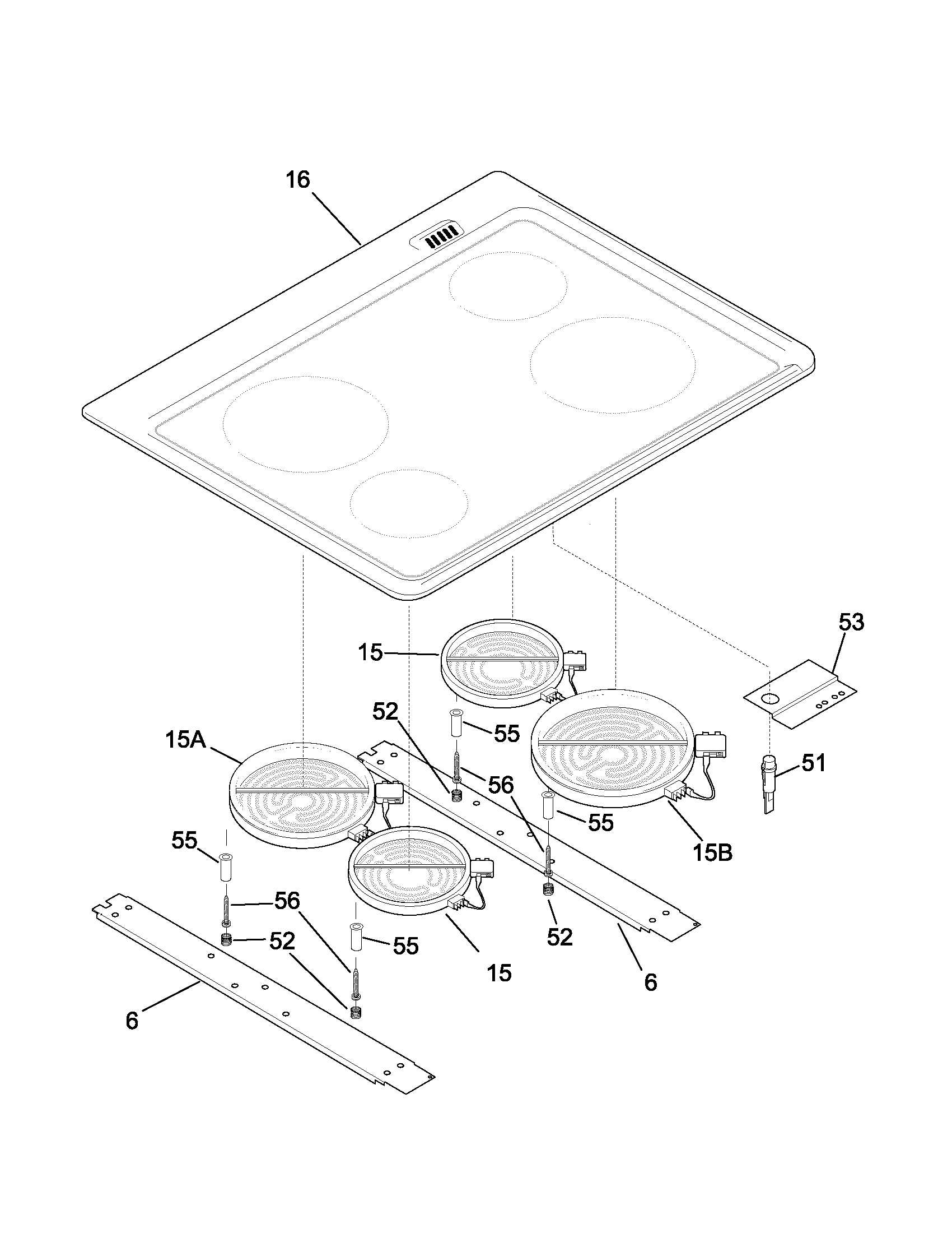
Body Diagram

Oven bake element

Part #5303310512
Replaced by #318255006
?
Manufacturer substitution
This part replaces 5303310512. Substitute parts can look different from the original.
BEST SELLER
In Stock
$108.86 | 
8% OFF 
Phone Price: $118.86
Range Oven Light Bulb#15

Body Diagram

Bulb

Part #3201908
Replaced by #316538904
?
Manufacturer substitution
This part replaces 3201908. Substitute parts can look different from the original.
BEST SELLER
In Stock
$16.86 | 
11% OFF 
Phone Price: $18.86
Range Broil Element#66

Body Diagram

Oven broiler element

Part #5303310513
Replaced by #318255605
?
Manufacturer substitution
This part replaces 5303310513. Substitute parts can look different from the original.
BEST SELLER
In Stock
$138.09 | 
7% OFF 
Phone Price: $148.09
Range Oven Light Lens#16

Body Diagram

Cover

Part #3201911
Replaced by #5304524341
?
Manufacturer substitution
This part replaces 3201911. Substitute parts can look different from the original.
BEST SELLER
In Stock
$13.90 | 
13% OFF 
Phone Price: $15.90
Range Broil Pan and Insert#9

Body Diagram

Broiler pan

Part #5303317977
Replaced by #5304494997
?
Manufacturer substitution
This part replaces 5303317977. Substitute parts can look different from the original.
BEST SELLER
In Stock
$59.77 | 
8% OFF 
Phone Price: $64.77
Range Broil Pan and Insert#10

Body Diagram

Insert broil

Part #5303317976
Replaced by #5304494997
?
Manufacturer substitution
This part replaces 5303317976. Substitute parts can look different from the original.
BEST SELLER
In Stock
$59.77 | 
8% OFF 
Phone Price: $64.77
Range Oven Light Rocker Switch (White)#24

Backguard Diagram

Rocker switch

Part #316005607
Replaced by #5304527842
?
Manufacturer substitution
This part replaces 316005607. Substitute parts can look different from the original.
This item is not returnable
In Stock
$11.09 | 
15% OFF 
Phone Price: $13.09
Range Oven Door Inner Glass#16

Door Diagram

Back Order
$110.00 | 
8% OFF 
Phone Price: $120.00
Range Light Socket#14

Body Diagram

Receptacle

Part #5308011085
Replaced by #316116400
?
Manufacturer substitution
This part replaces 5308011085. Substitute parts can look different from the original.
In Stock
$40.59 | 
11% OFF 
Phone Price: $45.59
Range Oven Door Handle#39

Door Diagram

Blk dr handl

Part #316108802
Replaced by #316270200
?
Manufacturer substitution
This part replaces 316108802. Substitute parts can look different from the original.
In Stock
$161.19 | 
6% OFF 
Phone Price: $171.19

Symptoms common to all ranges

Choose a symptom to see related range repairs.

Main causes: food splatters, spilling food on the oven door, allowing liquid to drip through oven door vent when cleaning the door
Main causes: power supply failure, blown thermal fuse, bad relay control board, damaged terminal block, wiring failure
Main causes: broken oven door lock assembly, wiring failure, electronic control board problem
Main causes: faulty temperature sensor, electronic control board problem, control thermostat failure, weak burner igniter, oven door problem
Main causes: broken broiler element, weak or broken broil burner igniter, control system failure, faulty temperature sensor, wiring failure
Main causes: power supply problem, control thermostat or electronic control board failure, broken element, bad burner igniter
Main causes: bad bake element, broken burner igniter, control system failure, blown thermal fuse, faulty temperature sensor, wiring failure

Repair guides common to all ranges

These step-by-step repair guides will help you safely fix what’s broken on your range.

July 20, 2018
Lyle Weischwill
How to replace a range oven door switch

The oven door switch detects whether the oven door is closed and helps control the oven light. Replace the switch if it doesn’t control the oven light properly.

Repair difficulty
Time required
 30 minutes or less
February 20, 2015
Lyle Weischwill
How to replace a range oven door lock assembly

Oven door not locking? You can replace the lock assembly in less than 30 minutes. Here's how.

Repair difficulty
Time required
 15 minutes or less

Articles and videos common to all ranges

Use the advice and tips in these articles and videos to get the most out of your range.

December 27, 2021

How does a self-cleaning oven work?

Lyle Weischwill

Learn how the self-clean cycle works in an oven.

May 23, 2018

F90 error code troubleshooting for ranges video

Wayne Archer

Troubleshoot the door lock system to find and fix the problem.

May 31, 2016

Oven door won't open: troubleshooting door lock problems on a range video

Lyle R. Weischwill

Troubleshoot and repair problems with your range when your oven door locks shut and you can't get it open.