GE
Washer

Model #WWA8600SCLAA Official GE washer

Here are the diagrams and repair parts for GE WWA8600SCLAA washer, as well as links to manuals and error code tables, if available.

There are a couple of ways to find the part or diagram you need:

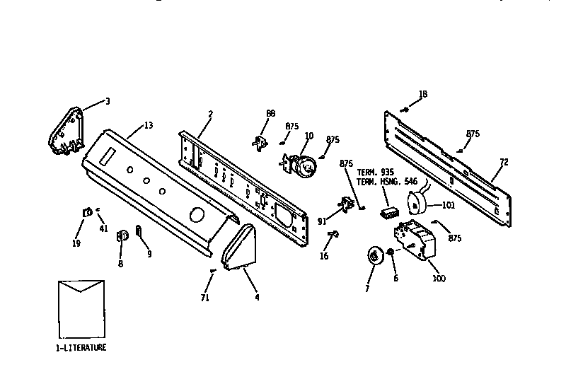
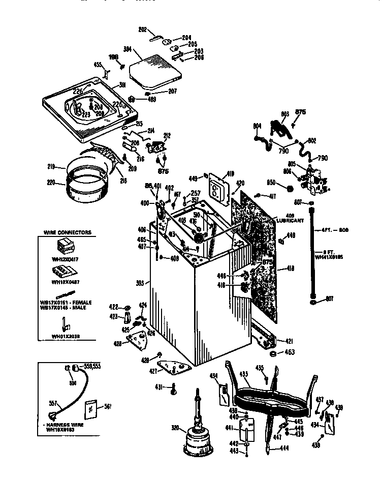
  • Click a diagram to see the parts shown on that diagram.
  • In the search box below, enter all or part of the part number or the part’s name.

Not all parts are shown on the diagrams—those parts are labeled NI, for “not illustrated”.

We encourage you to save the model to your profile, so it’s easy to access parts and manuals for your appliance whenever you log in.

For DIY troubleshooting advice and repair guides, visit our repair help section.

Showing 10 of 240 parts

Washer Control Knob

#19

All parts Diagram

Knob clip

Part #WE01X1208
Replaced by #WH1X2721
?
Manufacturer substitution
This part replaces WE01X1208. Substitute parts can look different from the original.
BEST SELLER
This item is not returnable
In Stock
$5.40 | 
16% OFF 
Phone Price: $6.40
Washer Drive Belt

#603

All parts Diagram

Belt

Part #WH01X2026
Replaced by #WH1X2026
?
Manufacturer substitution
This part replaces WH01X2026. Substitute parts can look different from the original.
In Stock
$7.59 | 
12% OFF 
Phone Price: $8.59
Washer Water Inlet Valve Screen

#806

All parts Diagram

Screen

Part #WH01X1400
Replaced by #WH1X2267
?
Manufacturer substitution
This part replaces WH01X1400. Substitute parts can look different from the original.
In Stock
$7.69 | 
12% OFF 
Phone Price: $8.69
Washer Water Inlet Valve

#805

All parts Diagram

Valv wtr asm

Part #WH13X0085
Replaced by #WH13X85
?
Manufacturer substitution
This part replaces WH13X0085. Substitute parts can look different from the original.
In Stock
$76.39 | 
6% OFF 
Phone Price: $81.39
Laundry Appliance Screw, 12-pack

#510

All parts Diagram

Screw

Part #WE02X0263
Replaced by #WE2X263D
?
Manufacturer substitution
This part replaces WE02X0263. Substitute parts can look different from the original.
This item is not returnable
In Stock
$7.69 | 
12% OFF 
Phone Price: $8.69
Washer Tub Gasket

#313

All parts Diagram

Tub gasket

Part #WH08X0305
Replaced by #WH8X305
?
Manufacturer substitution
This part replaces WH08X0305. Substitute parts can look different from the original.
In Stock
$39.59 | 
11% OFF 
Phone Price: $44.59
Washer Drain Hose

#825

All parts Diagram

Drain hose

Part #WH41X0324
Replaced by #WH41X324
?
Manufacturer substitution
This part replaces WH41X0324. Substitute parts can look different from the original.
In Stock
$20.59 | 
20% OFF 
Phone Price: $25.59
Mini Manual

#1A

All parts Diagram

Mini manual

Part #31-2685-24
In Stock
$21.99
Seal

#735

All parts Diagram

Seal

Part #WH08X0291
In Stock
$13.49
Use and Care Guide

#1B

All parts Diagram

Use and care guide

Part #49-9787
In Stock
$8.49

Symptoms common to all washers

Choose a symptom to see related washer repairs.

Main causes: leaky water inlet valve, faulty water-level pressure switch, bad electronic control board
Main causes: lack of electrical power, wiring failure, bad power cord, electronic control board failure, bad user interface board
Main causes: water heater failure, bad water temperature switch, faulty control board, bad water valve, faulty water temperature sensor
Main causes: unbalanced load, loose spanner nut, worn drive block, broken shock absorber or suspension spring, debris in drain pump
Main causes: broken lid switch or lid lock, bad pressure switch, broken shifter assembly, faulty control system
Main causes: clogged drain hose, house drain clogged, bad drain pump, water-level pressure switch failure, bad control board or timer
Main causes: worn agitator dogs, bad clutch, broken motor coupler, shifter assembly failure, broken door lock, suspension component failure
Main causes: no water supply, bad water valves, water-level pressure switch failure, control system failure, bad door lock or lid switch
Main causes: bad lid switch or door lock, bad timer or electronic control board, wiring failure, bad water inlet valve assembly

Articles and videos common to all washers

Use the advice and tips in these articles and videos to get the most out of your washer.

January 3, 2022

Why is my washing machine leaking when not in use?

Lyle Weischwill

Learn how to fix a washing machine leak

December 30, 2021

How to fix a washing machine

Lyle Weischwill

Learn how to fix your broken washing machine

April 10, 2020

Cleaning your appliances after a drinking water advisory

Wayne Archer

Find out how to clean and flush household appliances once a boil water advisory is lifted.