Magic Chef
Washer

Model #W20JA5S Official Magic Chef washer/dryer

Here are the diagrams and repair parts for Magic Chef W20JA5S washer/dryer, as well as links to manuals and error code tables, if available.

There are a couple of ways to find the part or diagram you need:

  • Click a diagram to see the parts shown on that diagram.
  • In the search box below, enter all or part of the part number or the part’s name.

Not all parts are shown on the diagrams—those parts are labeled NI, for “not illustrated”.

We encourage you to save the model to your profile, so it’s easy to access parts and manuals for your appliance whenever you log in.

For DIY troubleshooting advice and repair guides, visit our repair help section.

Showing 10 of 296 parts

Refrigerator Screw

See All Related Diagrams

Screw

Part #25-7894
Replaced by #WP489483
?
Manufacturer substitution
This part replaces 25-7894. Substitute parts can look different from the original.
BEST SELLER
This item is not returnable
In Stock
$7.99 | 
11% OFF 
Phone Price: $8.99
Refrigerator Screw

See All Related Diagrams

Screw, suppo

Part #25-7828
Replaced by #WP489483
?
Manufacturer substitution
This part replaces 25-7828. Substitute parts can look different from the original.
BEST SELLER
This item is not returnable
In Stock
$7.99 | 
11% OFF 
Phone Price: $8.99
Washer Drive Belt

See All Related Diagrams

Drive belt

Part #35-2320
Replaced by #WP21352320
?
Manufacturer substitution
This part replaces 35-2320. Substitute parts can look different from the original.
In Stock
$18.69 | 
17% OFF 
MSRP: $22.63
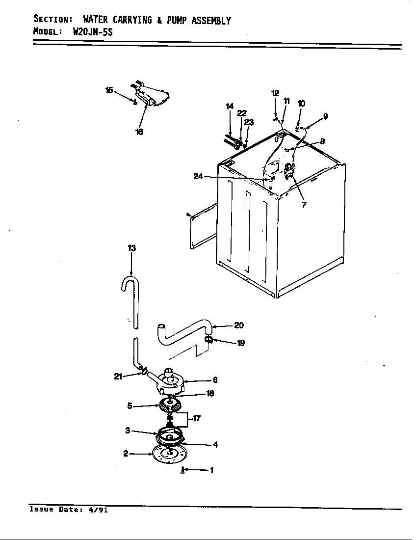
Washer Hose Clamp#19A

Water carrying (rev. a-e) Diagram

Hose clamp

Part #25-6068
Replaced by #WP285655
?
Manufacturer substitution
This part replaces 25-6068. Substitute parts can look different from the original.
This item is not returnable
In Stock
$6.49 | 
13% OFF 
Phone Price: $7.49
Washer Hose Clamp

See All Related Diagrams

Discharge clamp

Part #25-7080
Replaced by #WP285655
?
Manufacturer substitution
This part replaces 25-7080. Substitute parts can look different from the original.
This item is not returnable
In Stock
$6.49 | 
13% OFF 
Phone Price: $7.49
Washer Lid Hinge

See All Related Diagrams

Washer lid hinge

Part #35-2044
Replaced by #WP35-2044
?
Manufacturer substitution
This part replaces 35-2044. Substitute parts can look different from the original.
This item is not returnable
In Stock
$6.49 | 
13% OFF 
Phone Price: $7.49
Washer Hub and Seal Kit#11A

Transmission (rev. a-e) Diagram

Bearing

Part #35-2972
Replaced by #W10219156
?
Manufacturer substitution
This part replaces 35-2972. Substitute parts can look different from the original.
In Stock
$160.40 | 
10% OFF 
MSRP: $178.22
Washer Hub and Seal Kit#10

Transmission (rev. a-e) Diagram

Bearing housing

Part #35-2716
Replaced by #W10219156
?
Manufacturer substitution
This part replaces 35-2716. Substitute parts can look different from the original.
In Stock
$160.40 | 
10% OFF 
MSRP: $178.22
Washer Hub and Seal Kit#8

Transmission (rev. a-e) Diagram

Drive basket

Part #35-2715
Replaced by #W10219156
?
Manufacturer substitution
This part replaces 35-2715. Substitute parts can look different from the original.
In Stock
$160.40 | 
10% OFF 
MSRP: $178.22
Washer Pulley and Thrust Bearing Kit

See All Related Diagrams

Drive pulley

Part #35-2683
Replaced by #12002213
?
Manufacturer substitution
This part replaces 35-2683. Substitute parts can look different from the original.
In Stock
$41.09 | 
29% OFF 
MSRP: $57.79

Symptoms common to all washers

Choose a symptom to see related washer repairs.

Main causes: leaky water inlet valve, faulty water-level pressure switch, bad electronic control board
Main causes: lack of electrical power, wiring failure, bad power cord, electronic control board failure, bad user interface board
Main causes: water heater failure, bad water temperature switch, faulty control board, bad water valve, faulty water temperature sensor
Main causes: unbalanced load, loose spanner nut, worn drive block, broken shock absorber or suspension spring, debris in drain pump
Main causes: broken lid switch or lid lock, bad pressure switch, broken shifter assembly, faulty control system
Main causes: clogged drain hose, house drain clogged, bad drain pump, water-level pressure switch failure, bad control board or timer
Main causes: worn agitator dogs, bad clutch, broken motor coupler, shifter assembly failure, broken door lock, suspension component failure
Main causes: no water supply, bad water valves, water-level pressure switch failure, control system failure, bad door lock or lid switch
Main causes: bad lid switch or door lock, bad timer or electronic control board, wiring failure, bad water inlet valve assembly

Articles and videos common to all washers

Use the advice and tips in these articles and videos to get the most out of your washer.

January 3, 2022

Why is my washing machine leaking when not in use?

By Lyle Weischwill

Learn how to fix a washing machine leak

December 30, 2021

How to fix a washing machine

By Lyle Weischwill

Learn how to fix your broken washing machine

April 10, 2020

Cleaning your appliances after a drinking water advisory

By Julie Riebe

Find out how to clean and flush household appliances once a boil water advisory is lifted.