Craftsman
Accessory

Model #842240744 Official Craftsman snow thrower

Here are the diagrams and repair parts for Craftsman 842240744 snow thrower, as well as links to manuals and error code tables, if available.

There are a couple of ways to find the part or diagram you need:

  • Click a diagram to see the parts shown on that diagram.
  • In the search box below, enter all or part of the part number or the part’s name.

Not all parts are shown on the diagrams—those parts are labeled NI, for “not illustrated”.

We encourage you to save the model to your profile, so it’s easy to access parts and manuals for your appliance whenever you log in.

For DIY troubleshooting advice and repair guides, visit our repair help section.

Showing 10 of 166 parts

Cotter Pin#17

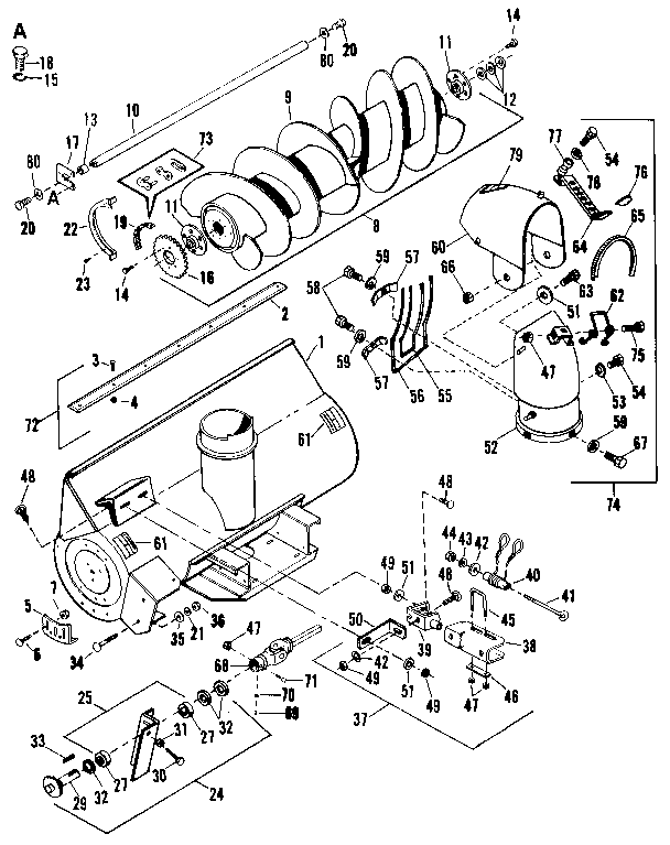
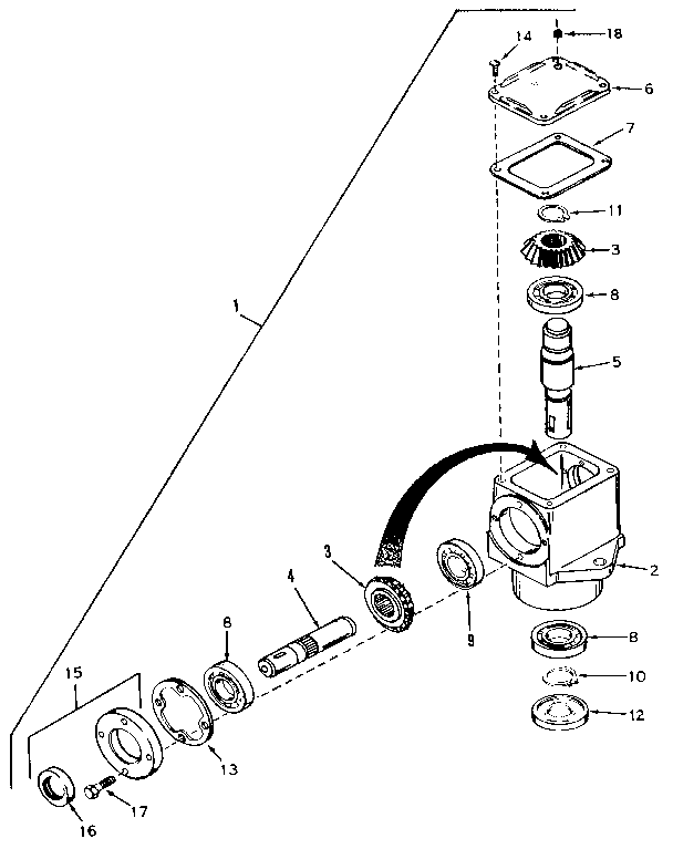
Main frame Diagram

Cotter pin

Part #3430

The manufacturer no longer makes this part, and there's no substitute part

Nut#47

Auger assembly Diagram

Nut

Part #4119

The manufacturer no longer makes this part, and there's no substitute part

Nut#66

Auger assembly Diagram

Nut

Part #STD541431

The manufacturer no longer makes this part, and there's no substitute part

Screw#23

Auger assembly Diagram

Screw

Part #15683

The manufacturer no longer makes this part, and there's no substitute part

Bolt#67

Auger assembly Diagram

Bolt

Part #STD522506

The manufacturer no longer makes this part, and there's no substitute part

Lawn Tractor Snowblower Attachment Auger Drive Chain#19

Auger assembly Diagram

Lawn tractor snowblower attachment auger drive chain

Part #3240

The manufacturer no longer makes this part, and there's no substitute part

Pin#16

Main frame Diagram

Pin

Part #13343

The manufacturer no longer makes this part, and there's no substitute part

Snowblower Chain Guard#22

Auger assembly Diagram

Snowblower chain guard

Part #3036

The manufacturer no longer makes this part, and there's no substitute part

Support#66

Main frame Diagram

Support

Part #18758

The manufacturer no longer makes this part, and there's no substitute part

Flat Washer, 3/8-in, 8-pack

See All Related Diagrams

Flat washer, 3/8-in, 8-pack

Part #STD551037

The manufacturer no longer makes this part, and there's no substitute part