Norge
Washer

Model #LWM205W Official Norge laundry

Here are the diagrams and repair parts for Norge LWM205W laundry, as well as links to manuals and error code tables, if available.

There are a couple of ways to find the part or diagram you need:

  • Click a diagram to see the parts shown on that diagram.
  • In the search box below, enter all or part of the part number or the part’s name.

Not all parts are shown on the diagrams—those parts are labeled NI, for “not illustrated”.

We encourage you to save the model to your profile, so it’s easy to access parts and manuals for your appliance whenever you log in.

For DIY troubleshooting advice and repair guides, visit our repair help section.

Showing 10 of 275 parts

Washer Lid Hinge (replaces 35-2044)

See All Related Diagrams

Washer lid hinge

Part #35-2044
Replaced by #WP35-2044
?
Manufacturer substitution
This part replaces 35-2044. Substitute parts can look different from the original.
BEST SELLER
This item is not returnable
In Stock
$6.49 | 
13% OFF 
Phone Price: $7.49
Washer Pulley and Thrust Bearing Kit (replaces 12001797, 12500036, 22004258, 22004259, LA-2007)

See All Related Diagrams

Drive pulley

Part #35-2683
Replaced by #12002213
?
Manufacturer substitution
This part replaces 35-2683. Substitute parts can look different from the original.
In Stock
$41.09 | 
29% OFF 
MSRP: $57.79
Washer Pulley and Thrust Bearing Kit (replaces 12001797, 12500036, 22004258, 22004259, LA-2007)

See All Related Diagrams

Lower cam

Part #35-2439
Replaced by #12002213
?
Manufacturer substitution
This part replaces 35-2439. Substitute parts can look different from the original.
In Stock
$41.09 | 
29% OFF 
MSRP: $57.79
Washer Pulley and Thrust Bearing Kit (replaces 12001797, 12500036, 22004258, 22004259, LA-2007)#64

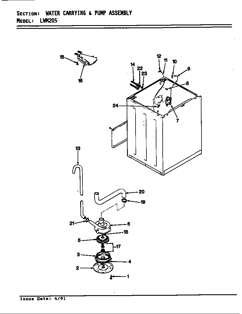
Transmission & related parts (rev. a-e) (lwm205w) Diagram

Thrust brg k

Part #12500036
Replaced by #12002213
?
Manufacturer substitution
This part replaces 12500036. Substitute parts can look different from the original.
In Stock
$41.09 | 
29% OFF 
MSRP: $57.79
Washer Lid Hinge Pin

See All Related Diagrams

Washer lid hinge pin

Part #35-2045
Replaced by #WP35-2045
?
Manufacturer substitution
This part replaces 35-2045. Substitute parts can look different from the original.
In Stock
$13.99 | 
13% OFF 
Phone Price: $15.99
Washer Drain Pump (replaces 35-6465)

See All Related Diagrams

Impeller

Part #35-2057
Replaced by #WP35-6465
?
Manufacturer substitution
This part replaces 35-2057. Substitute parts can look different from the original.
In Stock
$78.89 | 
6% OFF 
Phone Price: $83.89
Washer Drain Pump (replaces 35-6465)

See All Related Diagrams

Pump assy (c

Part #35-2099
Replaced by #WP35-6465
?
Manufacturer substitution
This part replaces 35-2099. Substitute parts can look different from the original.
In Stock
$78.89 | 
6% OFF 
Phone Price: $83.89
Switch Screw

See All Related Diagrams

Switch screw

Part #25-3092
This item is not returnable
In Stock
$4.39 | 
19% OFF 
Phone Price: $5.39
Washer Motor Isolator

See All Related Diagrams

Washer motor isolator

Part #33-9946
Replaced by #WP33-9946
?
Manufacturer substitution
This part replaces 33-9946. Substitute parts can look different from the original.
This item is not returnable
In Stock
$2.16
Washer Lid Switch Actuator

See All Related Diagrams

Washer lid switch actuator

Part #43-0057
Replaced by #WP43-0057
?
Manufacturer substitution
This part replaces 43-0057. Substitute parts can look different from the original.
In Stock
$38.29 | 
12% OFF 
Phone Price: $43.29

Symptoms common to all washers

Choose a symptom to see related washer repairs.

Main causes: leaky water inlet valve, faulty water-level pressure switch, bad electronic control board
Main causes: lack of electrical power, wiring failure, bad power cord, electronic control board failure, bad user interface board
Main causes: water heater failure, bad water temperature switch, faulty control board, bad water valve, faulty water temperature sensor
Main causes: unbalanced load, loose spanner nut, worn drive block, broken shock absorber or suspension spring, debris in drain pump
Main causes: broken lid switch or lid lock, bad pressure switch, broken shifter assembly, faulty control system
Main causes: clogged drain hose, house drain clogged, bad drain pump, water-level pressure switch failure, bad control board or timer
Main causes: worn agitator dogs, bad clutch, broken motor coupler, shifter assembly failure, broken door lock, suspension component failure
Main causes: no water supply, bad water valves, water-level pressure switch failure, control system failure, bad door lock or lid switch
Main causes: bad lid switch or door lock, bad timer or electronic control board, wiring failure, bad water inlet valve assembly

Articles and videos common to all washers

Use the advice and tips in these articles and videos to get the most out of your washer.

January 3, 2022

Why is my washing machine leaking when not in use?

Lyle Weischwill

Learn how to fix a washing machine leak

December 30, 2021

How to fix a washing machine

Lyle Weischwill

Learn how to fix your broken washing machine

April 10, 2020

Cleaning your appliances after a drinking water advisory

Wayne Archer

Find out how to clean and flush household appliances once a boil water advisory is lifted.