Maytag
Washer

Model #A882 Official Maytag washer/dryer

Here are the diagrams and repair parts for Maytag A882 washer/dryer, as well as links to manuals and error code tables, if available.

There are a couple of ways to find the part or diagram you need:

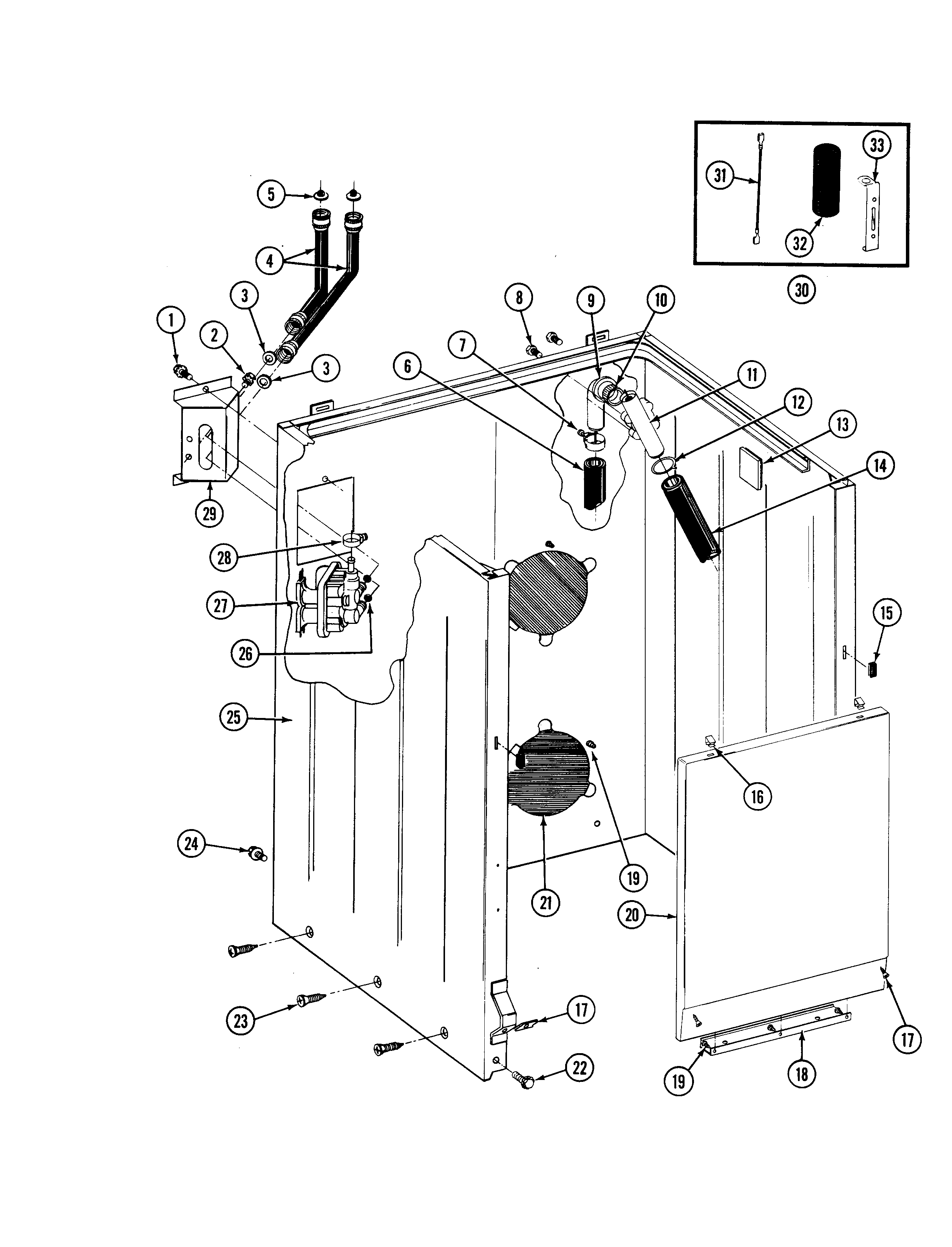
  • Click a diagram to see the parts shown on that diagram.
  • In the search box below, enter all or part of the part number or the part’s name.

Not all parts are shown on the diagrams—those parts are labeled NI, for “not illustrated”.

We encourage you to save the model to your profile, so it’s easy to access parts and manuals for your appliance whenever you log in.

For DIY troubleshooting advice and repair guides, visit our repair help section.

Showing 10 of 243 parts

Laundry Appliance Door Switch Kit#17

Top Diagram

Lid switch

Part #205415
Replaced by #W10820036
?
Manufacturer substitution
This part replaces 205415. Substitute parts can look different from the original.
BEST SELLER
In Stock
$27.04 | 
18% OFF 
MSRP: $33.00
Appliance Adhesive Sealant#21

Transmission-orbital Diagram

Silastic,adh

Part #058700
Replaced by #W10841140
?
Manufacturer substitution
This part replaces 058700. Substitute parts can look different from the original.
BEST SELLER
In Stock
$14.99 | 
12% OFF 
Phone Price: $16.99
Washer Tub Bearing Kit#4

Tub-inner & outer Diagram

Tub bearing

Part #200824
Replaced by #6-2040130
?
Manufacturer substitution
This part replaces 200824. Substitute parts can look different from the original.
BEST SELLER
In Stock
$53.81 | 
30% OFF 
MSRP: $77.00
Washer Tub Bearing Kit#3

Tub-inner & outer Diagram

Tub bearing

Part #204013
Replaced by #6-2040130
?
Manufacturer substitution
This part replaces 204013. Substitute parts can look different from the original.
BEST SELLER
In Stock
$53.81 | 
30% OFF 
MSRP: $77.00
Washer Drive Motor Kit#4

Motor & pump assembly Diagram

Motor (one s

Part #201805
Replaced by #12002351
?
Manufacturer substitution
This part replaces 201805. Substitute parts can look different from the original.
Back Order
$166.60 | 
6% OFF 
Phone Price: $176.60
Washer Hose Clamp

See All Related Diagrams

Hose clamp

Part #200461
Replaced by #WP285655
?
Manufacturer substitution
This part replaces 200461. Substitute parts can look different from the original.
This item is not returnable
In Stock
$6.49 | 
13% OFF 
Phone Price: $7.49
Washer Hose Clamp#25

Tub-inner & outer Diagram

Clamp

Part #211641
Replaced by #WP285655
?
Manufacturer substitution
This part replaces 211641. Substitute parts can look different from the original.
This item is not returnable
In Stock
$6.49 | 
13% OFF 
Phone Price: $7.49
Washer Water Inlet Valve

See All Related Diagrams

In Stock
$83.99 | 
7% OFF 
MSRP: $90.24
Washer Siphon Break#11

Cabinet Diagram

In Stock
$42.49 | 
11% OFF 
Phone Price: $47.49
Washer Siphon Break Kit#9

Cabinet Diagram

Siphon break

Part #214764
Replaced by #208847
?
Manufacturer substitution
This part replaces 214764. Substitute parts can look different from the original.
This item is not returnable
In Stock
$25.09 | 
17% OFF 
Phone Price: $30.09

Symptoms common to all washers

Choose a symptom to see related washer repairs.

Main causes: leaky water inlet valve, faulty water-level pressure switch, bad electronic control board
Main causes: lack of electrical power, wiring failure, bad power cord, electronic control board failure, bad user interface board
Main causes: water heater failure, bad water temperature switch, faulty control board, bad water valve, faulty water temperature sensor
Main causes: unbalanced load, loose spanner nut, worn drive block, broken shock absorber or suspension spring, debris in drain pump
Main causes: broken lid switch or lid lock, bad pressure switch, broken shifter assembly, faulty control system
Main causes: clogged drain hose, house drain clogged, bad drain pump, water-level pressure switch failure, bad control board or timer
Main causes: worn agitator dogs, bad clutch, broken motor coupler, shifter assembly failure, broken door lock, suspension component failure
Main causes: no water supply, bad water valves, water-level pressure switch failure, control system failure, bad door lock or lid switch
Main causes: bad lid switch or door lock, bad timer or electronic control board, wiring failure, bad water inlet valve assembly

Articles and videos common to all washers

Use the advice and tips in these articles and videos to get the most out of your washer.

January 3, 2022

Why is my washing machine leaking when not in use?

By Lyle Weischwill

Learn how to fix a washing machine leak

December 30, 2021

How to fix a washing machine

By Lyle Weischwill

Learn how to fix your broken washing machine

April 10, 2020

Cleaning your appliances after a drinking water advisory

By Julie Riebe

Find out how to clean and flush household appliances once a boil water advisory is lifted.