Craftsman
Gas Walk-Behind Mower

Model #917376290 Official Craftsman lawn mower

Here are the diagrams and repair parts for Craftsman 917376290 lawn mower, as well as links to manuals and error code tables, if available.

There are a couple of ways to find the part or diagram you need:

  • Click a diagram to see the parts shown on that diagram.
  • In the search box below, enter all or part of the part number or the part’s name.

Not all parts are shown on the diagrams—those parts are labeled NI, for “not illustrated”.

We encourage you to save the model to your profile, so it’s easy to access parts and manuals for your appliance whenever you log in.

For DIY troubleshooting advice and repair guides, visit our repair help section.

Owner’s manual

Showing 10 of 239 parts

Lawn Mower Lock Nut, 3/8-in#25

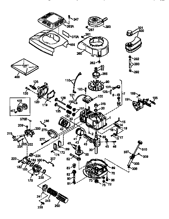
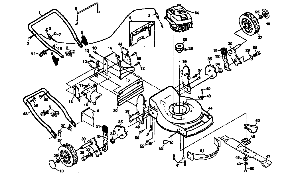
Main frame Diagram

Lock nut

Part #83923
Replaced by #532409149
?
Manufacturer substitution
This part replaces 83923. Substitute parts can look different from the original.
BEST SELLER
This item is not returnable
Back Order
$2.73 | 
27% OFF 
Phone Price: $3.73
Lawn Mower Lock Nut, 3/8-in#31

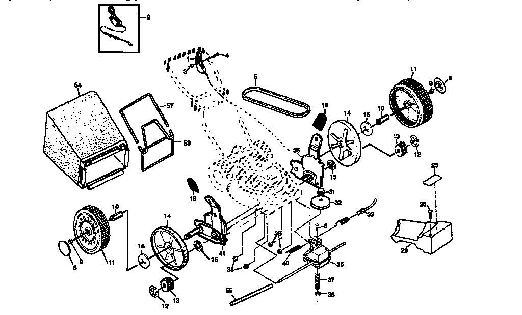
Drive assembly Diagram

Pipe fitting

Part #132010
Replaced by #532409149
?
Manufacturer substitution
This part replaces 132010. Substitute parts can look different from the original.
BEST SELLER
This item is not returnable
Back Order
$2.73 | 
27% OFF 
Phone Price: $3.73
Lawn Mower Lock Nut, 3/8-in#9

Drive assembly Diagram

Hex flange lock nut

Part #145212
Replaced by #532409149
?
Manufacturer substitution
This part replaces 145212. Substitute parts can look different from the original.
BEST SELLER
This item is not returnable
Back Order
$2.73 | 
27% OFF 
Phone Price: $3.73
Lawn Mower Rear Skirt#20

Main frame Diagram

Skirt

Part #140540
Replaced by #413160
?
Manufacturer substitution
This part replaces 140540. Substitute parts can look different from the original.
BEST SELLER
In Stock
$9.08 | 
24% OFF 
MSRP: $12.00
Lawn Mower 22-in Deck 3-in-1 Blade#47

Main frame Diagram

Lawn mower blade

Part #141114
Replaced by #532141114
?
Manufacturer substitution
This part replaces 141114. Substitute parts can look different from the original.
BEST SELLER

Get free shipping with Automatic Reorder

In Stock
$21.12 | 
19% OFF 
Phone Price: $26.12
Lawn & Garden Equipment Engine Oil, SAE 30, 20-oz

#NI

All parts Diagram

Lawn & garden equipment sae 30w engine oil, 20-oz

Part #33300
Replaced by #40020
?
Manufacturer substitution
This part replaces 33300. Substitute parts can look different from the original.
BEST SELLER
This item is not returnable

Get free shipping with Automatic Reorder

In Stock
$3.94 | 
28% OFF 
MSRP: $5.49
Lawn Mower Handle Knob#6

Main frame Diagram

Handle knob

Part #136376
Replaced by #532185577
?
Manufacturer substitution
This part replaces 136376. Substitute parts can look different from the original.
BEST SELLER
This item is not returnable
In Stock
$2.09 | 
32% OFF 
Phone Price: $3.09
Lawn & Garden Equipment Hex Head Bolt, 3/8-24 x 1-1/8-in#50

Main frame Diagram

Lawn & garden equipment screw

Part #851084
Replaced by #532435345
?
Manufacturer substitution
This part replaces 851084. Substitute parts can look different from the original.
BEST SELLER
This item is not returnable
In Stock
$3.49 | 
22% OFF 
Phone Price: $4.49
Lawn Mower E-Ring#12

Drive assembly Diagram

Lawn mower e-ring

Part #12000058
BEST SELLER
This item is not returnable
In Stock
$2.79 | 
26% OFF 
Phone Price: $3.79
Lawn Tractor Lock Nut#55

Main frame Diagram

Lock nut

Part #751592
Replaced by #73930600
?
Manufacturer substitution
This part replaces 751592. Substitute parts can look different from the original.
BEST SELLER
This item is not returnable
In Stock
$2.59 | 
28% OFF 
Phone Price: $3.59

Symptoms for gas walk-behind mowers

Choose a symptom to see related walk-behind mower repairs.

Main causes: uneven wheel height settings, damaged wheel, dull or damaged cutting blade
Main causes: damaged cutting blade, loose cutting blade, damaged flywheel key, engine needs tune up
Main causes: dirty carburetor, bad spark plug, clogged air filter, engine choke problems, clogged gas cap vent
Main causes: engine needs tune up, dirty or clogged carburetor, damaged flywheel key
Main causes: drive control cable failure, worn or broken drive belt, bad transmission, broken drive wheel
Main causes: stale gas, engine needs tune up, bad spark plug, dead battery, bad recoil starter, faulty safety switch, bad ignition coil

Repair guides for gas walk-behind mowers

These step-by-step repair guides will help you safely fix what’s broken on your walk-behind lawn mower.

March 1, 2016
By Lyle Weischwill
How to replace a lawn mower spark plug

Take a few minutes to replace the spark plug during your lawn mower's annual tune-up or if the spark plug is burnt or cracked.

Repair difficulty
Time required
 15 minutes or less
March 1, 2016
By Lyle Weischwill
How to replace a lawn mower blade

Check your lawn mower blade regularly and replaced it if it's bent or damaged.

Repair difficulty
Time required
 15 minutes or less
How to replace a lawn mower flywheel key on a flathead engine

When you hit a hard object with your mower, the flywheel can shear to protect more expensive components. Learn how to replace this tiny but essential part.

Repair difficulty
Time required
 45 minutes or less

Articles and videos common to all walk-behind mowers

Use the advice and tips in these articles and videos to get the most out of your walk-behind lawn mower.

February 11, 2023

Top 10 electric lawn and garden tools for 2023

By Lyle Weischwill

Learn about the top 10 must-have electric lawn & garden tools for 2023

August 30, 2022

How to enjoy all the online benefits we offer on our Sears PartsDirect website

By Lyle Weischwill

Learn about all the convenient features on our Sears PartsDirect website that make your parts purchases easier.

August 5, 2022

Introducing new technical repair content that we’re developing for the Sears Technical Institute

By Lyle Weischwill

Learn about Sears Technical Institute and the advanced technical content being developed for aspiring appliance techs.