Frigidaire
Washer

Model #FWS645RBS2 Official Frigidaire washer - 5995273652

Here are the diagrams and repair parts for Frigidaire FWS645RBS2 washer - 5995273652, as well as links to manuals and error code tables, if available.

There are a couple of ways to find the part or diagram you need:

  • Click a diagram to see the parts shown on that diagram.
  • In the search box below, enter all or part of the part number or the part’s name.

Not all parts are shown on the diagrams—those parts are labeled NI, for “not illustrated”.

We encourage you to save the model to your profile, so it’s easy to access parts and manuals for your appliance whenever you log in.

For DIY troubleshooting advice and repair guides, visit our repair help section.

Showing 10 of 149 parts

Washer Water Inlet Valve#33

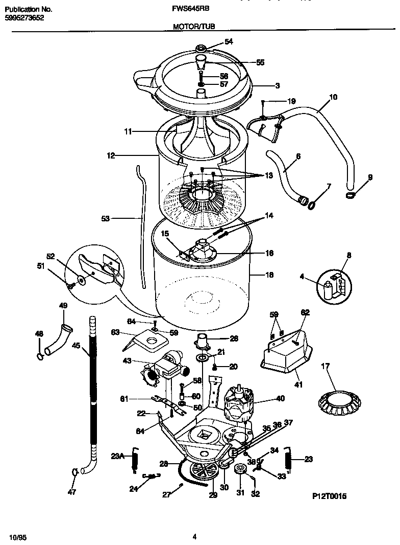
Cabinet/top Diagram

Water valve

Part #131389300
Replaced by #134190200
?
Manufacturer substitution
This part replaces 131389300. Substitute parts can look different from the original.
BEST SELLER
In Stock
$35.79 | 
12% OFF 
Phone Price: $40.79
Washer Spin Bearing#26

Motor/tub Diagram

Washer spin bearing

Part #3204405
In Stock
$64.63 | 
7% OFF 
Phone Price: $69.63
Washer Baffle Screw#41

Cabinet/top Diagram

Screw

Part #131258400
Replaced by #131302800
?
Manufacturer substitution
This part replaces 131258400. Substitute parts can look different from the original.
In Stock
$14.09 | 
12% OFF 
Phone Price: $16.09
Washer Drain Pump#43

Motor/tub Diagram

Washer drain pump

Part #131268401
In Stock
$137.19 | 
7% OFF 
Phone Price: $147.19
Laundry Center Clamp#9

Motor/tub Diagram

Laundry center clamp

Part #5303304824
Replaced by #5304488479
?
Manufacturer substitution
This part replaces 5303304824. Substitute parts can look different from the original.
In Stock
$20.69 | 
19% OFF 
Phone Price: $25.69
Washer Leveling Leg#44

Cabinet/top Diagram

Washer leveling leg

Part #5303309673
Replaced by #134548800
?
Manufacturer substitution
This part replaces 5303309673. Substitute parts can look different from the original.
This item is not returnable
In Stock
$14.57 | 
12% OFF 
Phone Price: $16.57
Washing Machine Washer#21

Motor/tub Diagram

Washing machine washer

Part #5308002401
In Stock
$20.89 | 
19% OFF 
Phone Price: $25.89
Laundry Center Control Knob#4

Control panel Diagram

Rotary knob

Part #131141101
Replaced by #131858004
?
Manufacturer substitution
This part replaces 131141101. Substitute parts can look different from the original.
In Stock
$47.83 | 
9% OFF 
Phone Price: $52.83
Washer Drain Hose#45A

Motor/tub Diagram

Drain hose

Part #131268800
Replaced by #131461200
?
Manufacturer substitution
This part replaces 131268800. Substitute parts can look different from the original.
This item is not returnable
In Stock
$26.79 | 
16% OFF 
Phone Price: $31.79
Laundry Center Washer Trunnion#16

Motor/tub Diagram

Trunnion

Part #131154501
Replaced by #131545101
?
Manufacturer substitution
This part replaces 131154501. Substitute parts can look different from the original.
Back Order
$98.89 | 
9% OFF 
Phone Price: $108.89

Symptoms common to all washers

Choose a symptom to see related washer repairs.

Main causes: leaky water inlet valve, faulty water-level pressure switch, bad electronic control board
Main causes: lack of electrical power, wiring failure, bad power cord, electronic control board failure, bad user interface board
Main causes: water heater failure, bad water temperature switch, faulty control board, bad water valve, faulty water temperature sensor
Main causes: unbalanced load, loose spanner nut, worn drive block, broken shock absorber or suspension spring, debris in drain pump
Main causes: broken lid switch or lid lock, bad pressure switch, broken shifter assembly, faulty control system
Main causes: clogged drain hose, house drain clogged, bad drain pump, water-level pressure switch failure, bad control board or timer
Main causes: worn agitator dogs, bad clutch, broken motor coupler, shifter assembly failure, broken door lock, suspension component failure
Main causes: no water supply, bad water valves, water-level pressure switch failure, control system failure, bad door lock or lid switch
Main causes: bad lid switch or door lock, bad timer or electronic control board, wiring failure, bad water inlet valve assembly

Articles and videos common to all washers

Use the advice and tips in these articles and videos to get the most out of your washer.

January 3, 2022

Why is my washing machine leaking when not in use?

By Lyle Weischwill

Learn how to fix a washing machine leak

December 30, 2021

How to fix a washing machine

By Lyle Weischwill

Learn how to fix your broken washing machine

April 10, 2020

Cleaning your appliances after a drinking water advisory

By Julie Riebe

Find out how to clean and flush household appliances once a boil water advisory is lifted.