Frigidaire
Electric Range

Model #FEF365ASK Official Frigidaire electric range

Here are the diagrams and repair parts for Frigidaire FEF365ASK electric range, as well as links to manuals and error code tables, if available.

There are a couple of ways to find the part or diagram you need:

  • Click a diagram to see the parts shown on that diagram.
  • In the search box below, enter all or part of the part number or the part’s name.

Not all parts are shown on the diagrams—those parts are labeled NI, for “not illustrated”.

We encourage you to save the model to your profile, so it’s easy to access parts and manuals for your appliance whenever you log in.

For DIY troubleshooting advice and repair guides, visit our repair help section.

Showing 10 of 130 parts

Range Bake Element (replaces 316075104)#67

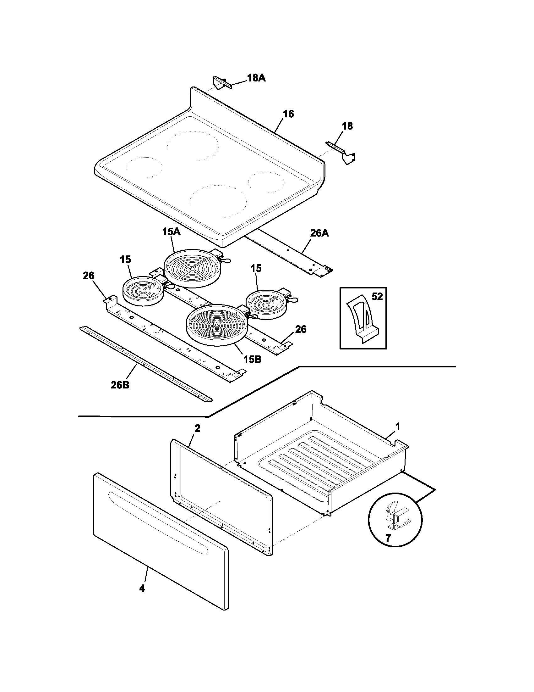
Body Diagram

Range bake element (replaces 316075104)

Part #316075103
BEST SELLER
In Stock
$47.08 | 
10% OFF 
Phone Price: $52.08
Range Surface Element Control Switch (replaces 316021501, 5304506425)#54A

Backguard Diagram

Range surface element control switch

Part #316021501
Replaced by #316436001
?
Manufacturer substitution
This part replaces 316021501. Substitute parts can look different from the original.
BEST SELLER
In Stock
$29.16 | 
15% OFF 
Phone Price: $34.16
Range Oven Light Bulb (replaces 241555401, 316538901)#15

Body Diagram

Range oven light bulb

Part #5303013071
Replaced by #316538904
?
Manufacturer substitution
This part replaces 5303013071. Substitute parts can look different from the original.
BEST SELLER
In Stock
$16.86 | 
11% OFF 
Phone Price: $18.86
Range Small Surface Element Control Switch (replaces 316021500, 5304506424)#54

Backguard Diagram

Oven switch

Part #316021500
Replaced by #316436000
?
Manufacturer substitution
This part replaces 316021500. Substitute parts can look different from the original.
BEST SELLER
In Stock
$48.44 | 
9% OFF 
Phone Price: $53.44
Range Radiant Surface Element, 9-in (replaces 316224200, 316224201)#15B

Top/drawer Diagram

Range radiant surface element, 9-in

Part #316224200
Replaced by #316135401
?
Manufacturer substitution
This part replaces 316224200. Substitute parts can look different from the original.
BEST SELLER
In Stock
$142.57 | 
7% OFF 
Phone Price: $152.57
Range Drawer Glide (replaces 08067822, 3012699)#7

Top/drawer Diagram

Range drawer glide (replaces 08067822, 3012699)

Part #3051163
BEST SELLER
This item is not returnable
In Stock
$4.69 | 
18% OFF 
Phone Price: $5.69
Range Washer (replaces 316136500, 7316008401)#10B

Door Diagram

In Stock
$11.99 | 
14% OFF 
Phone Price: $13.99
Range Oven Temperature Sensor#37

Body Diagram

Oven probe

Part #316233900
Replaced by #316233903
?
Manufacturer substitution
This part replaces 316233900. Substitute parts can look different from the original.
BEST SELLER
In Stock
$28.09 | 
15% OFF 
Phone Price: $33.09
Range Oven Rack#6

Body Diagram

Range oven rack

Part #316067902
BEST SELLER
In Stock
$52.84 | 
9% OFF 
Phone Price: $57.84
Range Indicator Light Lens (replaces 316040201, 5304462664, 7318228310)#46

Backguard Diagram

Lens

Part #316040201
Replaced by #318228310
?
Manufacturer substitution
This part replaces 316040201. Substitute parts can look different from the original.
BEST SELLER
This item is not returnable
In Stock
$6.59 | 
13% OFF 
Phone Price: $7.59

Symptoms common to all ranges

Choose a symptom to see related range repairs.

Main causes: food splatters, spilling food on the oven door, allowing liquid to drip through oven door vent when cleaning the door
Main causes: power supply failure, blown thermal fuse, bad relay control board, damaged terminal block, wiring failure
Main causes: broken oven door lock assembly, wiring failure, electronic control board problem
Main causes: faulty temperature sensor, electronic control board problem, control thermostat failure, weak burner igniter, oven door problem
Main causes: broken broiler element, weak or broken broil burner igniter, control system failure, faulty temperature sensor, wiring failure
Main causes: power supply problem, control thermostat or electronic control board failure, broken element, bad burner igniter
Main causes: bad bake element, broken burner igniter, control system failure, blown thermal fuse, faulty temperature sensor, wiring failure

Repair guides common to all ranges

These step-by-step repair guides will help you safely fix what’s broken on your range.

July 20, 2018
Lyle Weischwill
How to replace a range oven door switch

The oven door switch detects whether the oven door is closed and helps control the oven light. Replace the switch if it doesn’t control the oven light properly.

Repair difficulty
Time required
 30 minutes or less
February 20, 2015
Lyle Weischwill
How to replace a range oven door lock assembly

Oven door not locking? You can replace the lock assembly in less than 30 minutes. Here's how.

Repair difficulty
Time required
 15 minutes or less

Articles and videos common to all ranges

Use the advice and tips in these articles and videos to get the most out of your range.

December 27, 2021

How does a self-cleaning oven work?

Lyle Weischwill

Learn how the self-clean cycle works in an oven.

October 1, 2019

Coil surface element on range not heating video

Lyle Weischwill

Learn how to troubleshoot a coil surface element on your stove that won't heat.

May 23, 2018

F90 error code troubleshooting for ranges video

Wayne Archer

Troubleshoot the door lock system to find and fix the problem.