Maytag
Dishwasher

Model #MDB6600AWW Official Maytag dishwasher

Here are the diagrams and repair parts for Maytag MDB6600AWW dishwasher, as well as links to manuals and error code tables, if available.

There are a couple of ways to find the part or diagram you need:

  • Click a diagram to see the parts shown on that diagram.
  • In the search box below, enter all or part of the part number or the part’s name.

Not all parts are shown on the diagrams—those parts are labeled NI, for “not illustrated”.

We encourage you to save the model to your profile, so it’s easy to access parts and manuals for your appliance whenever you log in.

For DIY troubleshooting advice and repair guides, visit our repair help section.

Owner’s manual

Showing 10 of 177 parts

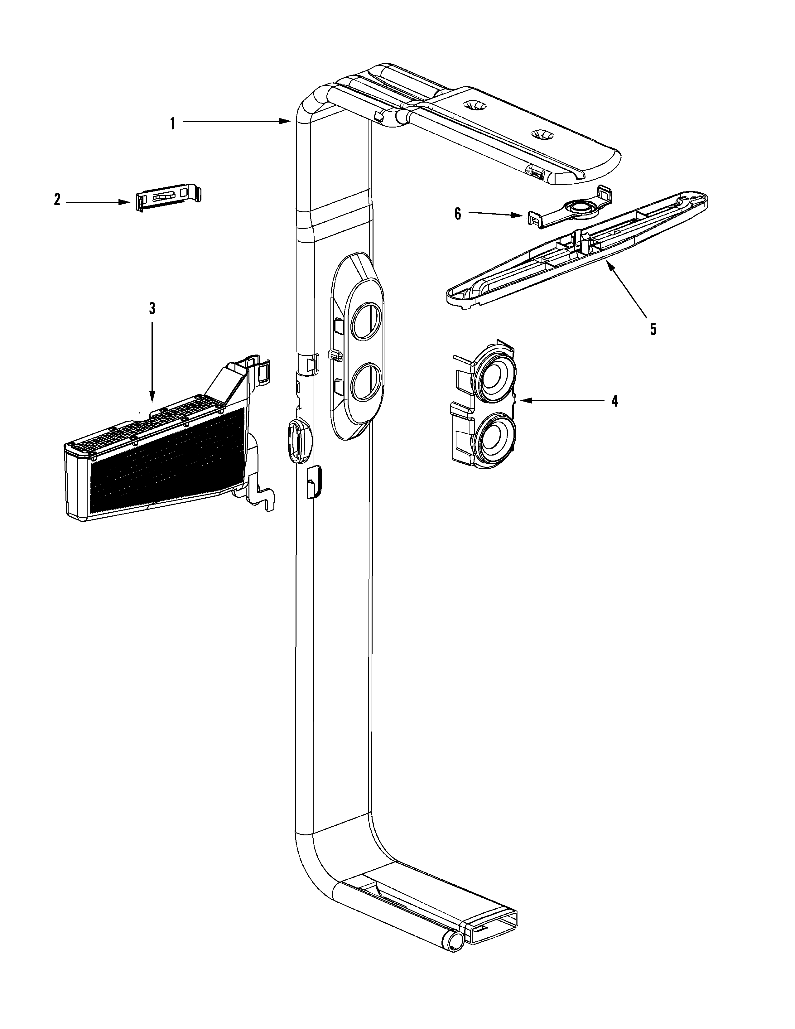
Dishwasher Door Latch and Handle Assembly (Black) (replaces W10130695, WPW10130694, WPW10130696)#3

Control panel Diagram

Latch handle (black)

Part #99002577
Replaced by #WPW10130695
?
Manufacturer substitution
This part replaces 99002577. Substitute parts can look different from the original.
BEST SELLER
In Stock
$27.03 | 
17% OFF 
MSRP: $32.67
Dishwasher Door Latch and Handle Assembly (Black) (replaces W10130695, WPW10130694, WPW10130696)#3B

Control panel Diagram

Dishwasher door handle

Part #99002579
Replaced by #WPW10130695
?
Manufacturer substitution
This part replaces 99002579. Substitute parts can look different from the original.
BEST SELLER
In Stock
$27.03 | 
17% OFF 
MSRP: $32.67
Dishwasher Door Latch and Handle Assembly (Black) (replaces W10130695, WPW10130694, WPW10130696)#3A

Control panel Diagram

Latch handle (off-white)

Part #99002578
Replaced by #WPW10130695
?
Manufacturer substitution
This part replaces 99002578. Substitute parts can look different from the original.
BEST SELLER
In Stock
$27.03 | 
17% OFF 
MSRP: $32.67
Dishwasher Silverware Basket#16

Track & rack assembly Diagram

Silverware basket

Part #99002617
Replaced by #WP6-918873
?
Manufacturer substitution
This part replaces 99002617. Substitute parts can look different from the original.
BEST SELLER
In Stock
$17.99 | 
10% OFF 
Phone Price: $19.99
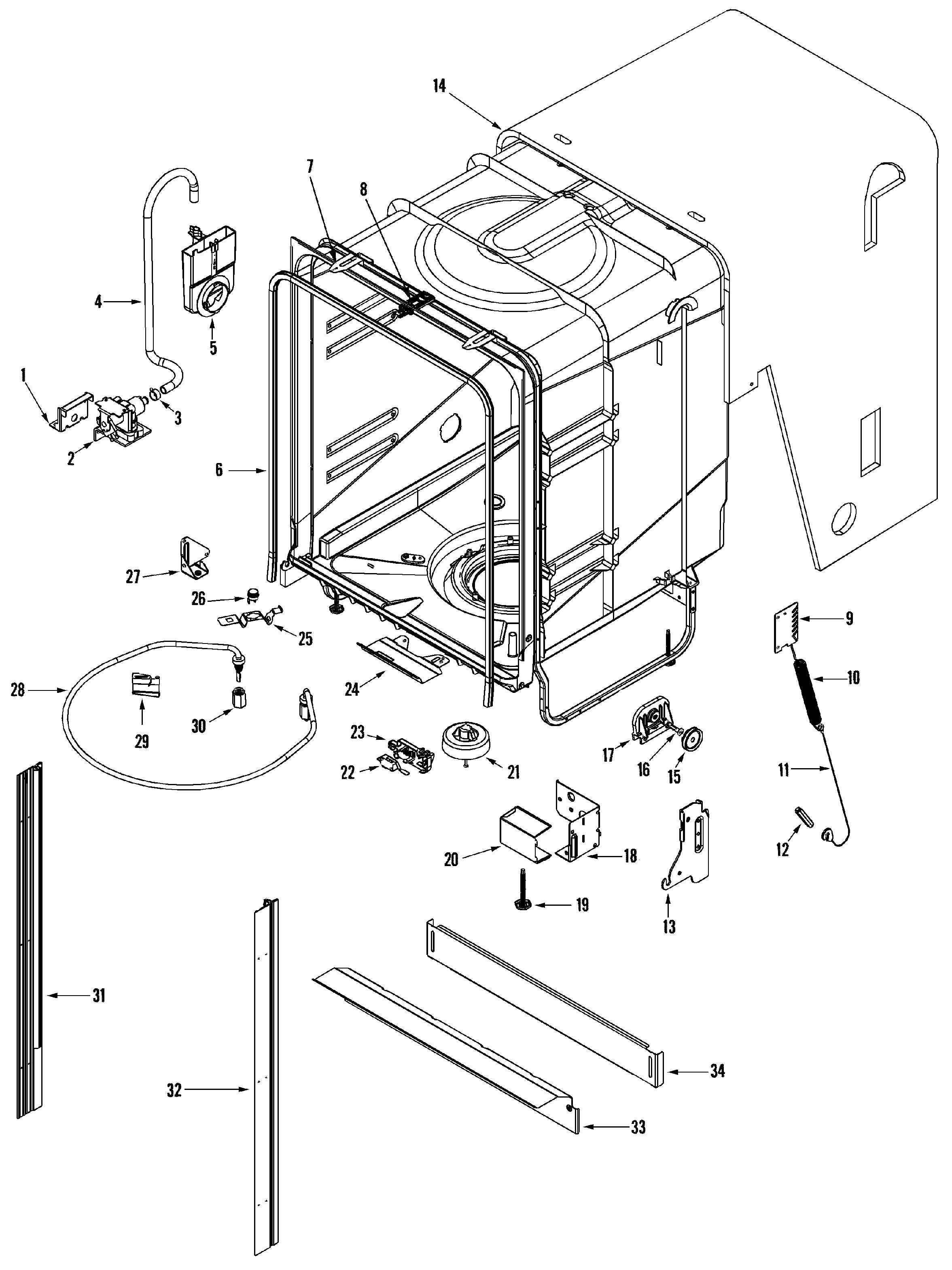
Appliance Hose Clamp#3

Tub Diagram

Clamp spring

Part #911856
Replaced by #WP596669
?
Manufacturer substitution
This part replaces 911856. Substitute parts can look different from the original.
BEST SELLER
This item is not returnable
In Stock
$4.37 | 
19% OFF 
Phone Price: $5.37
Dishwasher Door Cable#11

Tub Diagram

Door cable

Part #99002605
Replaced by #WP99003446
?
Manufacturer substitution
This part replaces 99002605. Substitute parts can look different from the original.
BEST SELLER
This item is not returnable
In Stock
$6.49 | 
13% OFF 
Phone Price: $7.49
Dishwasher Door Cable#12

Tub Diagram

Door complete link

Part #99002606
Replaced by #WP99003446
?
Manufacturer substitution
This part replaces 99002606. Substitute parts can look different from the original.
BEST SELLER
This item is not returnable
In Stock
$6.49 | 
13% OFF 
Phone Price: $7.49
Dishwasher Dishrack Roller, Lower#13

Track & rack assembly Diagram

Dishwasher dishrack roller, lower

Part #99002780
Replaced by #WP99002780
?
Manufacturer substitution
This part replaces 99002780. Substitute parts can look different from the original.
BEST SELLER
This item is not returnable
In Stock
$7.39 | 
12% OFF 
Phone Price: $8.39
Dishwasher Door Spring#10

Tub Diagram

Dishwasher door spring

Part #99002598
Replaced by #WP99002598
?
Manufacturer substitution
This part replaces 99002598. Substitute parts can look different from the original.
This item is not returnable
In Stock
$7.49 | 
12% OFF 
Phone Price: $8.49
Dishwasher Spray Arm Nut#1

Pump & motor Diagram

Dishwasher lower spray arm cap

Part #99002654
Replaced by #WP99002654
?
Manufacturer substitution
This part replaces 99002654. Substitute parts can look different from the original.
This item is not returnable
In Stock
$6.79 | 
13% OFF 
Phone Price: $7.79

Symptoms common to all dishwashers

Choose a symptom to see related dishwasher repairs.

Main causes: broken door latch, tripped circuit breaker, broken heating element, faulty vent fan, sensor failure, control system problem
Main cause: damaged rack height adjuster
Main causes: damaged or stuck spray arm, leaking door seal, damaged door hinge, leaky heating element water seal, cracked water supply line
Main causes: clogged kitchen sink drain, clogged drain hose, drain check valve damaged, drain pump failure, control system problem
Main causes: water supply problem, stuck overfill float, clogged water inlet valve screen, water inlet valve failure
Main causes: glass or popcorn kernel stuck in the chopper blade, drain line vibrating against the cabinet, debris in wash pump or drain pump
Main causes: broken door spring, damaged or broken door hinge
Main causes: not using rinse aid, rinse aid dispenser failure, broken heating element, malfunctioning vent, drying fan failure
Main causes: light switch beside the sink turned off, lack of power, bad dishwasher door switch, control system failure, wiring problem

Repair guides common to all dishwashers

These step-by-step repair guides will help you safely fix what’s broken on your dishwasher.

How to replace a dishwasher door latch assembly

If the dishwasher door doesn't click shut, a broken door latch is a likely cause. Follow these instructions to replace it yourself.

Repair difficulty
Time required
 30 minutes or less
How to replace a dishwasher user interface control

The user interface control houses the selection buttons and display. If it fails, you can't select the cycle and settings. Follow these instructions to replace it yourself.

Repair difficulty
Time required
 30 minutes or less
April 1, 2014
Lyle Weischwill
How to replace a dishwasher thermal fuse

A completely dead control panel often indicates that the thermal fuse on the electronic control board is blown; follow these steps to replace a blown thermal fuse in your dishwasher.

Repair difficulty
Time required
 15 minutes or less

Articles and videos common to all dishwashers

Use the advice and tips in these articles and videos to get the most out of your dishwasher.

November 13, 2022

7 Tips to Get Your Dishwasher Ready for the Holidays

Lyle Weischwill

Find professional tips that can help you get your dishwasher ready for the holidays.

December 23, 2021

How to reset a Whirlpool dishwasher

Lyle Weischwill

Learn how to reset a Whirlpool dishwasher when its control freezes up.

August 17, 2021

How to read a wiring schematic video

Lyle Weischwill

Learn how to decipher symbols so you can buy the right part for your problem.