GE
Electric Range

Model #EER3001H01SS Official GE electric range

Here are the diagrams and repair parts for GE EER3001H01SS electric range, as well as links to manuals and error code tables, if available.

There are a couple of ways to find the part or diagram you need:

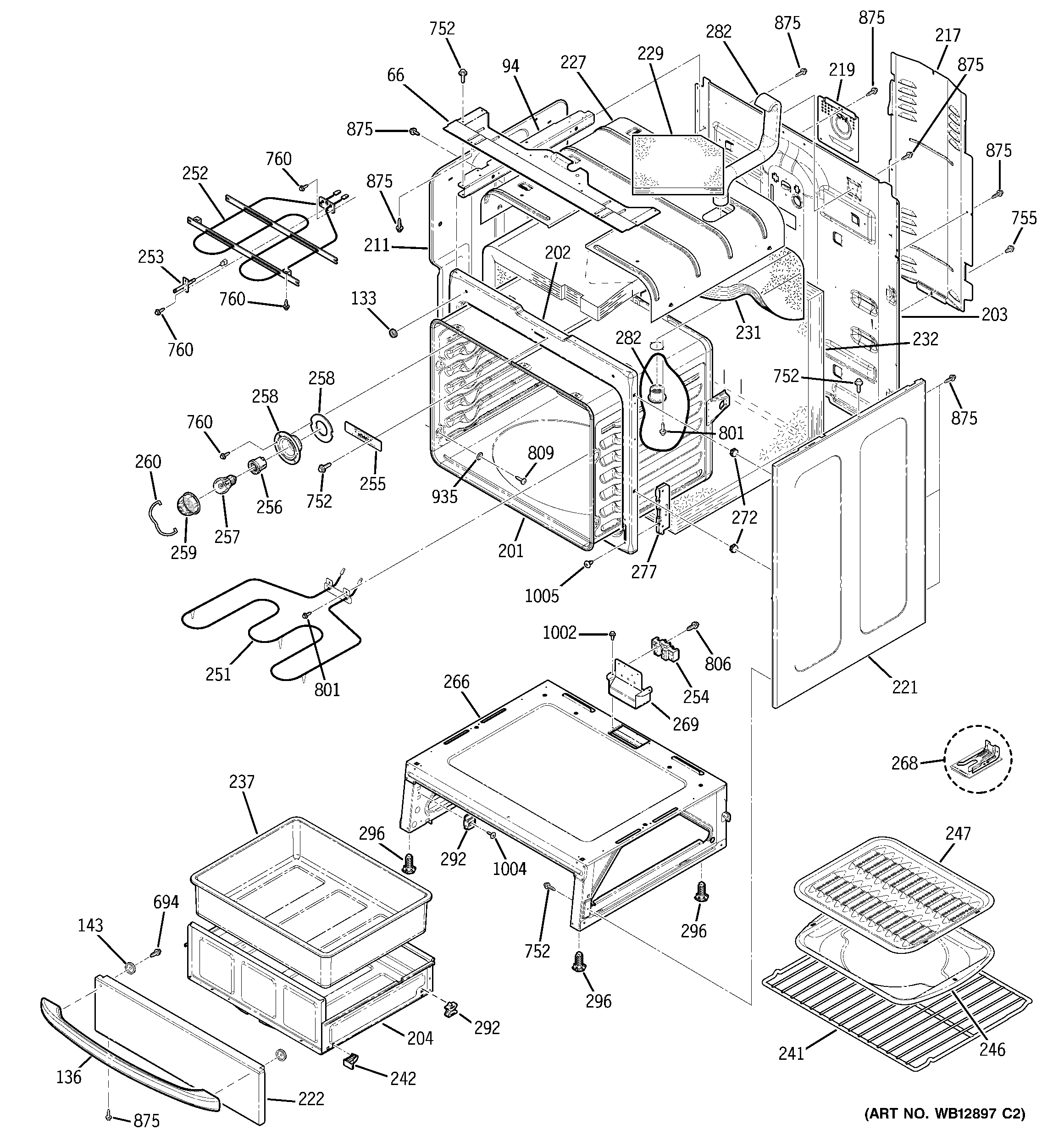
  • Click a diagram to see the parts shown on that diagram.
  • In the search box below, enter all or part of the part number or the part’s name.

Not all parts are shown on the diagrams—those parts are labeled NI, for “not illustrated”.

We encourage you to save the model to your profile, so it’s easy to access parts and manuals for your appliance whenever you log in.

For DIY troubleshooting advice and repair guides, visit our repair help section.

Showing 10 of 111 parts

Appliance Light Bulb, 40-watt (replaces 40A15-2PK, 60A, 60A15RVL, STD398091, WR02X12328, WX12X1510)#257

Body parts Diagram

Range oven light bulb

Part #WX12X1510
Replaced by #40A15
?
Manufacturer substitution
This part replaces WX12X1510. Substitute parts can look different from the original.
BEST SELLER
In Stock
$7.52 | 
12% OFF 
Phone Price: $8.52
Range Bake Element (replaces WB44T10059)#251

Body parts Diagram

Range bake element (replaces wb44t10059)

Part #WB44T10011
BEST SELLER
In Stock
$76.82 | 
6% OFF 
Phone Price: $81.82
Range Oven Light Lens (replaces WB2X6211, WB36X0192, WB36X279, WB36X299, WB36X389, WB8K5)#259

Body parts Diagram

Wall oven light lens

Part #WB36X0389
Replaced by #WB36X192
?
Manufacturer substitution
This part replaces WB36X0389. Substitute parts can look different from the original.
BEST SELLER
This item is not returnable
In Stock
$7.69 | 
12% OFF 
Phone Price: $8.69
Range Leveling Leg (replaces WB2X10521)#296

Body parts Diagram

Range leveling leg (replaces wb2x10521)

Part #WB02X10521
This item is not returnable
In Stock
$7.69 | 
12% OFF 
Phone Price: $8.69
Range Oven Rack#241

Body parts Diagram

Range oven rack

Part #WB48T10011
Back Order
$37.09 | 
12% OFF 
Phone Price: $42.09
Range Storage Drawer Support, Rear (replaces WB48T10030)#292

Body parts Diagram

Range storage drawer support, rear

Part #WB48T10030
Replaced by #WB02X33180
?
Manufacturer substitution
This part replaces WB48T10030. Substitute parts can look different from the original.
This item is not returnable
Back Order
$6.92 | 
13% OFF 
Phone Price: $7.92
Range Indicator Light Lens (Red) (replaces WB25K2)#34

Control panel Diagram

Range indicator light lens (red) (replaces wb25k2)

Part #WB25T10041
This item is not returnable
In Stock
$7.69 | 
12% OFF 
Phone Price: $8.69
Range Oven Control Board (replaces WB27T11311)#16

Control panel Diagram

Oven control

Part #WB27T10467
Replaced by #WB27T11273
?
Manufacturer substitution
This part replaces WB27T10467. Substitute parts can look different from the original.
In Stock
$104.87 | 
9% OFF 
Phone Price: $114.87
Range Halogen Surface Element (replaces WB30K5033, WB30T10006)#56

Cooktop Diagram

In Stock
$125.09 | 
7% OFF 
Phone Price: $135.09
Range Radiant Surface Element, 8-in (replaces WB30K5031, WB30T10007)#57

Cooktop Diagram

In Stock
$137.09 | 
7% OFF 
Phone Price: $147.09

Symptoms common to all ranges

Choose a symptom to see related range repairs.

Main causes: food splatters, spilling food on the oven door, allowing liquid to drip through oven door vent when cleaning the door
Main causes: power supply failure, blown thermal fuse, bad relay control board, damaged terminal block, wiring failure
Main causes: broken oven door lock assembly, wiring failure, electronic control board problem
Main causes: faulty temperature sensor, electronic control board problem, control thermostat failure, weak burner igniter, oven door problem
Main causes: broken broiler element, weak or broken broil burner igniter, control system failure, faulty temperature sensor, wiring failure
Main causes: power supply problem, control thermostat or electronic control board failure, broken element, bad burner igniter
Main causes: bad bake element, broken burner igniter, control system failure, blown thermal fuse, faulty temperature sensor, wiring failure

Repair guides common to all ranges

These step-by-step repair guides will help you safely fix what’s broken on your range.

July 20, 2018
Lyle Weischwill
How to replace a range oven door switch

The oven door switch detects whether the oven door is closed and helps control the oven light. Replace the switch if it doesn’t control the oven light properly.

Repair difficulty
Time required
 30 minutes or less
February 20, 2015
Lyle Weischwill
How to replace a range oven door lock assembly

Oven door not locking? You can replace the lock assembly in less than 30 minutes. Here's how.

Repair difficulty
Time required
 15 minutes or less

Articles and videos common to all ranges

Use the advice and tips in these articles and videos to get the most out of your range.

December 27, 2021

How does a self-cleaning oven work?

Lyle Weischwill

Learn how the self-clean cycle works in an oven.

October 1, 2019

Coil surface element on range not heating video

Lyle Weischwill

Learn how to troubleshoot a coil surface element on your stove that won't heat.

May 23, 2018

F90 error code troubleshooting for ranges video

Wayne Archer

Troubleshoot the door lock system to find and fix the problem.