Craftsman
Chipper/Shredder

Model #48624515 Official Craftsman chipper/vacuum

Here are the diagrams and repair parts for Craftsman 48624515 chipper/vacuum, as well as links to manuals and error code tables, if available.

There are a couple of ways to find the part or diagram you need:

  • Click a diagram to see the parts shown on that diagram.
  • In the search box below, enter all or part of the part number or the part’s name.

Not all parts are shown on the diagrams—those parts are labeled NI, for “not illustrated”.

We encourage you to save the model to your profile, so it’s easy to access parts and manuals for your appliance whenever you log in.

For DIY troubleshooting advice and repair guides, visit our repair help section.

Owner’s manual

Showing 10 of 126 parts

Lawn Tractor Lawn Vacuum Attachment Hose Adapter#12

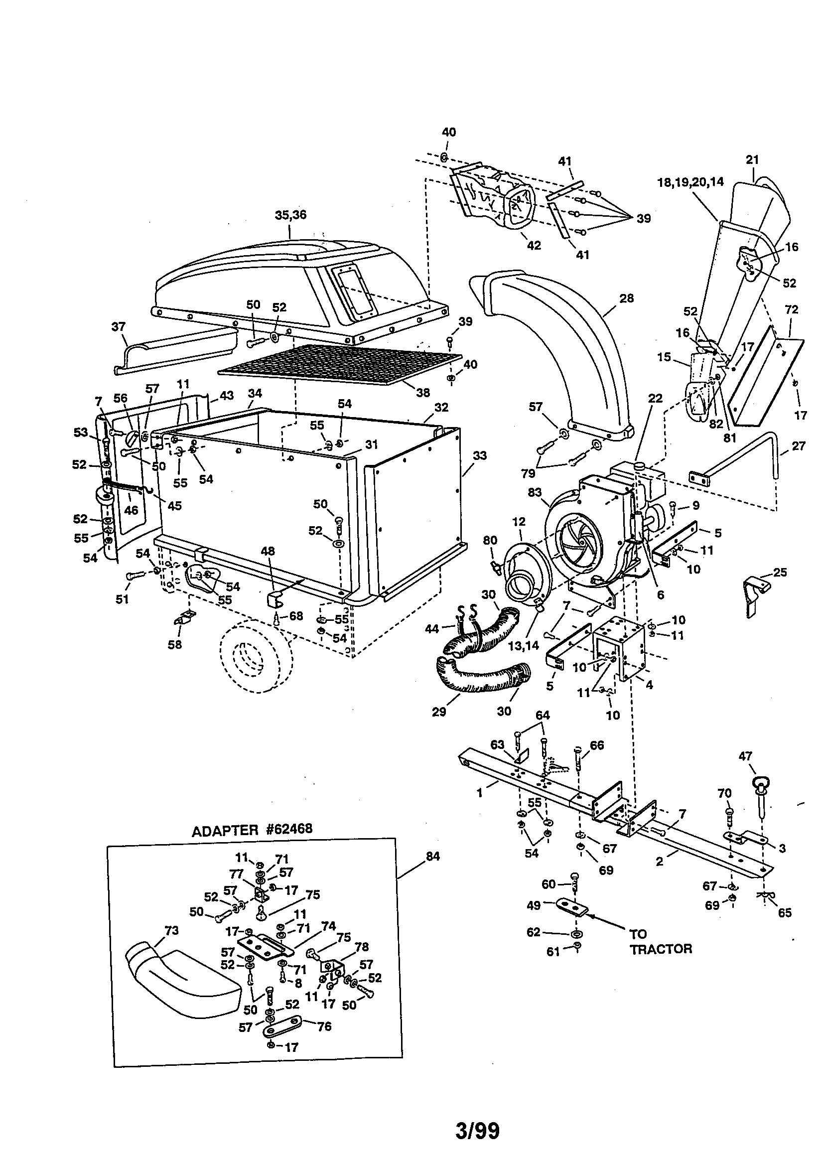
Chipper vac Diagram

Ass'y, hose

Part #63375
Replaced by #43791
?
Manufacturer substitution
This part replaces 63375. Substitute parts can look different from the original.
BEST SELLER
In Stock
$27.72 | 
15% OFF 
Phone Price: $32.72
Lawn Tractor Nut

See All Related Diagrams

Hex lock nut

Part #712-3010
Replaced by #47810
?
Manufacturer substitution
This part replaces 712-3010. Substitute parts can look different from the original.
BEST SELLER
This item is not returnable
Back Order
$2.49 | 
29% OFF 
Phone Price: $3.49
Lawn Tractor Attachment Washer, 5/16-in

Lawn tractor attachment washer, 5/16-in

Part #43081
BEST SELLER
This item is not returnable
In Stock
$1.69 | 
37% OFF 
Phone Price: $2.69
Lawn Tractor Attachment Washer, 5/16-in

See All Related Diagrams

Lawn & garden equipment bell washer

Part #736-0242
Replaced by #43081
?
Manufacturer substitution
This part replaces 736-0242. Substitute parts can look different from the original.
BEST SELLER
This item is not returnable
In Stock
$1.69 | 
37% OFF 
Phone Price: $2.69
Lawn Tractor Attachment Hex Lock Nut, 5/16-in

See All Related Diagrams

Lawn tractor attachment hex lock nut, 5/16-in

Part #43064
BEST SELLER
This item is not returnable
In Stock
$2.49 | 
29% OFF 
Phone Price: $3.49
Chipper/Shredder Blade#12

Impeller assembly Diagram

Blade

Part #742-0544
Replaced by #742-0544B
?
Manufacturer substitution
This part replaces 742-0544. Substitute parts can look different from the original.
BEST SELLER
In Stock
$36.39 | 
19% OFF 
MSRP: $45.00
Lawn & Garden Equipment Screw#7

Impeller assembly Diagram

Lawn & garden equipment screw

Part #710-1054
BEST SELLER
This item is not returnable
In Stock
$1.69 | 
37% OFF 
Phone Price: $2.69
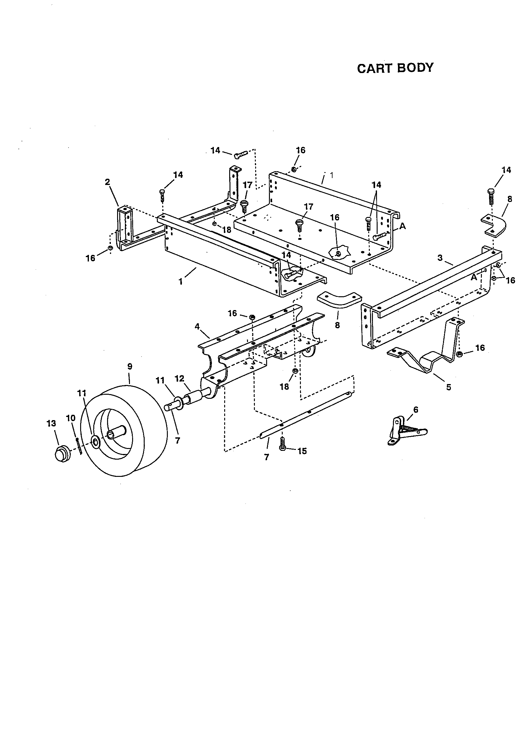
Lawn Tractor Attachment Wheel Hub Cap#13

Cart body Diagram

Lawn tractor attachment wheel hub cap

Part #43014
BEST SELLER
This item is not returnable
In Stock
$2.49 | 
29% OFF 
Phone Price: $3.49
Lawn & Garden Equipment Lock Washer, 3/8-in

See All Related Diagrams

Lawn & garden equipment lock washer, 3/8-in

Part #43003
BEST SELLER
This item is not returnable
In Stock
$2.49 | 
29% OFF 
Phone Price: $3.49
Lawn Vacuum Chipper/Shredder Clevis Pin#6

Impeller assembly Diagram

Lawn vacuum chipper/shredder clevis pin

Part #711-0833B
BEST SELLER
This item is not returnable
In Stock
$2.59 | 
28% OFF 
Phone Price: $3.59