Troybilt
Chipper/Shredder

Model #47279 Official Troybilt chipper/vacuum

Here are the diagrams and repair parts for Troybilt 47279 chipper/vacuum, as well as links to manuals and error code tables, if available.

There are a couple of ways to find the part or diagram you need:

  • Click a diagram to see the parts shown on that diagram.
  • In the search box below, enter all or part of the part number or the part’s name.

Not all parts are shown on the diagrams—those parts are labeled NI, for “not illustrated”.

We encourage you to save the model to your profile, so it’s easy to access parts and manuals for your appliance whenever you log in.

For DIY troubleshooting advice and repair guides, visit our repair help section.

Showing 10 of 158 parts

Lawn Tractor Screw#22

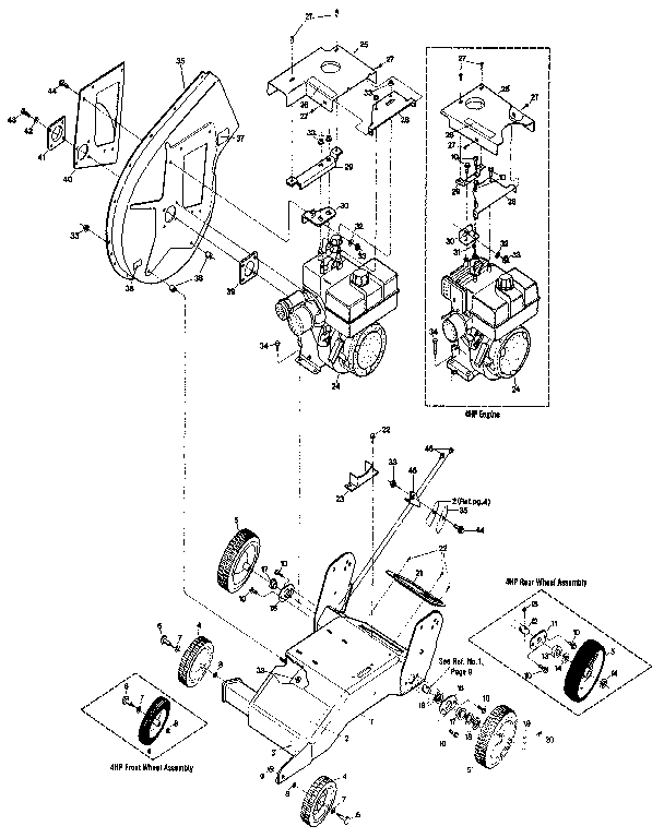
Main frame Diagram

Screw

Part #9552
Replaced by #710-0599
?
Manufacturer substitution
This part replaces 9552. Substitute parts can look different from the original.
BEST SELLER
This item is not returnable
In Stock
$4.78 | 
17% OFF 
Phone Price: $5.78
Lawn Tractor Hex Bolt#34A

Main frame Diagram

Screw

Part #90007
Replaced by #710-3008
?
Manufacturer substitution
This part replaces 90007. Substitute parts can look different from the original.
This item is not returnable
In Stock
$3.94 | 
20% OFF 
Phone Price: $4.94
Washer

See All Related Diagrams

Washer

Part #20545

The manufacturer no longer makes this part, and there's no substitute part

Lawn & Garden Equipment Cotter Pin#20

Main frame Diagram

Cotter pin

Part #9338
Replaced by #714-04048
?
Manufacturer substitution
This part replaces 9338. Substitute parts can look different from the original.
In Stock
$7.81
Lawn & Garden Equipment Hex Flange Nut

See All Related Diagrams

Nut

Part #9848
Replaced by #712-04054
?
Manufacturer substitution
This part replaces 9848. Substitute parts can look different from the original.
This item is not returnable
In Stock
$4.40
Wash:belvl#42

Main frame Diagram

Washer

Part #9944
Replaced by #736-04193
?
Manufacturer substitution
This part replaces 9944. Substitute parts can look different from the original.
This item is not returnable
In Stock
$6.59
Scr Fhskt 5/#31

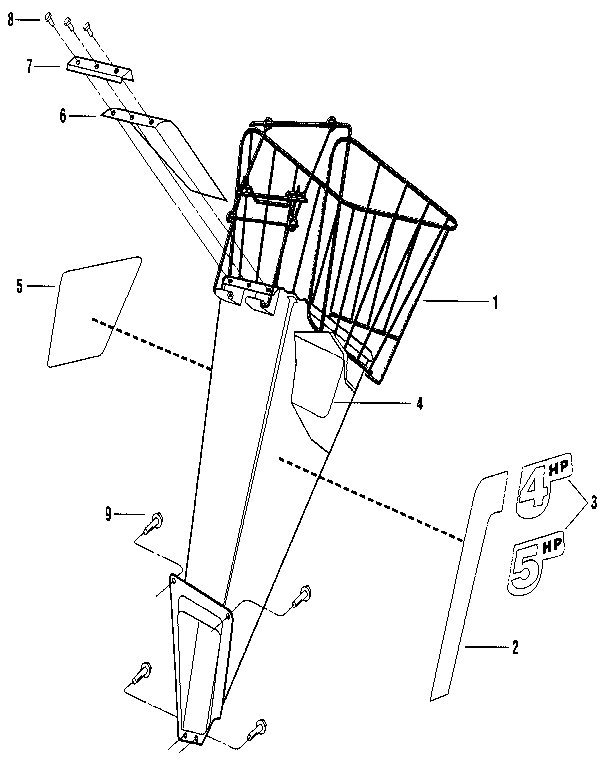
Shredder assembly Diagram

Screw

Part #1908476
Replaced by #1908476MA
?
Manufacturer substitution
This part replaces 1908476. Substitute parts can look different from the original.
This item is not returnable
In Stock
$4.59
Lawn & Garden Equipment Screw#34

Main frame Diagram

Scr hh

Part #1908680
Replaced by #710-0805A
?
Manufacturer substitution
This part replaces 1908680. Substitute parts can look different from the original.
This item is not returnable
In Stock
$4.14
Knob 1/4-20#6

Attachments and accessories Diagram

Knob

Part #1908590
Replaced by #1908590MA
?
Manufacturer substitution
This part replaces 1908590. Substitute parts can look different from the original.
In Stock
$21.82
Lawn & Garden Equipment Washer#29

Shredder assembly Diagram

Washer

Part #1908674
Replaced by #1908674MA
?
Manufacturer substitution
This part replaces 1908674. Substitute parts can look different from the original.
This item is not returnable
In Stock
$4.32