Kenmore
Dryer

Model #11078491100 Official Kenmore electric dryer

Here are the diagrams and repair parts for Kenmore 11078491100 electric dryer, as well as links to manuals and error code tables, if available.

There are a couple of ways to find the part or diagram you need:

  • Click a diagram to see the parts shown on that diagram.
  • In the search box below, enter all or part of the part number or the part’s name.

Not all parts are shown on the diagrams—those parts are labeled NI, for “not illustrated”.

We encourage you to save the model to your profile, so it’s easy to access parts and manuals for your appliance whenever you log in.

For DIY troubleshooting advice and repair guides, visit our repair help section.

Showing 10 of 132 parts

Dryer Door Latch Kit (replaces 2003, 3392538, 3398175, 8208)#38

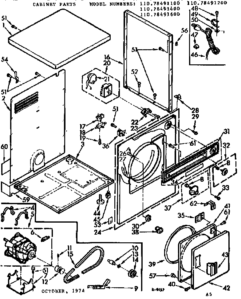
Cabinet parts Diagram

Door strike

Part #236876
Replaced by #279570
?
Manufacturer substitution
This part replaces 236876. Substitute parts can look different from the original.
BEST SELLER
This item is not returnable
In Stock
$3.40 | 
74% OFF 
MSRP: $13.00
Dryer Door Latch Kit (replaces 2003, 3392538, 3398175, 8208)#30

Cabinet parts Diagram

Door catch

Part #347813
Replaced by #279570
?
Manufacturer substitution
This part replaces 347813. Substitute parts can look different from the original.
BEST SELLER
This item is not returnable
In Stock
$3.40 | 
74% OFF 
MSRP: $13.00
Dryer Drum Support Roller Kit (replaces 26000349241, 3397590, 8170)#35

Bulkhead parts Diagram

Support

Part #349241
Replaced by #349241T
?
Manufacturer substitution
This part replaces 349241. Substitute parts can look different from the original.
BEST SELLER
In Stock
$21.99 | 
19% OFF 
Phone Price: $26.99
Dryer Idler Pulley (replaces 691366, W10612905)#9

Cabinet parts Diagram

Bracket

Part #337510
Replaced by #WP691366
?
Manufacturer substitution
This part replaces 337510. Substitute parts can look different from the original.
BEST SELLER
In Stock
$16.50 | 
11% OFF 
Phone Price: $18.50
Dryer Idler Pulley (replaces 691366, W10612905)#10

Cabinet parts Diagram

Shaft pulley

Part #337407
Replaced by #WP691366
?
Manufacturer substitution
This part replaces 337407. Substitute parts can look different from the original.
BEST SELLER
In Stock
$16.50 | 
11% OFF 
Phone Price: $18.50
Dryer Idler Pulley (replaces 691366, W10612905)#14

Cabinet parts Diagram

Pulley

Part #347226
Replaced by #WP691366
?
Manufacturer substitution
This part replaces 347226. Substitute parts can look different from the original.
BEST SELLER
In Stock
$16.50 | 
11% OFF 
Phone Price: $18.50
Dryer Drive Motor (replaces 2019, 3388235, 349588, 3980069, 661654, 8066206, 8066207, 8115, 8538262, 8539555, W10194250, W10366770, W10396029, W10396032, W10448892)#6C

Cabinet parts Diagram

Switch

Part #349588
Replaced by #279827
?
Manufacturer substitution
This part replaces 349588. Substitute parts can look different from the original.
BEST SELLER
In Stock
$96.85 | 
26% OFF 
MSRP: $130.00
Dryer Drive Motor (replaces 2019, 3388235, 349588, 3980069, 661654, 8066206, 8066207, 8115, 8538262, 8539555, W10194250, W10366770, W10396029, W10396032, W10448892)#5

Cabinet parts Diagram

Motor

Part #349808
Replaced by #279827
?
Manufacturer substitution
This part replaces 349808. Substitute parts can look different from the original.
BEST SELLER
In Stock
$96.85 | 
26% OFF 
MSRP: $130.00
Dryer Drive Motor (replaces 2019, 3388235, 349588, 3980069, 661654, 8066206, 8066207, 8115, 8538262, 8539555, W10194250, W10366770, W10396029, W10396032, W10448892)#6A

Cabinet parts Diagram

Switch

Part #337351
Replaced by #279827
?
Manufacturer substitution
This part replaces 337351. Substitute parts can look different from the original.
BEST SELLER
In Stock
$96.85 | 
26% OFF 
MSRP: $130.00
Dryer Lint Duct Housing Seal#6

Bulkhead parts Diagram

Dryer lint screen housing foam seal

Part #339956
Replaced by #WP339956
?
Manufacturer substitution
This part replaces 339956. Substitute parts can look different from the original.
BEST SELLER
This item is not returnable
In Stock
$7.09 | 
12% OFF 
Phone Price: $8.09

Symptoms common to all dryers

Choose a symptom to see related dryer repairs.

Main causes: bad drum support roller, damaged idler pulley, broken blower fan blade, worn drum glide bearing, bad drive motor
Main causes: bad gas valve coils, broken heating element, tripped safety thermostat or fuse, bad operating thermostat, control failure
Main causes: bad timer or electronic control board, door switch failure
Main causes: lack of electrical power, bad power cord, wiring failure, bad control board, blown thermal fuse, bad door switch
Main causes: clogged exhaust vent, bad motor relay, loose dryer door catch, bad door switch, control system failure, faulty drive motor
Main causes: damaged door strike, worn door catch
Main causes: door switch failure, lack of power, broken belt, blown thermal fuse, bad drive motor, control system failure
Main causes: clogged exhaust system, heating system failure, deposits on moisture sensor, control system failure

Repair guides common to all dryers

These step-by-step repair guides will help you safely fix what’s broken on your dryer.

August 1, 2014
By Lyle Weischwill
How to replace a dryer drum support roller

If your dryer thumps or squeals, replace the drum support roller to restore quiet to your home.

Repair difficulty
Time required
 90 minutes or less
August 1, 2014
By Lyle Weischwill
How to replace a dryer thermistor

The thermistor senses the air temperature in the dryer. If your dryer overheats or doesn't heat at all, the thermistor could be the problem.

Repair difficulty
Time required
 30 minutes or less
August 1, 2014
By Lyle Weischwill
How to replace a dryer idler pulley

The idler pulley exerts pressure keeps the drive belt tight so it can rotate the drum. A worn idler pulley squeals or squeaks when the dryer is running. Follow these instructions to replace it.

Repair difficulty
Time required
 90 minutes or less

Articles and videos common to all dryers

Use the advice and tips in these articles and videos to get the most out of your dryer.

October 24, 2022

Easy DIY appliance repairs that anyone can do

By Lyle Weischwill

Get advice on simple DIY fixes for appliances that you can safely do on your own.

August 5, 2022

Introducing new technical repair content that we’re developing for the Sears Technical Institute

By Lyle Weischwill

Learn about Sears Technical Institute and the advanced technical content being developed for aspiring appliance techs.

January 4, 2022

How to replace a Maytag dryer heating element

By Lyle Weischwill

Learn how to replace a Maytag dryer heating element