GE
Washer

Model #GNW128PSM0WW Official GE washer

Here are the diagrams and repair parts for GE GNW128PSM0WW washer, as well as links to manuals and error code tables, if available.

There are a couple of ways to find the part or diagram you need:

  • Click a diagram to see the parts shown on that diagram.
  • In the search box below, enter all or part of the part number or the part’s name.

Not all parts are shown on the diagrams—those parts are labeled NI, for “not illustrated”.

We encourage you to save the model to your profile, so it’s easy to access parts and manuals for your appliance whenever you log in.

For DIY troubleshooting advice and repair guides, visit our repair help section.

Owner’s manual

Showing 10 of 104 parts

Washer Hose and Coupler Assembly#104

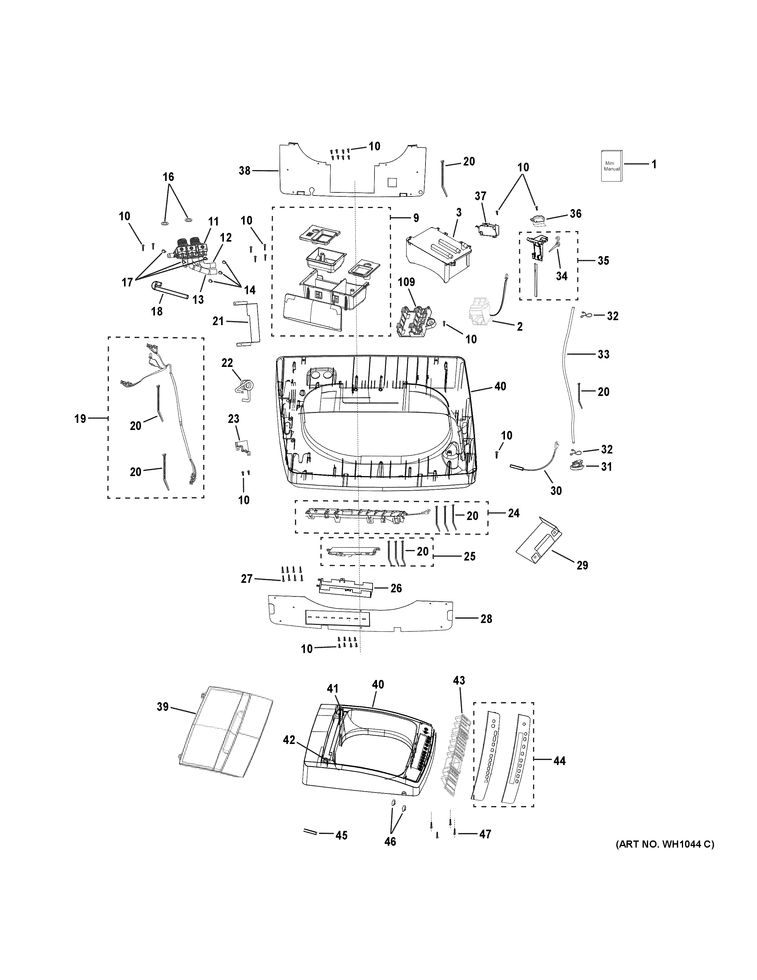
Cabinet Diagram

In Stock
$199.19 | 
5% OFF 
Phone Price: $209.19
FOOT WHEEL#100

Cabinet Diagram

Foot wheel

Part #WH46X27459
This item is not returnable
In Stock
$5.00
WATER VALVE INLET TUBE COMBINED#13

Controls & lid Diagram

Water valve inlet tube combined

Part #WH13X27262
This item is not returnable
In Stock
$5.00
Light Pipe#43

Controls & lid Diagram

Light pipe

Part #WH42X26901
This item is not returnable
In Stock
$6.29
Water-Level#32

Controls & lid Diagram

Water-level

Part #WH02X26870
This item is not returnable
In Stock
$5.00
THERMOVOLT WATER VALVE#21

Controls & lid Diagram

Thermovolt water valve

Part #WH13X27440
In Stock
$30.89 | 
14% OFF 
Phone Price: $35.89
OUTER HARNESS PROTECTIVE COVER

See All Related Diagrams

In Stock
$12.96
FRONT CONTROL PANEL#44

Controls & lid Diagram

Front control panel

Part #WH42X27445
In Stock
$53.99 | 
8% OFF 
Phone Price: $58.99
Lid Switch#37

Controls & lid Diagram

Lid switch

Part #WH12X26878
In Stock
$16.29 | 
11% OFF 
Phone Price: $18.29
User Interface Board#24

Controls & lid Diagram

User interface board

Part #WH18X27441
In Stock
$214.44

Symptoms common to all washers

Choose a symptom to see related washer repairs.

Main causes: leaky water inlet valve, faulty water-level pressure switch, bad electronic control board
Main causes: lack of electrical power, wiring failure, bad power cord, electronic control board failure, bad user interface board
Main causes: water heater failure, bad water temperature switch, faulty control board, bad water valve, faulty water temperature sensor
Main causes: unbalanced load, loose spanner nut, worn drive block, broken shock absorber or suspension spring, debris in drain pump
Main causes: broken lid switch or lid lock, bad pressure switch, broken shifter assembly, faulty control system
Main causes: clogged drain hose, house drain clogged, bad drain pump, water-level pressure switch failure, bad control board or timer
Main causes: worn agitator dogs, bad clutch, broken motor coupler, shifter assembly failure, broken door lock, suspension component failure
Main causes: no water supply, bad water valves, water-level pressure switch failure, control system failure, bad door lock or lid switch
Main causes: bad lid switch or door lock, bad timer or electronic control board, wiring failure, bad water inlet valve assembly

Articles and videos common to all washers

Use the advice and tips in these articles and videos to get the most out of your washer.

January 3, 2022

Why is my washing machine leaking when not in use?

By Lyle Weischwill

Learn how to fix a washing machine leak

December 30, 2021

How to fix a washing machine

By Lyle Weischwill

Learn how to fix your broken washing machine

April 10, 2020

Cleaning your appliances after a drinking water advisory

By Julie Riebe

Find out how to clean and flush household appliances once a boil water advisory is lifted.