Sharp
Upright Vacuum

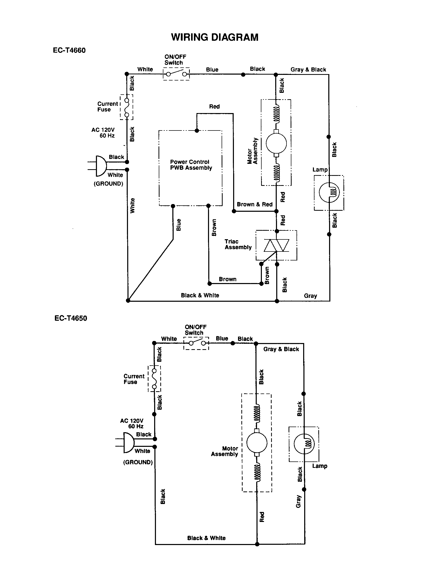
Model #EC-T4660 Official Sharp upright vacuum cleaner

Here are the diagrams and repair parts for Sharp EC-T4660 upright vacuum cleaner, as well as links to manuals and error code tables, if available.

There are a couple of ways to find the part or diagram you need:

  • Click a diagram to see the parts shown on that diagram.
  • In the search box below, enter all or part of the part number or the part’s name.

Not all parts are shown on the diagrams—those parts are labeled NI, for “not illustrated”.

We encourage you to save the model to your profile, so it’s easy to access parts and manuals for your appliance whenever you log in.

For DIY troubleshooting advice and repair guides, visit our repair help section.

Showing 10 of 124 parts

Roller Shaft#3-24

Upright vacuum Diagram

Roller shaft

Part #NROL-A019VBEA

The manufacturer no longer makes this part, and there's no substitute part

Rotor#2-39

Upright vacuum Diagram

Rotor

Part #DRTR-A003VBK0

The manufacturer no longer makes this part, and there's no substitute part

E-Ring#5-14

Upright vacuum Diagram

E-ring

Part #XRESE50-06000

The manufacturer no longer makes this part, and there's no substitute part

Seal#2-12

Upright vacuum Diagram

Seal

Part #PSEL-A021VBEA

The manufacturer no longer makes this part, and there's no substitute part

NAME PLATE (EC-T4660)#4-04

Upright vacuum Diagram

Name plate (ec-t4660)

Part #TSPC-A436VBR0

The manufacturer no longer makes this part, and there's no substitute part

Pedal#3-19

Upright vacuum Diagram

Pedal

Part #JBTN-A126VBFA

The manufacturer no longer makes this part, and there's no substitute part

Motor Brush#1-02

Upright vacuum Diagram

Motor brush

Part #QBRSCA018ABE0

The manufacturer no longer makes this part, and there's no substitute part

Rotor#2-47

Upright vacuum Diagram

Rotor

Part #NRTR-A004VBE0

The manufacturer no longer makes this part, and there's no substitute part

Wand#3-31

Upright vacuum Diagram

Wand

Part #FPIP-A004VBK0

The manufacturer no longer makes this part, and there's no substitute part

Special Screw#5-11

Upright vacuum Diagram

Special screw

Part #XZPSD30P12000

The manufacturer no longer makes this part, and there's no substitute part

Symptoms common to all vacuum cleaners

Choose a symptom to see related vacuum cleaner repairs.

Main causes: damaged vacuum hose, clogged motor air filter, bad suction motor
Main causes: broken drive belt, damaged brush roll, tripped brush roll motor overload, bad brush roll motor, wiring failure
Main causes: lack of power, bad power cord, drive motor failure, wiring failure
Main causes: weak suction motor, vacuum bag is full, clog in suction air path, dirty exhaust filter, leaky vacuum hose

Articles and videos common to all vacuum cleaners

Use the advice and tips in these articles and videos to get the most out of your vacuum.

June 29, 2022

Top questions about Sears and Sears PartsDirect

Lyle Weischwill

Get answers to frequently asked questions about Sears and Sears PartsDirect.

January 5, 2015

10 must-have tools for appliance repair

Lyle Weischwill

Come see which tools made our top 10 must-haves for DIY appliance repair.

July 1, 2013

Vacuum common questions

Lyle Weischwill

Find the answers to frequently asked questions about vacuum cleaners.