Whirlpool
Dishwasher

Model #7WDF530PAYM1 Official Whirlpool dishwasher

Here are the diagrams and repair parts for Whirlpool 7WDF530PAYM1 dishwasher, as well as links to manuals and error code tables, if available.

There are a couple of ways to find the part or diagram you need:

  • Click a diagram to see the parts shown on that diagram.
  • In the search box below, enter all or part of the part number or the part’s name.

Not all parts are shown on the diagrams—those parts are labeled NI, for “not illustrated”.

We encourage you to save the model to your profile, so it’s easy to access parts and manuals for your appliance whenever you log in.

For DIY troubleshooting advice and repair guides, visit our repair help section.

Showing 10 of 132 parts

Dishwasher Dishrack Slide Rail Stop, Upper (replaces 8565925)#4

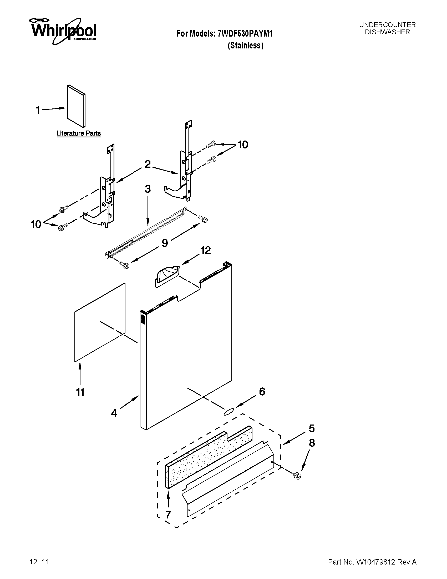
Upper rack and track parts Diagram

Dishwasher dishrack slide rail stop, upper

Part #8565925
Replaced by #WP8565925
?
Manufacturer substitution
This part replaces 8565925. Substitute parts can look different from the original.
BEST SELLER
This item is not returnable
In Stock
$6.40 | 
14% OFF 
Phone Price: $7.40
Dishwasher Heating Element Kit (replaces 8194250, W10134009, W10441445)#1

Heater parts Diagram

Dishwasher heating element

Part #W10134009
Replaced by #W10518394
?
Manufacturer substitution
This part replaces W10134009. Substitute parts can look different from the original.
BEST SELLER
In Stock
$35.24 | 
16% OFF 
MSRP: $42.00
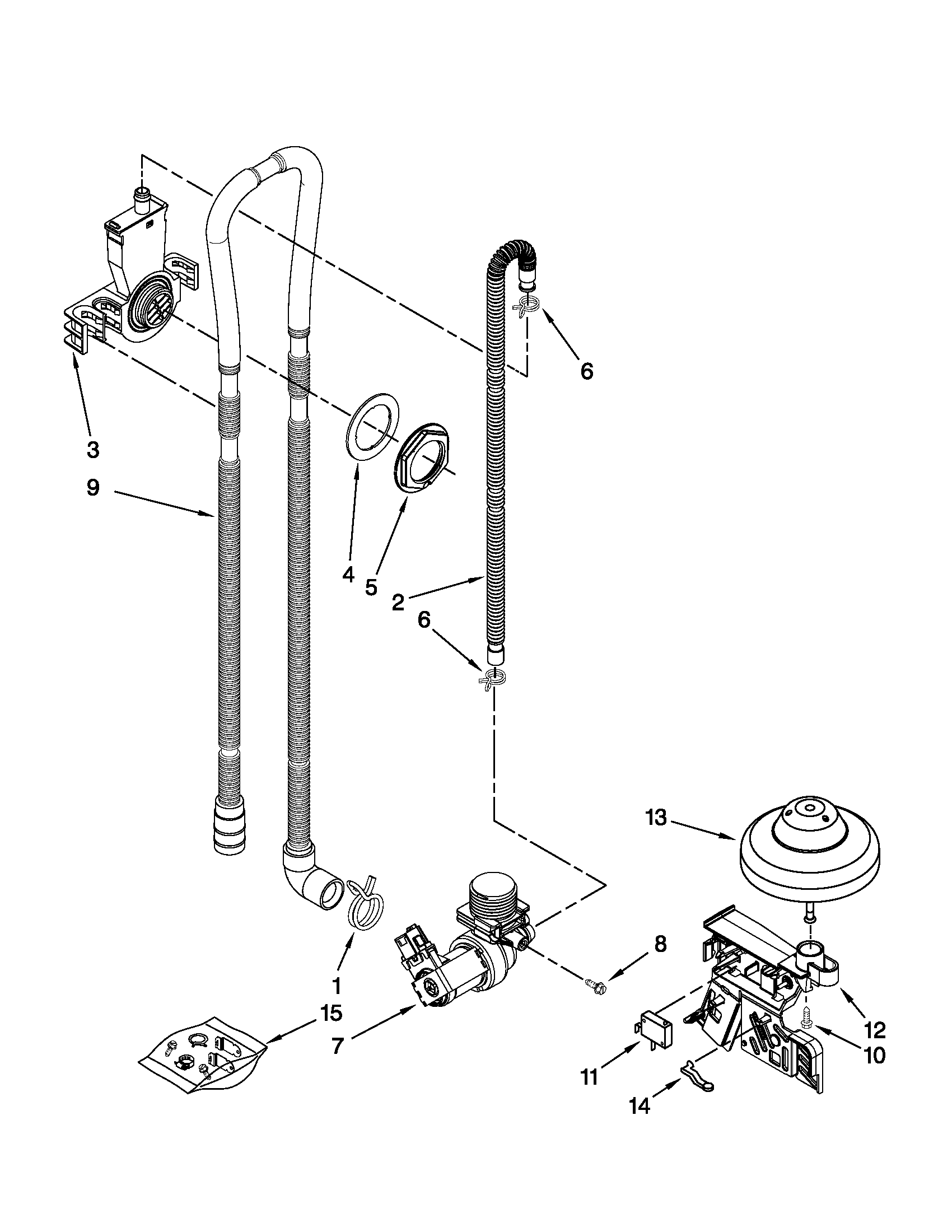
Dishwasher Pump Grommet (replaces W10195068, W10538166, W11182008, WPW10195068)#12

Pump and motor parts Diagram

Dishwasher pump grommet

Part #W10195068
Replaced by #WPW10538166
?
Manufacturer substitution
This part replaces W10195068. Substitute parts can look different from the original.
BEST SELLER
In Stock
$16.38 | 
30% OFF 
MSRP: $23.40
Dishwasher Rinse-Aid Dispenser Cap (replaces 8558307)#2

Inner door parts Diagram

Dishwasher rinse-aid dispenser cap

Part #8558307
Replaced by #WP8558307
?
Manufacturer substitution
This part replaces 8558307. Substitute parts can look different from the original.
BEST SELLER
In Stock
$15.80 | 
34% OFF 
MSRP: $24.00
Dishwasher Drain Pump (replaces W10348269)#7

Pump and motor parts Diagram

Dishwasher drain pump

Part #8558995
Replaced by #WPW10348269
?
Manufacturer substitution
This part replaces 8558995. Substitute parts can look different from the original.
BEST SELLER
In Stock
$68.31 | 
7% OFF 
Phone Price: $73.31
Dishwasher Filter Cup (replaces W10789806, W10789814, WPW10693534)#6

Pump and motor parts Diagram

Dishwasher filter

Part #W10425171
Replaced by #W10872845
?
Manufacturer substitution
This part replaces W10425171. Substitute parts can look different from the original.
BEST SELLER
In Stock
$38.21 | 
12% OFF 
Phone Price: $43.21
Dishwasher Drain Hose (replaces W10545278)#9

Fill, drain and overfill parts Diagram

Dishwasher drain hose

Part #W10137608
Replaced by #WPW10545278
?
Manufacturer substitution
This part replaces W10137608. Substitute parts can look different from the original.
BEST SELLER
In Stock
$55.20 | 
8% OFF 
Phone Price: $60.20
Dishwasher Drain Hose (replaces 8269144)#8

Pump and motor parts Diagram

Dishwasher drain hose

Part #8269144
Replaced by #8269144A
?
Manufacturer substitution
This part replaces 8269144. Substitute parts can look different from the original.
BEST SELLER
In Stock
$20.26 | 
20% OFF 
Phone Price: $25.26
Dishwasher Mounting Bracket (replaces 8269145)#6

Tub and frame parts Diagram

Dishwasher mounting bracket

Part #8269145
Replaced by #WP8269145
?
Manufacturer substitution
This part replaces 8269145. Substitute parts can look different from the original.
BEST SELLER
In Stock
$10.89 | 
16% OFF 
Phone Price: $12.89
Dishwasher Door Hinge Friction Sleeve (replaces 8268961)#19

Tub and frame parts Diagram

Dishwasher hinge friction sleeve

Part #8268961
Replaced by #WP8268961
?
Manufacturer substitution
This part replaces 8268961. Substitute parts can look different from the original.
BEST SELLER
This item is not returnable
In Stock
$6.06 | 
14% OFF 
Phone Price: $7.06

Symptoms common to all dishwashers

Choose a symptom to see related dishwasher repairs.

Main causes: broken door latch, tripped circuit breaker, broken heating element, faulty vent fan, sensor failure, control system problem
Main cause: damaged rack height adjuster
Main causes: damaged or stuck spray arm, leaking door seal, damaged door hinge, leaky heating element water seal, cracked water supply line
Main causes: clogged kitchen sink drain, clogged drain hose, drain check valve damaged, drain pump failure, control system problem
Main causes: water supply problem, stuck overfill float, clogged water inlet valve screen, water inlet valve failure
Main causes: glass or popcorn kernel stuck in the chopper blade, drain line vibrating against the cabinet, debris in wash pump or drain pump
Main causes: broken door spring, damaged or broken door hinge
Main causes: not using rinse aid, rinse aid dispenser failure, broken heating element, malfunctioning vent, drying fan failure
Main causes: light switch beside the sink turned off, lack of power, bad dishwasher door switch, control system failure, wiring problem

Repair guides common to all dishwashers

These step-by-step repair guides will help you safely fix what’s broken on your dishwasher.

How to replace a dishwasher door latch assembly

If the dishwasher door doesn't click shut, a broken door latch is a likely cause. Follow these instructions to replace it yourself.

Repair difficulty
Time required
 30 minutes or less
How to replace a dishwasher user interface control

The user interface control houses the selection buttons and display. If it fails, you can't select the cycle and settings. Follow these instructions to replace it yourself.

Repair difficulty
Time required
 30 minutes or less
April 1, 2014
Lyle Weischwill
How to replace a dishwasher thermal fuse

A completely dead control panel often indicates that the thermal fuse on the electronic control board is blown; follow these steps to replace a blown thermal fuse in your dishwasher.

Repair difficulty
Time required
 15 minutes or less

Articles and videos common to all dishwashers

Use the advice and tips in these articles and videos to get the most out of your dishwasher.

November 13, 2022

7 Tips to Get Your Dishwasher Ready for the Holidays

Lyle Weischwill

Find professional tips that can help you get your dishwasher ready for the holidays.

December 23, 2021

How to reset a Whirlpool dishwasher

Lyle Weischwill

Learn how to reset a Whirlpool dishwasher when its control freezes up.

August 17, 2021

How to read a wiring schematic video

Lyle Weischwill

Learn how to decipher symbols so you can buy the right part for your problem.