Maytag
Washer

Model #LAT7480ABL Official Maytag washer/dryer

Here are the diagrams and repair parts for Maytag LAT7480ABL washer/dryer, as well as links to manuals and error code tables, if available.

There are a couple of ways to find the part or diagram you need:

  • Click a diagram to see the parts shown on that diagram.
  • In the search box below, enter all or part of the part number or the part’s name.

Not all parts are shown on the diagrams—those parts are labeled NI, for “not illustrated”.

We encourage you to save the model to your profile, so it’s easy to access parts and manuals for your appliance whenever you log in.

For DIY troubleshooting advice and repair guides, visit our repair help section.

Showing 10 of 210 parts

Appliance Adhesive Sealant (replaces 14213557, 1430323, 17001001, 8201711, WP675652)#18

Transmission Diagram

Silastic,adh

Part #058700
Replaced by #W10841140
?
Manufacturer substitution
This part replaces 058700. Substitute parts can look different from the original.
BEST SELLER
In Stock
$14.99 | 
12% OFF 
Phone Price: $16.99
Laundry Appliance Door Switch Kit (replaces 279347, 347207, 89556)#16

Top cover Diagram

Lid switch

Part #205415
Replaced by #W10820036
?
Manufacturer substitution
This part replaces 205415. Substitute parts can look different from the original.
BEST SELLER
In Stock
$24.34 | 
26% OFF 
MSRP: $33.00
Washer Tub Bearing Kit (replaces 200824, 204013, 6-2008240)#21

Tub Diagram

Tub bearing

Part #204013
Replaced by #6-2040130
?
Manufacturer substitution
This part replaces 204013. Substitute parts can look different from the original.
BEST SELLER
In Stock
$53.81 | 
30% OFF 
MSRP: $77.00
Washer Cold/Hot Water Fill Hose, 6-ft#16

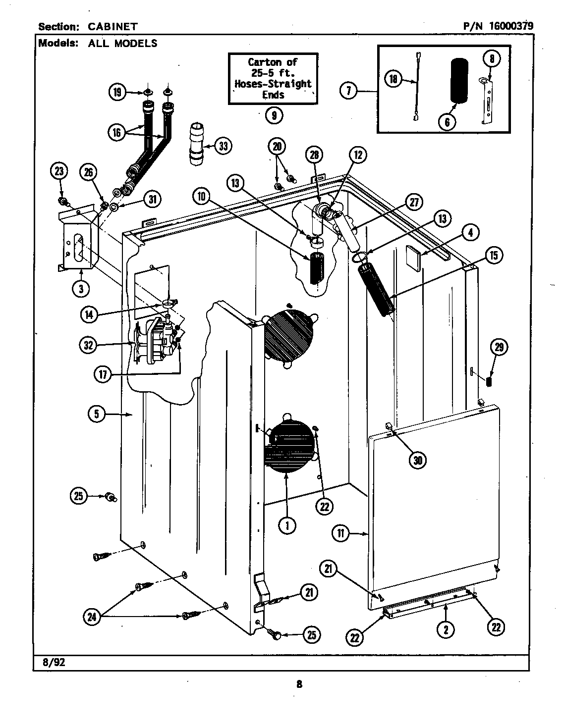
Cabinet Diagram

Inlet hose

Part #200672
Replaced by #WP76314
?
Manufacturer substitution
This part replaces 200672. Substitute parts can look different from the original.
BEST SELLER
In Stock
$25.89 | 
16% OFF 
Phone Price: $30.89
Washer Drive Motor Kit (replaces 201165, 201805, 201807SO, 201807SW, 22004301, AM119)#19

Base Diagram

Motor (one s

Part #201805
Replaced by #12002351
?
Manufacturer substitution
This part replaces 201805. Substitute parts can look different from the original.
BEST SELLER
In Stock
$166.60 | 
6% OFF 
Phone Price: $176.60
Washer Tub Bearing Kit (replaces 200824, 204013, 6-2008240)#44

Tub Diagram

Tub bearing

Part #200824
Replaced by #6-2040130
?
Manufacturer substitution
This part replaces 200824. Substitute parts can look different from the original.
BEST SELLER
In Stock
$53.81 | 
30% OFF 
MSRP: $77.00
Washer Water Inlet Valve (replaces 203177, 205614, 21001605, 22002882, 25832, 25832R)

See All Related Diagrams

In Stock
$83.99 | 
7% OFF 
MSRP: $90.24
Appliance Hose Clamp (replaces 3367052)

See All Related Diagrams

Hose clamp

Part #202574
Replaced by #WP3367052
?
Manufacturer substitution
This part replaces 202574. Substitute parts can look different from the original.
This item is not returnable
In Stock
$6.49 | 
13% OFF 
Phone Price: $7.49
Washer Tub Bearing (replaces 22003441)#1

Clutch Diagram

Ball bearing

Part #200720
Replaced by #WP22003441
?
Manufacturer substitution
This part replaces 200720. Substitute parts can look different from the original.
This item is not returnable
In Stock
$12.99 | 
13% OFF 
Phone Price: $14.99
Washer Lid Switch (replaces 207166)#5

Top cover Diagram

Washer lid switch

Part #207166
Replaced by #WP207166
?
Manufacturer substitution
This part replaces 207166. Substitute parts can look different from the original.
This item is not returnable
In Stock
$30.69 | 
14% OFF 
Phone Price: $35.69

Symptoms common to all washers

Choose a symptom to see related washer repairs.

Main causes: leaky water inlet valve, faulty water-level pressure switch, bad electronic control board
Main causes: lack of electrical power, wiring failure, bad power cord, electronic control board failure, bad user interface board
Main causes: water heater failure, bad water temperature switch, faulty control board, bad water valve, faulty water temperature sensor
Main causes: unbalanced load, loose spanner nut, worn drive block, broken shock absorber or suspension spring, debris in drain pump
Main causes: broken lid switch or lid lock, bad pressure switch, broken shifter assembly, faulty control system
Main causes: clogged drain hose, house drain clogged, bad drain pump, water-level pressure switch failure, bad control board or timer
Main causes: worn agitator dogs, bad clutch, broken motor coupler, shifter assembly failure, broken door lock, suspension component failure
Main causes: no water supply, bad water valves, water-level pressure switch failure, control system failure, bad door lock or lid switch
Main causes: bad lid switch or door lock, bad timer or electronic control board, wiring failure, bad water inlet valve assembly

Articles and videos common to all washers

Use the advice and tips in these articles and videos to get the most out of your washer.

January 3, 2022

Why is my washing machine leaking when not in use?

Lyle Weischwill

Learn how to fix a washing machine leak

December 30, 2021

How to fix a washing machine

Lyle Weischwill

Learn how to fix your broken washing machine

April 10, 2020

Cleaning your appliances after a drinking water advisory

Wayne Archer

Find out how to clean and flush household appliances once a boil water advisory is lifted.