Kenmore
Tools & Attachment

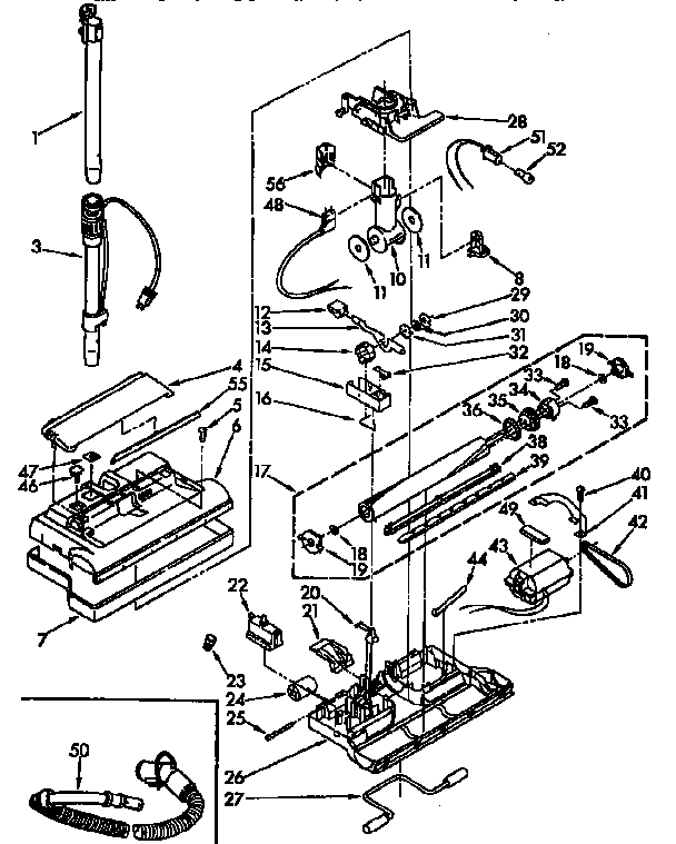
Model #1165419590C Official Kenmore powermate vacuum attachment

Here are the diagrams and repair parts for Kenmore 1165419590C powermate vacuum attachment, as well as links to manuals and error code tables, if available.

There are a couple of ways to find the part or diagram you need:

  • Click a diagram to see the parts shown on that diagram.
  • In the search box below, enter all or part of the part number or the part’s name.

Not all parts are shown on the diagrams—those parts are labeled NI, for “not illustrated”.

We encourage you to save the model to your profile, so it’s easy to access parts and manuals for your appliance whenever you log in.

For DIY troubleshooting advice and repair guides, visit our repair help section.

Showing 10 of 48 parts

Vacuum Beater Bar Belt#42

Power-mate parts Diagram

Belt

Part #742024
Replaced by #KS742024
?
Manufacturer substitution
This part replaces 742024. Substitute parts can look different from the original.
BEST SELLER
This item is not returnable
In Stock
$5.49 | 
15% OFF 
Phone Price: $6.49
Vacuum PowerMate Front Axle#27

Power-mate parts Diagram

Axle (silver)

Part #744029
Replaced by #KS744029
?
Manufacturer substitution
This part replaces 744029. Substitute parts can look different from the original.
BEST SELLER
This item is not returnable
In Stock
$7.79 | 
11% OFF 
Phone Price: $8.79
Vacuum PowerMate Swivel#10

Power-mate parts Diagram

Swivel

Part #4156162
Replaced by #KS4153196
?
Manufacturer substitution
This part replaces 4156162. Substitute parts can look different from the original.
BEST SELLER
This item is not returnable
In Stock
$10.19 | 
16% OFF 
Phone Price: $12.19
Screw#40

Power-mate parts Diagram

Screw

Part #681297

The manufacturer no longer makes this part, and there's no substitute part

Vacuum PowerMate Swivel Seal#11

Power-mate parts Diagram

Swivel seal (white)

Part #742019
Replaced by #KS742019
?
Manufacturer substitution
This part replaces 742019. Substitute parts can look different from the original.
This item is not returnable
In Stock
$7.69 | 
12% OFF 
Phone Price: $8.69
Vacuum Twist-On Wire Connector#23

Power-mate parts Diagram

Wire connector (tan)

Part #4154460
Replaced by #KS4154460
?
Manufacturer substitution
This part replaces 4154460. Substitute parts can look different from the original.
This item is not returnable
In Stock
$2.49
Vacuum Handle Release Pedal#21

Power-mate parts Diagram

Release

Part #4148391
Replaced by #KC47AGJ3V06
?
Manufacturer substitution
This part replaces 4148391. Substitute parts can look different from the original.
This item is not returnable
In Stock
$4.79 | 
17% OFF 
Phone Price: $5.79
INDICATORCAM#31

Power-mate parts Diagram

Catch

Part #722955
Replaced by #KS588543
?
Manufacturer substitution
This part replaces 722955. Substitute parts can look different from the original.
In Stock
$9.00
Vacuum Axle Lifter#20

Power-mate parts Diagram

Lifter

Part #742013
Replaced by #4370726
?
Manufacturer substitution
This part replaces 742013. Substitute parts can look different from the original.
This item is not returnable
In Stock
$14.39 | 
12% OFF 
Phone Price: $16.39
INDICATORCAM#14

Power-mate parts Diagram

Indicator cam

Part #747291
Replaced by #KS588543
?
Manufacturer substitution
This part replaces 747291. Substitute parts can look different from the original.
In Stock
$9.00