White-Westinghouse
Washer

Model #LA800MXW2 Official White-Westinghouse 27" washer - 5995221511

Here are the diagrams and repair parts for White-Westinghouse LA800MXW2 27" washer - 5995221511, as well as links to manuals and error code tables, if available.

There are a couple of ways to find the part or diagram you need:

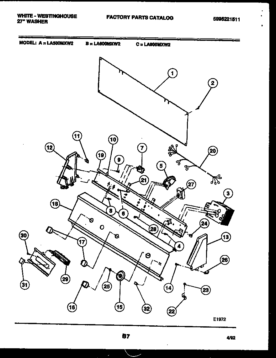
  • Click a diagram to see the parts shown on that diagram.
  • In the search box below, enter all or part of the part number or the part’s name.

Not all parts are shown on the diagrams—those parts are labeled NI, for “not illustrated”.

We encourage you to save the model to your profile, so it’s easy to access parts and manuals for your appliance whenever you log in.

For DIY troubleshooting advice and repair guides, visit our repair help section.

Showing 10 of 173 parts

Laundry Appliance Screw, #8-18 x 31/100-in#6

Console and control parts Diagram

Screw

Part #5303161233
Replaced by #131168200
?
Manufacturer substitution
This part replaces 5303161233. Substitute parts can look different from the original.
In Stock
$9.78 | 
30% OFF 
MSRP: $14.00
Washer Spin Bearing#19

Tub detail Diagram

Washer spin bearing

Part #3204405
In Stock
$64.63 | 
7% OFF 
Phone Price: $69.63
Washer Agitator Drive Hub#2

Transmission parts Diagram

Drive hub

Part #3204462
Replaced by #134418700
?
Manufacturer substitution
This part replaces 3204462. Substitute parts can look different from the original.
In Stock
$62.39 | 
7% OFF 
Phone Price: $67.39
Washer Shipping Block#36

Cabinet parts Diagram

Washer shipping block

Part #3204380

The manufacturer no longer makes this part, and there's no substitute part

Dryer Top Panel Clip#15

Cabinet parts Diagram

In Stock
$30.09
Laundry Center Washer Short Suspension Spring#23

Tub detail Diagram

Spring

Part #5303208858
Replaced by #134886600
?
Manufacturer substitution
This part replaces 5303208858. Substitute parts can look different from the original.
This item is not returnable
In Stock
$31.87
Dryer Power Cord, 15-amp, 120-volt#16

Cabinet parts Diagram

Cord

Part #5303208765
Replaced by #5304505407
?
Manufacturer substitution
This part replaces 5303208765. Substitute parts can look different from the original.
In Stock
$73.38
Washer Screw#27

Cabinet parts Diagram

Screw

Part #5308006553
Replaced by #131205100
?
Manufacturer substitution
This part replaces 5308006553. Substitute parts can look different from the original.
In Stock
$15.69 | 
11% OFF 
Phone Price: $17.69
Washer Lid Bumper#12

Cabinet parts Diagram

Bumper

Part #3204369
Replaced by #134075500
?
Manufacturer substitution
This part replaces 3204369. Substitute parts can look different from the original.
This item is not returnable
In Stock
$18.83 | 
10% OFF 
Phone Price: $20.83
Washer Hose Clamp#48

Tub detail Diagram

Clamp

Part #3204457
Replaced by #131306234
?
Manufacturer substitution
This part replaces 3204457. Substitute parts can look different from the original.
In Stock
$36.29 | 
12% OFF 
Phone Price: $41.29

Symptoms common to all washers

Choose a symptom to see related washer repairs.

Main causes: leaky water inlet valve, faulty water-level pressure switch, bad electronic control board
Main causes: lack of electrical power, wiring failure, bad power cord, electronic control board failure, bad user interface board
Main causes: water heater failure, bad water temperature switch, faulty control board, bad water valve, faulty water temperature sensor
Main causes: unbalanced load, loose spanner nut, worn drive block, broken shock absorber or suspension spring, debris in drain pump
Main causes: broken lid switch or lid lock, bad pressure switch, broken shifter assembly, faulty control system
Main causes: clogged drain hose, house drain clogged, bad drain pump, water-level pressure switch failure, bad control board or timer
Main causes: worn agitator dogs, bad clutch, broken motor coupler, shifter assembly failure, broken door lock, suspension component failure
Main causes: no water supply, bad water valves, water-level pressure switch failure, control system failure, bad door lock or lid switch
Main causes: bad lid switch or door lock, bad timer or electronic control board, wiring failure, bad water inlet valve assembly

Articles and videos common to all washers

Use the advice and tips in these articles and videos to get the most out of your washer.

January 3, 2022

Why is my washing machine leaking when not in use?

By Lyle Weischwill

Learn how to fix a washing machine leak

December 30, 2021

How to fix a washing machine

By Lyle Weischwill

Learn how to fix your broken washing machine

April 10, 2020

Cleaning your appliances after a drinking water advisory

By Julie Riebe

Find out how to clean and flush household appliances once a boil water advisory is lifted.