Mitsubishi
Central Air Conditioner

Model #MUZ-GE12NA Official Mitsubishi split-system air conditioner heat pump

Here are the diagrams and repair parts for Mitsubishi MUZ-GE12NA split-system air conditioner heat pump, as well as links to manuals and error code tables, if available.

There are a couple of ways to find the part or diagram you need:

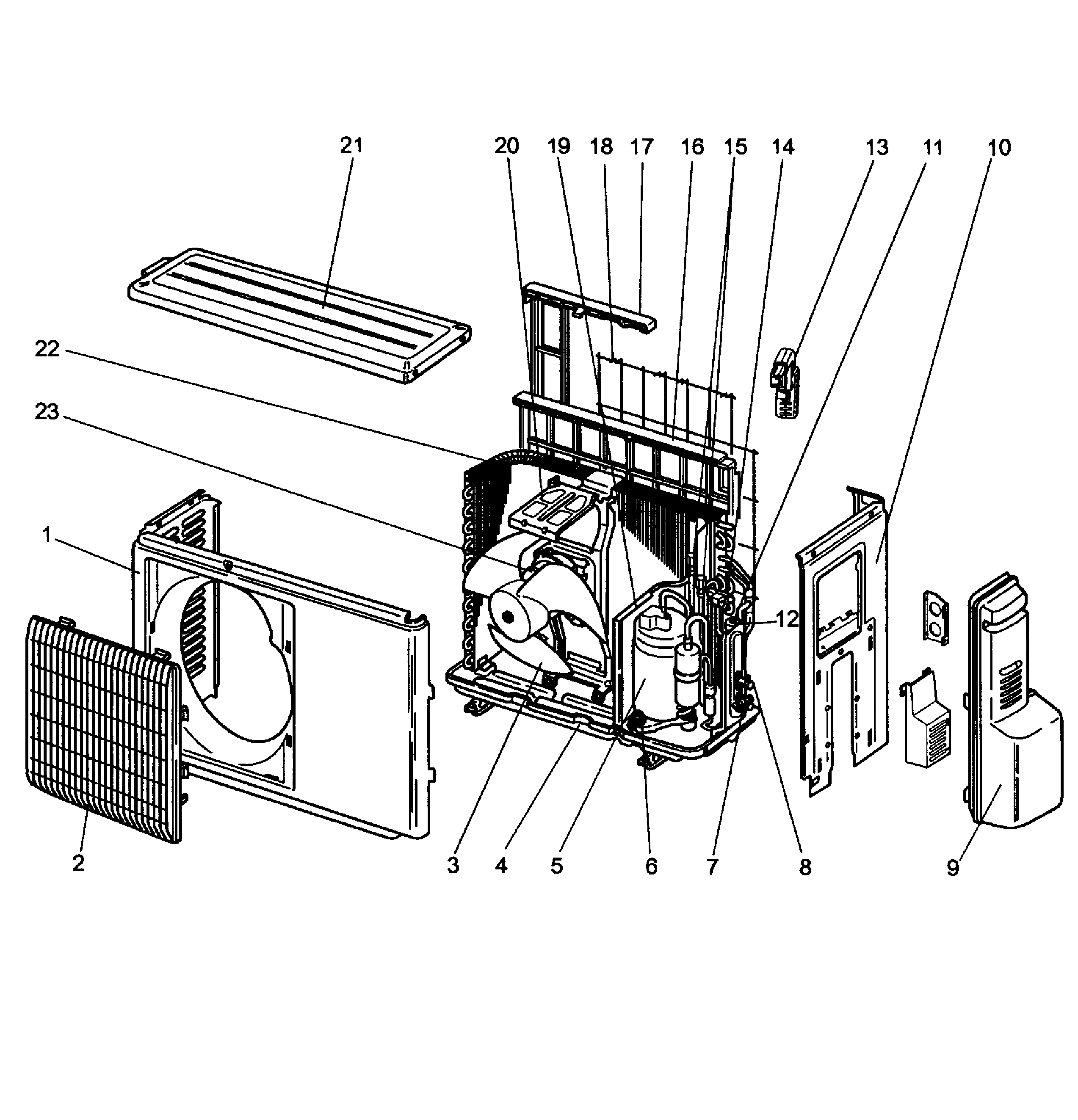
  • Click a diagram to see the parts shown on that diagram.
  • In the search box below, enter all or part of the part number or the part’s name.

Not all parts are shown on the diagrams—those parts are labeled NI, for “not illustrated”.

We encourage you to save the model to your profile, so it’s easy to access parts and manuals for your appliance whenever you log in.

For DIY troubleshooting advice and repair guides, visit our repair help section.

Installation guide

Showing 10 of 36 parts

Varistor#11

Pcb assy Diagram

Varistor

Part #E12661385

The manufacturer no longer makes this part, and there's no substitute part

Expansion Valve#11

Cabinet assy Diagram

Expansion valve

Part #E12927640

The manufacturer no longer makes this part, and there's no substitute part

Rv Coil#6

Pcb assy Diagram

Rv coil

Part #E12C85490

The manufacturer no longer makes this part, and there's no substitute part

Terminal#8

Pcb assy Diagram

Terminal

Part #E12927374

The manufacturer no longer makes this part, and there's no substitute part

Nylon Nut Inverter#9

Pcb assy Diagram

Nylon nut inverter

Part #E12E80451

The manufacturer no longer makes this part, and there's no substitute part

Outdoor Fan#23

Cabinet assy Diagram

Outdoor fan

Part #E12E79301

The manufacturer no longer makes this part, and there's no substitute part

Back Panel#10

Cabinet assy Diagram

Back panel

Part #E12E79233

The manufacturer no longer makes this part, and there's no substitute part

Stop Valve#8

Cabinet assy Diagram

Stop valve

Part #E12927662

The manufacturer no longer makes this part, and there's no substitute part

Outdr Heat#5

Pcb assy Diagram

Outdr heat

Part #E12C34307

The manufacturer no longer makes this part, and there's no substitute part

Ambient Te#4

Pcb assy Diagram

Ambient te

Part #E12927308

The manufacturer no longer makes this part, and there's no substitute part

Articles and videos common to all central air conditioners

October 24, 2022

Easy DIY appliance repairs that anyone can do

Lyle Weischwill

Get advice on simple DIY fixes for appliances that you can safely do on your own.

August 5, 2022

Introducing new technical repair content that we’re developing for the Sears Technical Institute

Lyle Weischwill

Learn about Sears Technical Institute and the advanced technical content being developed for aspiring appliance techs.

June 29, 2022

Top questions about Sears and Sears PartsDirect

Lyle Weischwill

Get answers to frequently asked questions about Sears and Sears PartsDirect.