Whirlpool
Washer

Model #WFW88HEAW2 Official Whirlpool washer

Here are the diagrams and repair parts for Whirlpool WFW88HEAW2 washer, as well as links to manuals and error code tables, if available.

There are a couple of ways to find the part or diagram you need:

  • Click a diagram to see the parts shown on that diagram.
  • In the search box below, enter all or part of the part number or the part’s name.

Not all parts are shown on the diagrams—those parts are labeled NI, for “not illustrated”.

We encourage you to save the model to your profile, so it’s easy to access parts and manuals for your appliance whenever you log in.

For DIY troubleshooting advice and repair guides, visit our repair help section.

Installation guideOwner’s manual

Showing 10 of 133 parts

Affresh Washer Cleaner, 3-pack (replaces 18001080, 77109, W10135699A)#NI

Optional parts (not included) Diagram

Affresh washer cleaner, 3-pack (replaces 18001080, 77109, w10135699a)

Part #W10135699
BEST SELLER

Get free shipping with Automatic Reorder

In Stock
$8.99 | 
44% OFF 
MSRP: $16.00
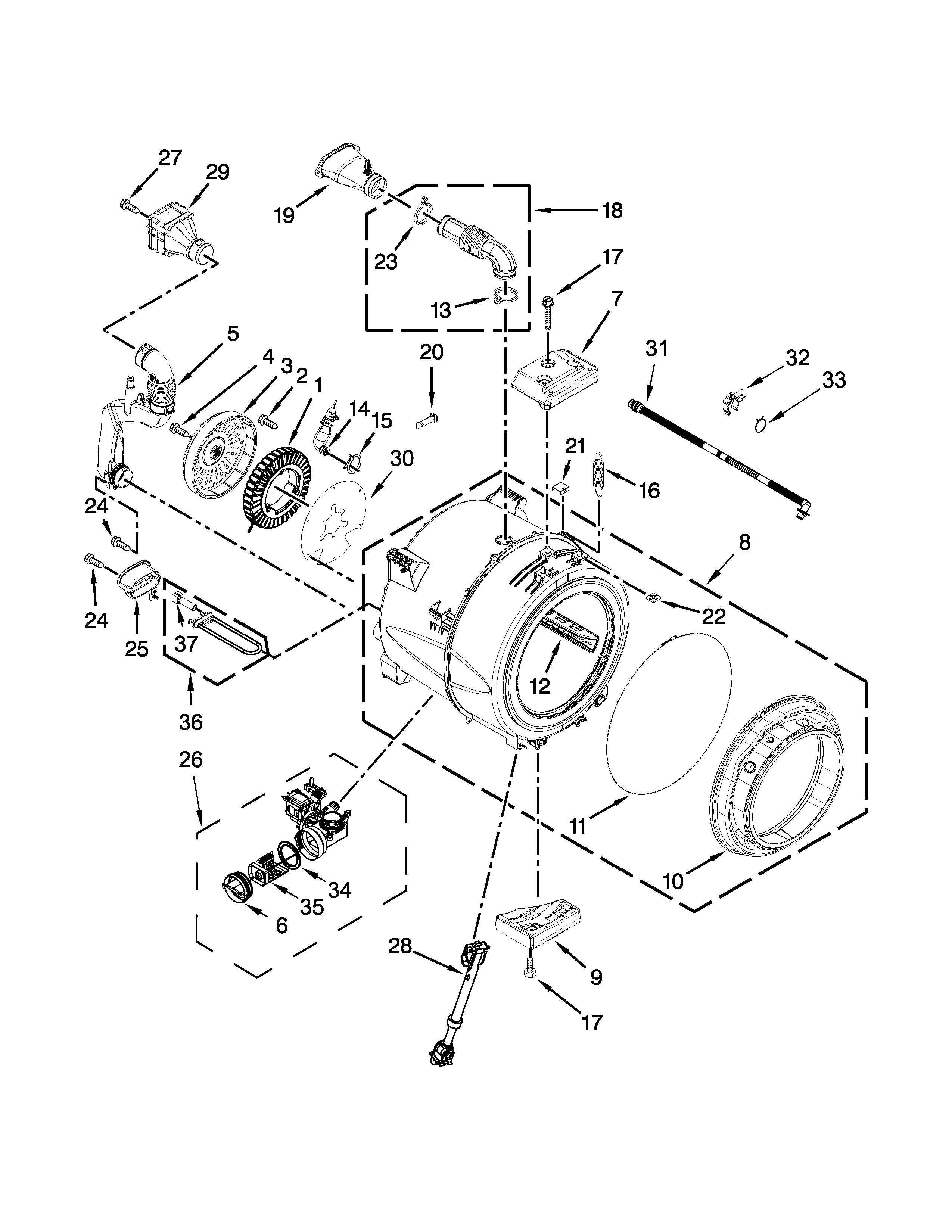
Washer Drain Pump (replaces W10605427, W10918044, WPW10425238)#26

Tub and basket parts Diagram

Washer drain pump

Part #W10425238
Replaced by #WPW10605427
?
Manufacturer substitution
This part replaces W10425238. Substitute parts can look different from the original.
BEST SELLER
In Stock
$52.51 | 
9% OFF 
Phone Price: $57.51
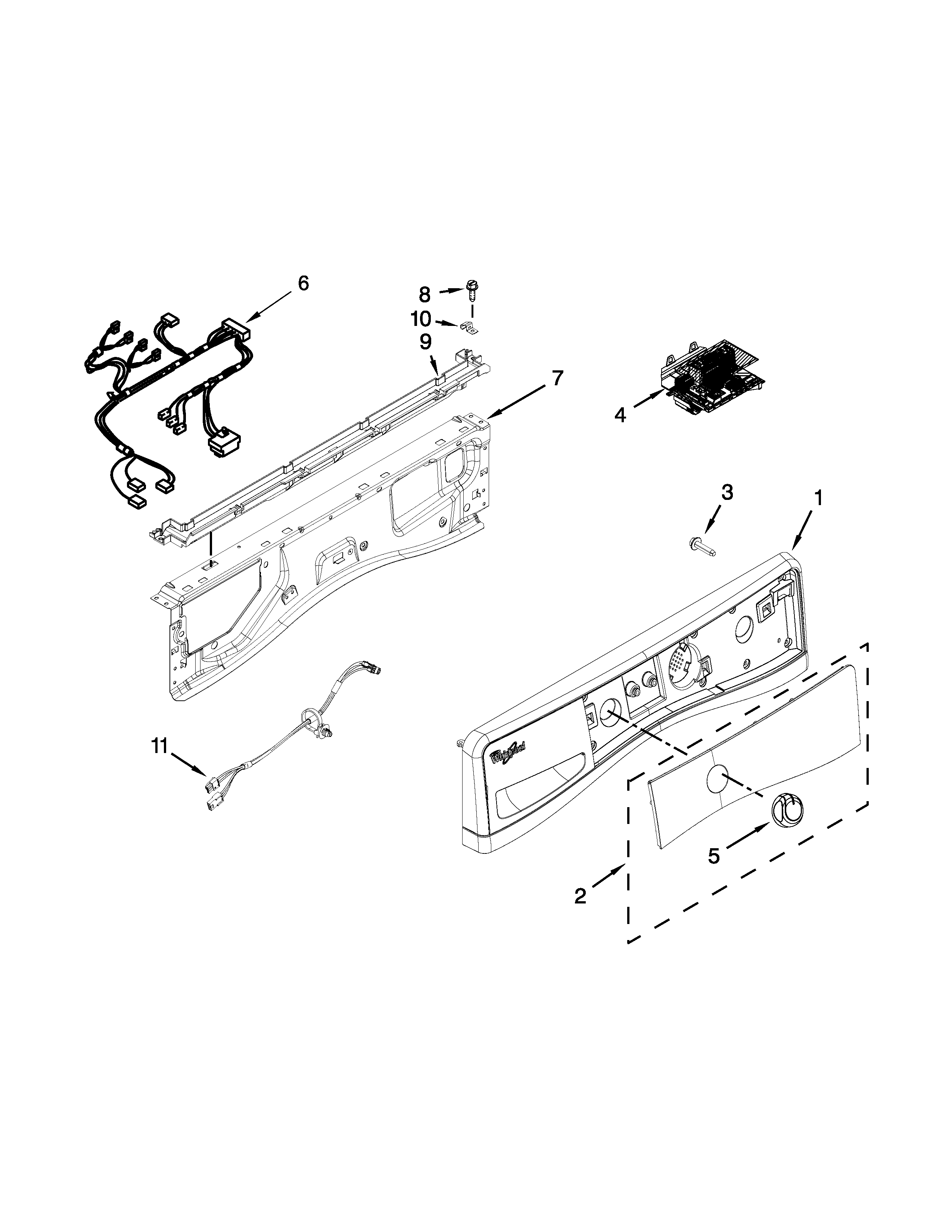
Washer Dispenser Drawer Assembly (replaces W10365885)#11

Dispenser parts Diagram

Washer dispenser drawer assembly

Part #W10365885
Replaced by #WPW10365885
?
Manufacturer substitution
This part replaces W10365885. Substitute parts can look different from the original.
BEST SELLER
In Stock
$54.16 | 
23% OFF 
MSRP: $70.00
Appliance Touch-Up Paint, 0.6-oz (White) (replaces 21020, 72017R, 8006, W10813125, Y058028)#NI

Optional parts (not included) Diagram

In Stock
$8.29 | 
11% OFF 
Phone Price: $9.29
Washer Door Hinge (replaces W10208415)#1

Door parts Diagram

Washer door hinge

Part #W10208415
Replaced by #WPW10208415
?
Manufacturer substitution
This part replaces W10208415. Substitute parts can look different from the original.
BEST SELLER
In Stock
$87.63 | 
5% OFF 
Phone Price: $92.63
Washer Water Inlet Valve (replaces W10435242)#1

Dispenser parts Diagram

Washer water inlet valve

Part #W10435242
Replaced by #WPW10435242
?
Manufacturer substitution
This part replaces W10435242. Substitute parts can look different from the original.
BEST SELLER
In Stock
$81.79 | 
17% OFF 
MSRP: $98.00
Washer Door Boot Spring Clamp (replaces W10818944, WPW10237502)#11

Tub and basket parts Diagram

Washer door boot spring clamp

Part #W10237502
Replaced by #W11218344
?
Manufacturer substitution
This part replaces W10237502. Substitute parts can look different from the original.
BEST SELLER
This item is not returnable
In Stock
$20.78 | 
19% OFF 
Phone Price: $25.78
Laundry Appliance Hinge Pin Cap#2

Door parts Diagram

Cap

Part #W10208398
Replaced by #WPW10208398
?
Manufacturer substitution
This part replaces W10208398. Substitute parts can look different from the original.
BEST SELLER
In Stock
$13.04 | 
13% OFF 
MSRP: $15.00
Washer Dispenser Drawer Insert (replaces W10365887)#10

Dispenser parts Diagram

Washer dispenser drawer insert

Part #W10365887
Replaced by #WPW10365887
?
Manufacturer substitution
This part replaces W10365887. Substitute parts can look different from the original.
BEST SELLER
Back Order
$46.92 | 
18% OFF 
Was: $57.29
Washer Dispenser Drawer Assembly (replaces W10365881, W10759476, W10853531)#8

Dispenser parts Diagram

Washer dispenser assembly

Part #W10365881
Replaced by #W10575334
?
Manufacturer substitution
This part replaces W10365881. Substitute parts can look different from the original.
Back Order
$116.00 | 
11% OFF 
MSRP: $130.00

Symptoms common to all washers

Choose a symptom to see related washer repairs.

Main causes: leaky water inlet valve, faulty water-level pressure switch, bad electronic control board
Main causes: lack of electrical power, wiring failure, bad power cord, electronic control board failure, bad user interface board
Main causes: water heater failure, bad water temperature switch, faulty control board, bad water valve, faulty water temperature sensor
Main causes: unbalanced load, loose spanner nut, worn drive block, broken shock absorber or suspension spring, debris in drain pump
Main causes: broken lid switch or lid lock, bad pressure switch, broken shifter assembly, faulty control system
Main causes: clogged drain hose, house drain clogged, bad drain pump, water-level pressure switch failure, bad control board or timer
Main causes: worn agitator dogs, bad clutch, broken motor coupler, shifter assembly failure, broken door lock, suspension component failure
Main causes: no water supply, bad water valves, water-level pressure switch failure, control system failure, bad door lock or lid switch
Main causes: bad lid switch or door lock, bad timer or electronic control board, wiring failure, bad water inlet valve assembly

Articles and videos common to all washers

Use the advice and tips in these articles and videos to get the most out of your washer.

January 3, 2022

Why is my washing machine leaking when not in use?

Lyle Weischwill

Learn how to fix a washing machine leak

December 30, 2021

How to fix a washing machine

Lyle Weischwill

Learn how to fix your broken washing machine

April 10, 2020

Cleaning your appliances after a drinking water advisory

Wayne Archer

Find out how to clean and flush household appliances once a boil water advisory is lifted.