GE
Washer

Model #WWA7079VCL Official GE washer

Here are the diagrams and repair parts for GE WWA7079VCL washer, as well as links to manuals and error code tables, if available.

There are a couple of ways to find the part or diagram you need:

  • Click a diagram to see the parts shown on that diagram.
  • In the search box below, enter all or part of the part number or the part’s name.

Not all parts are shown on the diagrams—those parts are labeled NI, for “not illustrated”.

We encourage you to save the model to your profile, so it’s easy to access parts and manuals for your appliance whenever you log in.

For DIY troubleshooting advice and repair guides, visit our repair help section.

Showing 10 of 267 parts

Washer Timer Knob Clip#9

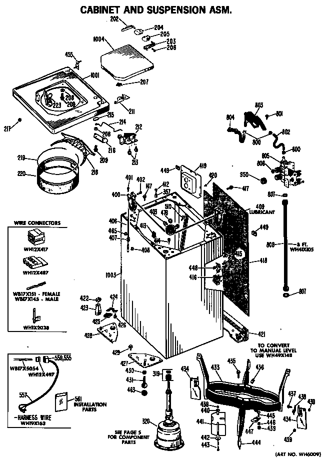
Backsplash assembly Diagram

In Stock
$7.69 | 
12% OFF 
Phone Price: $8.69
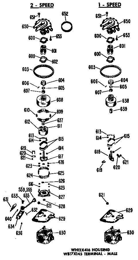
Washer Drive Belt#603

1-speed Diagram

Washer drive belt

Part #WH1X2026
In Stock
$7.59 | 
12% OFF 
Phone Price: $8.59
Dryer Screw#75

Backsplash assembly Diagram

Dryer screw

Part #WH2X930
This item is not returnable
In Stock
$7.69 | 
12% OFF 
Phone Price: $8.69
Washer Hose Clamp Kit

Washer hose clamp kit

Part #WH1X2036
In Stock
$11.39 | 
15% OFF 
Phone Price: $13.39
Washer Fill Hose, 2-pack#808

Cabinet and suspension asm. Diagram

In.hose 4

Part #WH41X58
Replaced by #WH41X10207
?
Manufacturer substitution
This part replaces WH41X58. Substitute parts can look different from the original.
This item is not returnable
In Stock
$23.39 | 
18% OFF 
Phone Price: $28.39
Washer Hose Clamp Kit#831

Tub, basket and agitator Diagram

Univ clamp

Part #WH1X2021
Replaced by #WH1X2036
?
Manufacturer substitution
This part replaces WH1X2021. Substitute parts can look different from the original.
In Stock
$11.39 | 
15% OFF 
Phone Price: $13.39
Washer Screw, 12-pack#417

Cabinet and suspension asm. Diagram

Scr&washer

Part #WH2X694
Replaced by #WH2X694D
?
Manufacturer substitution
This part replaces WH2X694. Substitute parts can look different from the original.
This item is not returnable
In Stock
$15.99 | 
11% OFF 
Phone Price: $17.99
Washer Tub Boot Clamp#311

Tub, basket and agitator Diagram

Washer tub boot clamp

Part #WH1X1292
In Stock
$16.48
Washer Leveling Leg Rubber Pad#463

Cabinet and suspension asm. Diagram

In Stock
$7.69 | 
12% OFF 
Phone Price: $8.69
Washer Tub Gasket#313

Tub, basket and agitator Diagram

Washer tub gasket

Part #WH8X305
In Stock
$39.59 | 
11% OFF 
Phone Price: $44.59

Symptoms common to all washers

Choose a symptom to see related washer repairs.

Main causes: leaky water inlet valve, faulty water-level pressure switch, bad electronic control board
Main causes: lack of electrical power, wiring failure, bad power cord, electronic control board failure, bad user interface board
Main causes: water heater failure, bad water temperature switch, faulty control board, bad water valve, faulty water temperature sensor
Main causes: unbalanced load, loose spanner nut, worn drive block, broken shock absorber or suspension spring, debris in drain pump
Main causes: broken lid switch or lid lock, bad pressure switch, broken shifter assembly, faulty control system
Main causes: clogged drain hose, house drain clogged, bad drain pump, water-level pressure switch failure, bad control board or timer
Main causes: worn agitator dogs, bad clutch, broken motor coupler, shifter assembly failure, broken door lock, suspension component failure
Main causes: no water supply, bad water valves, water-level pressure switch failure, control system failure, bad door lock or lid switch
Main causes: bad lid switch or door lock, bad timer or electronic control board, wiring failure, bad water inlet valve assembly

Articles and videos common to all washers

Use the advice and tips in these articles and videos to get the most out of your washer.

January 3, 2022

Why is my washing machine leaking when not in use?

By Lyle Weischwill

Learn how to fix a washing machine leak

December 30, 2021

How to fix a washing machine

By Lyle Weischwill

Learn how to fix your broken washing machine

April 10, 2020

Cleaning your appliances after a drinking water advisory

By Julie Riebe

Find out how to clean and flush household appliances once a boil water advisory is lifted.