GE
Electric Range

Model #JB650SF1SS Official GE electric range

Here are the diagrams and repair parts for GE JB650SF1SS electric range, as well as links to manuals and error code tables, if available.

There are a couple of ways to find the part or diagram you need:

  • Click a diagram to see the parts shown on that diagram.
  • In the search box below, enter all or part of the part number or the part’s name.

Not all parts are shown on the diagrams—those parts are labeled NI, for “not illustrated”.

We encourage you to save the model to your profile, so it’s easy to access parts and manuals for your appliance whenever you log in.

For DIY troubleshooting advice and repair guides, visit our repair help section.

Showing 10 of 116 parts

Appliance Light Bulb, 40-watt (replaces 40A15-2PK, 60A, 60A15RVL, STD398091, WR02X12328, WX12X1510)#257

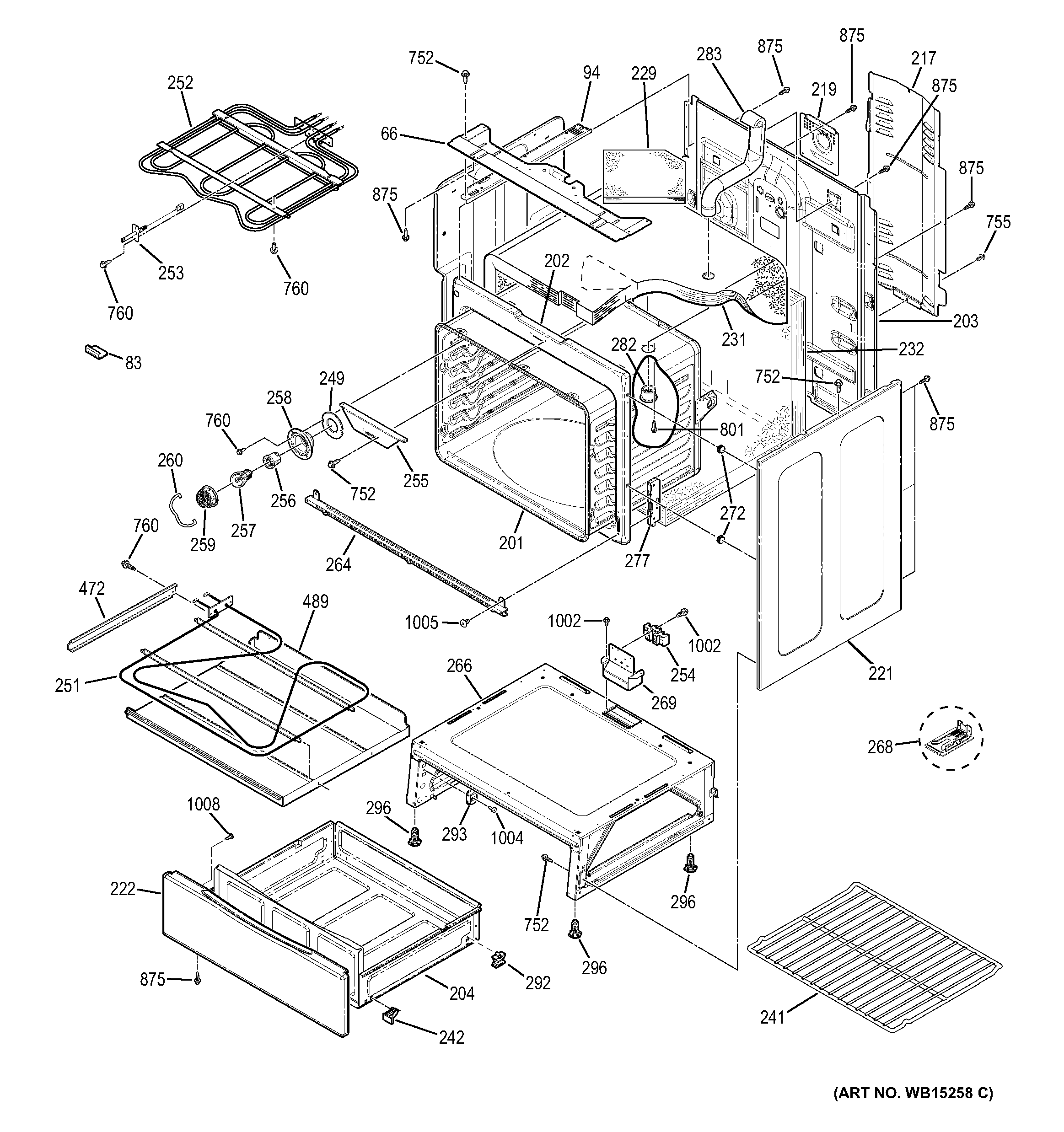
Body parts Diagram

Range oven light bulb

Part #WX12X1510
Replaced by #40A15
?
Manufacturer substitution
This part replaces WX12X1510. Substitute parts can look different from the original.
BEST SELLER
In Stock
$7.52 | 
12% OFF 
Phone Price: $8.52
Range Oven Temperature Sensor#253

Body parts Diagram

Wall oven temperature sensor

Part #WB21T10007
Replaced by #WB21X22134
?
Manufacturer substitution
This part replaces WB21T10007. Substitute parts can look different from the original.
BEST SELLER
In Stock
$17.29 | 
10% OFF 
Phone Price: $19.29
Range Halogen Surface Element#58

Cooktop Diagram

Range halogen surface element

Part #WB30T10130
BEST SELLER
In Stock
$131.19 | 
20% OFF 
Was: $163.99
Range Surface Element Control Switch, 1,500-watt#22

Control panel Diagram

In Stock
$44.51 | 
10% OFF 
Was: $49.45
Range Light Socket#256

Body parts Diagram

Range light socket

Part #WB08T10026
BEST SELLER
This item is not returnable
In Stock
$7.69 | 
12% OFF 
Phone Price: $8.69
Range Oven Rack#241

Body parts Diagram

Range oven rack

Part #WB48T10063
BEST SELLER
In Stock
$46.16 | 
10% OFF 
Was: $51.29
Range Oven Door Gasket#111

Door Diagram

Range oven door gasket

Part #WB04T10001
Replaced by #WB04T10086
?
Manufacturer substitution
This part replaces WB04T10001. Substitute parts can look different from the original.
Back Order
$43.09 | 
10% OFF 
Phone Price: $48.09
Range Screw#699

Door Diagram

Screw

Part #WB01K5150
Replaced by #WB1M1
?
Manufacturer substitution
This part replaces WB01K5150. Substitute parts can look different from the original.
This item is not returnable
In Stock
$7.39 | 
12% OFF 
Phone Price: $8.39
Range Screw#801

Body parts Diagram

Screw

Part #WB01M0001
Replaced by #WB1M1
?
Manufacturer substitution
This part replaces WB01M0001. Substitute parts can look different from the original.
This item is not returnable
In Stock
$7.39 | 
12% OFF 
Phone Price: $8.39
Cooktop Indicator Light#32

Cooktop Diagram

Cooktop indicator light

Part #WB27T10668
In Stock
$7.69 | 
12% OFF 
Phone Price: $8.69

Symptoms common to all ranges

Choose a symptom to see related range repairs.

Main causes: food splatters, spilling food on the oven door, allowing liquid to drip through oven door vent when cleaning the door
Main causes: power supply failure, blown thermal fuse, bad relay control board, damaged terminal block, wiring failure
Main causes: broken oven door lock assembly, wiring failure, electronic control board problem
Main causes: faulty temperature sensor, electronic control board problem, control thermostat failure, weak burner igniter, oven door problem
Main causes: broken broiler element, weak or broken broil burner igniter, control system failure, faulty temperature sensor, wiring failure
Main causes: power supply problem, control thermostat or electronic control board failure, broken element, bad burner igniter
Main causes: bad bake element, broken burner igniter, control system failure, blown thermal fuse, faulty temperature sensor, wiring failure

Repair guides common to all ranges

These step-by-step repair guides will help you safely fix what’s broken on your range.

July 20, 2018
By Lyle Weischwill
How to replace a range oven door switch

The oven door switch detects whether the oven door is closed and helps control the oven light. Replace the switch if it doesn’t control the oven light properly.

Repair difficulty
Time required
 30 minutes or less
February 20, 2015
By Lyle Weischwill
How to replace a range oven door lock assembly

Oven door not locking? You can replace the lock assembly in less than 30 minutes. Here's how.

Repair difficulty
Time required
 15 minutes or less

Articles and videos common to all ranges

Use the advice and tips in these articles and videos to get the most out of your range.

May 12, 2022

How to disassemble an Electrolux EW30 freestanding electric range

By Lyle Weischwill

See how to access control boards and oven components in an Electrolux electric range.

December 27, 2021

How does a self-cleaning oven work?

By Lyle Weischwill

Learn how the self-clean cycle works in an oven.

May 31, 2016

Oven door won't open: troubleshooting door lock problems on a range video

By Lyle Weischwill

Troubleshoot and repair problems with your range when your oven door locks shut and you can't get it open.