Maytag
Electric Range

Model #PES3759BCS Official Maytag electric slide-in range

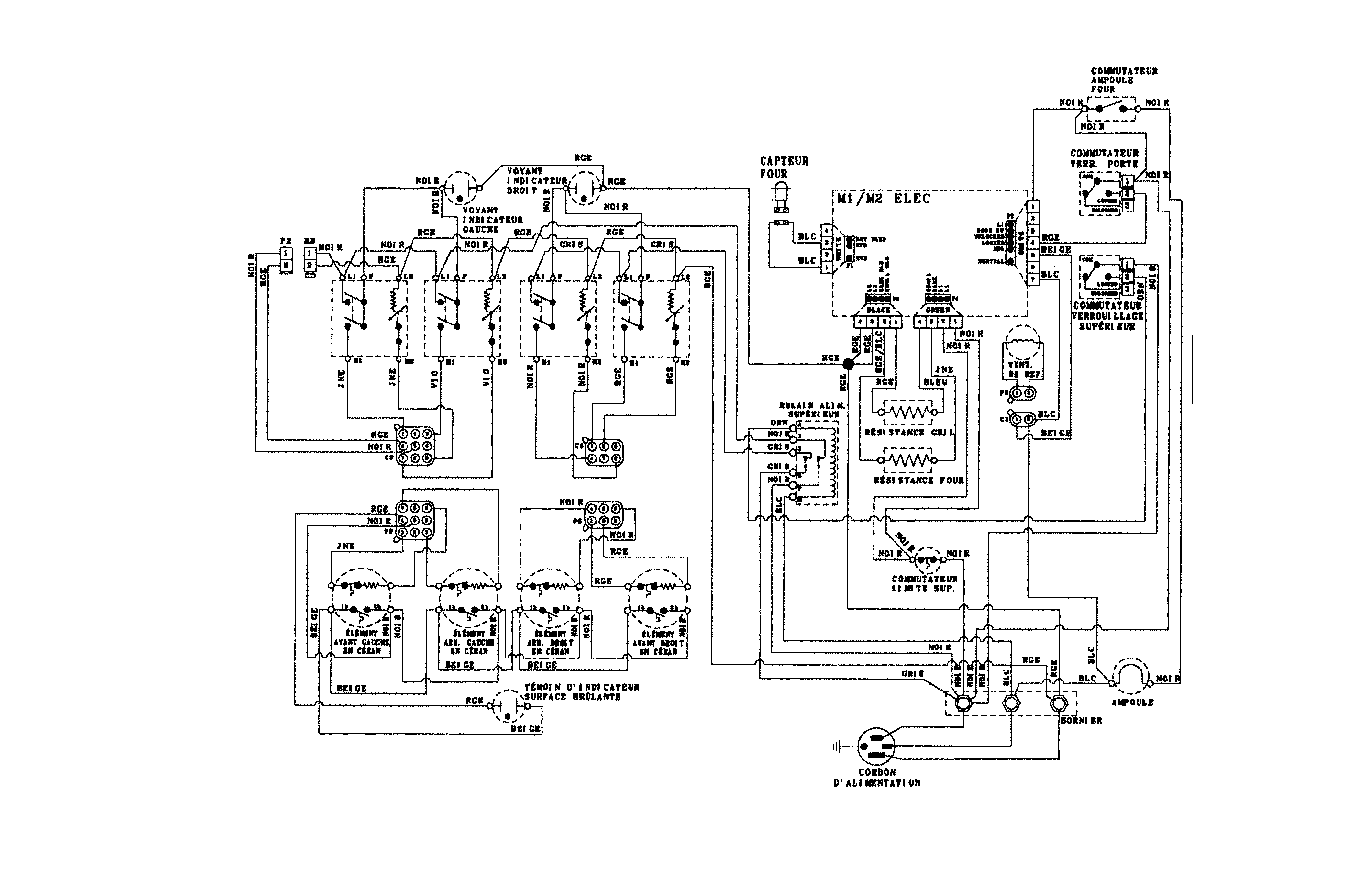
Here are the diagrams and repair parts for Maytag PES3759BCS electric slide-in range, as well as links to manuals and error code tables, if available.

There are a couple of ways to find the part or diagram you need:

  • Click a diagram to see the parts shown on that diagram.
  • In the search box below, enter all or part of the part number or the part’s name.

Not all parts are shown on the diagrams—those parts are labeled NI, for “not illustrated”.

We encourage you to save the model to your profile, so it’s easy to access parts and manuals for your appliance whenever you log in.

For DIY troubleshooting advice and repair guides, visit our repair help section.

Error Codes

Showing 10 of 111 parts

Appliance Light Bulb, 40-watt (replaces 40A15-2PK, 60A, 60A15RVL, STD398091, WR02X12328, WX12X1510)#17A

Oven/base Diagram

Oven bulb

Part #7407P103-60
Replaced by #40A15
?
Manufacturer substitution
This part replaces 7407P103-60. Substitute parts can look different from the original.
BEST SELLER
In Stock
$7.52 | 
12% OFF 
Phone Price: $8.52
Range Radiant Surface Element, 6-in (replaces 12002141, 12002146, WP8523698)#13

Control panel/top asy Diagram

Element (120

Part #74008568
Replaced by #W10823711
?
Manufacturer substitution
This part replaces 74008568. Substitute parts can look different from the original.
BEST SELLER
In Stock
$166.80 | 
6% OFF 
Phone Price: $176.80
Range Oven Door Gasket (replaces W10162384)#4

Door/drawer (stl) Diagram

Door gasket

Part #7201P046-60
Replaced by #WPW10162384
?
Manufacturer substitution
This part replaces 7201P046-60. Substitute parts can look different from the original.
BEST SELLER
Back Order
$62.69 | 
7% OFF 
Phone Price: $67.69
Range Radiant Surface Element, 9-in (replaces WP8523692)#12

Control panel/top asy Diagram

Element (250

Part #74009034
Replaced by #W10823696
?
Manufacturer substitution
This part replaces 74009034. Substitute parts can look different from the original.
BEST SELLER
In Stock
$142.32 | 
10% OFF 
Was: $158.13
Range Surface Element Control Switch (replaces 7403P239-60)#3

Control panel/top asy Diagram

Range surface element control switch

Part #7403P239-60
Replaced by #WP7403P239-60
?
Manufacturer substitution
This part replaces 7403P239-60. Substitute parts can look different from the original.
In Stock
$47.96 | 
10% OFF 
Was: $53.29
Range Anti-Tip Bracket (replaces 3801F656-51)#22

Oven/base Diagram

Bracket, ant

Part #74005564
Replaced by #WP3801F656-51
?
Manufacturer substitution
This part replaces 74005564. Substitute parts can look different from the original.
This item is not returnable
In Stock
$5.59 | 
15% OFF 
Phone Price: $6.59
Stand Mixer Screw, #10-24 x 1/4-in#11

Body Diagram

Screw

Part #7101P112-60
Replaced by #WP4159193
?
Manufacturer substitution
This part replaces 7101P112-60. Substitute parts can look different from the original.
This item is not returnable
In Stock
$5.06 | 
17% OFF 
Phone Price: $6.06
Range Push Nut#3

Door/drawer (stl) Diagram

Range push nut

Part #74001574
Replaced by #WP74001574
?
Manufacturer substitution
This part replaces 74001574. Substitute parts can look different from the original.
This item is not returnable
In Stock
$7.99 | 
11% OFF 
Phone Price: $8.99
Range Oven Door Foam Tape#2

Door/drawer (stl) Diagram

Tape, dbl. s

Part #74004224
Replaced by #WP74004224
?
Manufacturer substitution
This part replaces 74004224. Substitute parts can look different from the original.
This item is not returnable
In Stock
$6.85
Range Storage Drawer Roller

See All Related Diagrams

Range storage drawer roller

Part #74004078
Replaced by #WP74004078
?
Manufacturer substitution
This part replaces 74004078. Substitute parts can look different from the original.
In Stock
$8.79 | 
10% OFF 
Phone Price: $9.79

Symptoms common to all ranges

Choose a symptom to see related range repairs.

Main causes: food splatters, spilling food on the oven door, allowing liquid to drip through oven door vent when cleaning the door
Main causes: power supply failure, blown thermal fuse, bad relay control board, damaged terminal block, wiring failure
Main causes: broken oven door lock assembly, wiring failure, electronic control board problem
Main causes: faulty temperature sensor, electronic control board problem, control thermostat failure, weak burner igniter, oven door problem
Main causes: broken broiler element, weak or broken broil burner igniter, control system failure, faulty temperature sensor, wiring failure
Main causes: power supply problem, control thermostat or electronic control board failure, broken element, bad burner igniter
Main causes: bad bake element, broken burner igniter, control system failure, blown thermal fuse, faulty temperature sensor, wiring failure

Repair guides common to all ranges

These step-by-step repair guides will help you safely fix what’s broken on your range.

July 20, 2018
Lyle Weischwill
How to replace a range oven door switch

The oven door switch detects whether the oven door is closed and helps control the oven light. Replace the switch if it doesn’t control the oven light properly.

Repair difficulty
Time required
 30 minutes or less
February 20, 2015
Lyle Weischwill
How to replace a range oven door lock assembly

Oven door not locking? You can replace the lock assembly in less than 30 minutes. Here's how.

Repair difficulty
Time required
 15 minutes or less

Articles and videos common to all ranges

Use the advice and tips in these articles and videos to get the most out of your range.

December 27, 2021

How does a self-cleaning oven work?

Lyle Weischwill

Learn how the self-clean cycle works in an oven.

October 1, 2019

Coil surface element on range not heating video

Lyle Weischwill

Learn how to troubleshoot a coil surface element on your stove that won't heat.

May 23, 2018

F90 error code troubleshooting for ranges video

Wayne Archer

Troubleshoot the door lock system to find and fix the problem.